![]() |
roboforum.ruТехнический форум по робототехнике. |
|
avr123.nm.ru писал(а):ATtiny261 имеет 6 ШИМ выходов с аппаратными паузами - "дет таймами".

даташит версии 2588BS–AVR–11/06 писал(а):3 High Frequency PWM Outputs with Separate Output Compare Registers
Programmable Dead Time Generator

FireFly писал(а):На меге168 то же 6 шим выходов
FireFly писал(а): + полная совместимость с 8-й
Digit писал(а):И где там 6 ШИМов?

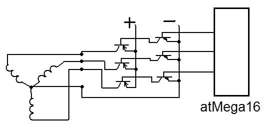
loid писал(а):Понимаю что в моём варианте схемы драйвера что то не так, сильно не смейтесь - объясните
loid писал(а):Там же просто ДатаШит, вы скажите что в схеме не так.
Сейчас этот форум просматривают: нет зарегистрированных пользователей и гости: 0