ZigBee на СС2500 (из темы "Новый Нац. класс минироботов")

Обсуждение и примеры готовых и самосборных компонент для построения роботов.

Re: ZigBee на СС2500 (из темы "Новый класс минироботов")

Сообщение NeoLP » 19 окт 2007, 15:10

Тогда запишите меня в очередь, только можно взглянуть на документацию к этой платочке, питание, схему, ножки... и еще действительно такая-же но без меги (я ее и сам могу запаять) или все-таки похожая?
Аватара пользователя
NeoLP
 
Сообщения: 62
Зарегистрирован: 01 авг 2005, 12:44
Откуда: Novosibirsk

Re: ZigBee на СС2500 (из темы "Новый класс минироботов")

Сообщение EdGull » 19 окт 2007, 15:23

1. совсем совсем. просто я подумал что там мега нафиг не нужна. И сделали платы такую же, только короче, потому как меги теперь там нет.
2. мы их и не собираемся продавать. они для нашего внутреннего употребления. это я так, в виде имсключения, для роботосроителей.
Аватара пользователя
EdGull
 
Сообщения: 10211
Зарегистрирован: 28 дек 2004, 20:33
Откуда: Тольятти
Skype: Ed_Gull
прог. языки: Bascom AVR Basic
ФИО: Гуль Эдуард Викторович

Re: ZigBee на СС2500 (из темы "Новый класс минироботов")

Сообщение Myp » 19 окт 2007, 16:05

ага, правильно, нафик не нужна, нуны тока контактные площадки для SPI =)(у меня как раз на контроллере свободные ноги есть :))
я всёже так и не понял какой у них радиус действия... ктото говорит что 20 метров в здании...


сдаётсо мне что вы злой гений и готовите там в своей секретной лаборатории нечто ужасное...
франкенштей-2 например
Аватара пользователя
Myp
скрытый хозяин вселенной :)
 
Сообщения: 18018
Зарегистрирован: 18 сен 2006, 12:26
Откуда: Тверь по прозвищу Дверь
прог. языки: псевдокод =) сила в алгоритме!
ФИО: глубокоуважаемый Фёдор Анатольевич

Re: ZigBee на СС2500 (из темы "Новый класс минироботов")

Сообщение EdGull » 19 окт 2007, 18:56

Нам большой радиус действия не нужен, нам нужна была высокая скорость. Свои 500 бод он чесно давит в нашей лаборатории площадью 50м2.
Аватара пользователя
EdGull
 
Сообщения: 10211
Зарегистрирован: 28 дек 2004, 20:33
Откуда: Тольятти
Skype: Ed_Gull
прог. языки: Bascom AVR Basic
ФИО: Гуль Эдуард Викторович

Re: ZigBee на СС2500 (из темы "Новый класс минироботов")

Сообщение Vooon » 19 окт 2007, 19:05

разве 500 бод большая скорость? :wink:
Linux user | Firefox user
Аватара пользователя
Vooon
Site Admin
 
Сообщения: 3339
Зарегистрирован: 09 фев 2006, 15:36
Откуда: Москва
Skype: vooon341
прог. языки: Python, C, Bash, JavaScript, C++, PHP
ФИО: Владимир Ермаков

Re: ZigBee на СС2500 (из темы "Новый класс минироботов")

Сообщение EdGull » 19 окт 2007, 19:22

прошу прощения... 500 КИЛО бод!!! :D
т.е. пол мегабита в секунду
Аватара пользователя
EdGull
 
Сообщения: 10211
Зарегистрирован: 28 дек 2004, 20:33
Откуда: Тольятти
Skype: Ed_Gull
прог. языки: Bascom AVR Basic
ФИО: Гуль Эдуард Викторович

Re: ZigBee на СС2500 (из темы "Новый класс минироботов")

Сообщение Vooon » 19 окт 2007, 20:41

во во, я то и думаю... :) в килободах действительно классно :)
а в попугаях еще быстрее :lol:
Linux user | Firefox user
Аватара пользователя
Vooon
Site Admin
 
Сообщения: 3339
Зарегистрирован: 09 фев 2006, 15:36
Откуда: Москва
Skype: vooon341
прог. языки: Python, C, Bash, JavaScript, C++, PHP
ФИО: Владимир Ермаков

Re: ZigBee на СС2500 (из темы "Новый класс минироботов")

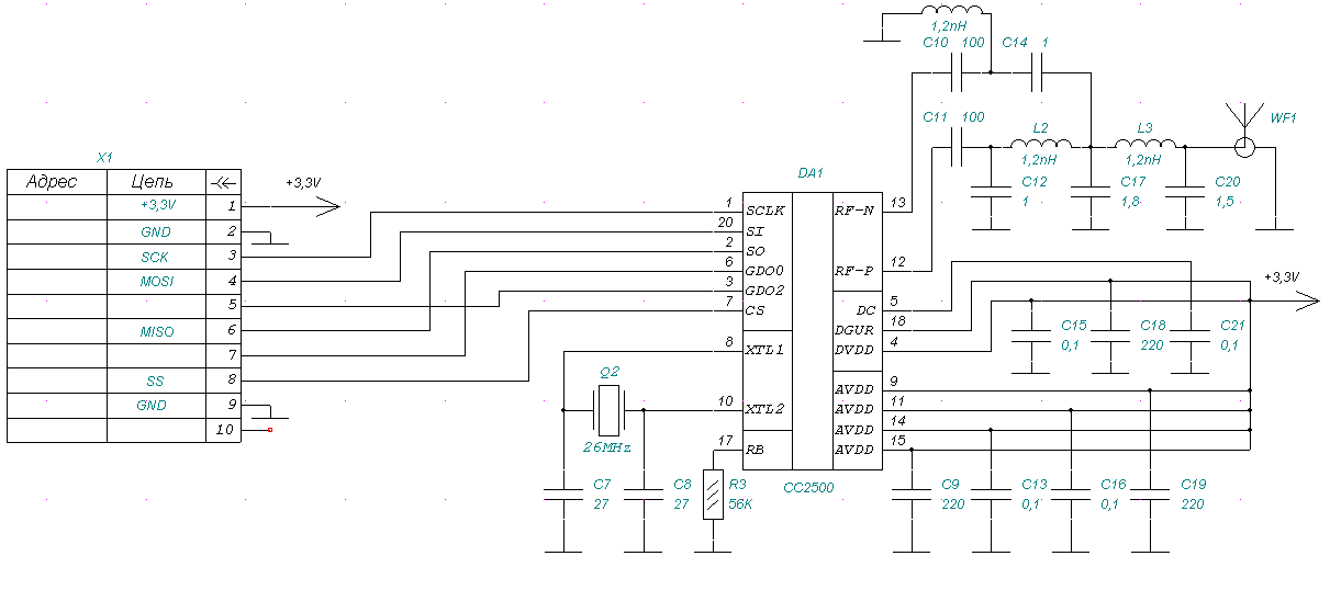
Сообщение EdGull » 20 окт 2007, 08:14

по многочисленным просьбам трудящихся...
на разъеме шаг 2.54мм
Вложения
.GIF
.gif
Аватара пользователя
EdGull
 
Сообщения: 10211
Зарегистрирован: 28 дек 2004, 20:33
Откуда: Тольятти
Skype: Ed_Gull
прог. языки: Bascom AVR Basic
ФИО: Гуль Эдуард Викторович

Re: ZigBee на СС2500 (из темы "Новый класс минироботов")

Сообщение avr123.nm.ru » 20 окт 2007, 08:20

Спасибо. Ты не мог бы конвертировать плату в 600 dpi .BMP или .TIF и выложить в архиве .RAR :roll:
Аватара пользователя
avr123.nm.ru
отсылающий читать курс
 
Сообщения: 14195
Зарегистрирован: 06 ноя 2005, 04:18
Откуда: Москва

Re: ZigBee на СС2500 (из темы "Новый класс минироботов")

Сообщение EdGull » 20 окт 2007, 08:22

для начинающих...
Вложения
передача данных на базе стандарта ZIGBEE.pdf
(172.9 КиБ) Скачиваний: 91
Аватара пользователя
EdGull
 
Сообщения: 10211
Зарегистрирован: 28 дек 2004, 20:33
Откуда: Тольятти
Skype: Ed_Gull
прог. языки: Bascom AVR Basic
ФИО: Гуль Эдуард Викторович

Re: ZigBee на СС2500 (из темы "Новый класс минироботов")

Сообщение EdGull » 20 окт 2007, 10:03

и немножко более развернуто http://aly.projektas.lt/Projects/ZigBee ... ZigBee.htm
Аватара пользователя
EdGull
 
Сообщения: 10211
Зарегистрирован: 28 дек 2004, 20:33
Откуда: Тольятти
Skype: Ed_Gull
прог. языки: Bascom AVR Basic
ФИО: Гуль Эдуард Викторович

Re: ZigBee на СС2500 (из темы "Новый класс минироботов")

Сообщение avr123.nm.ru » 20 окт 2007, 10:45

Myp писал(а):я пока незнаю даже с какой стороны к этой кобыле подойти


чип, рансивер - это все ОН - т.е. конь а не кобыла.

Все 4 стороны похожие на вид.
Аватара пользователя
avr123.nm.ru
отсылающий читать курс
 
Сообщения: 14195
Зарегистрирован: 06 ноя 2005, 04:18
Откуда: Москва

Re: ZigBee на СС2500 (из темы "Новый класс минироботов")

Сообщение avr123.nm.ru » 20 окт 2007, 10:47

EdGull писал(а):и немножко более развернуто http://aly.projektas.lt/Projects/ZigBee ... ZigBee.htm


Там вообще супер проекты.
Аватара пользователя
avr123.nm.ru
отсылающий читать курс
 
Сообщения: 14195
Зарегистрирован: 06 ноя 2005, 04:18
Откуда: Москва

Re: ZigBee на СС2500 (из темы "Новый класс минироботов")

Сообщение EdGull » 24 окт 2007, 15:59

Приехали обещанные платы
Вложения
P1120228-mini.jpg
Аватара пользователя
EdGull
 
Сообщения: 10211
Зарегистрирован: 28 дек 2004, 20:33
Откуда: Тольятти
Skype: Ed_Gull
прог. языки: Bascom AVR Basic
ФИО: Гуль Эдуард Викторович

Re: ZigBee на СС2500 (из темы "Новый класс минироботов")

Сообщение Myp » 24 окт 2007, 16:15

выглядит шикарно =)

можно начинать изучать процедуры инициализации =)
Аватара пользователя
Myp
скрытый хозяин вселенной :)
 
Сообщения: 18018
Зарегистрирован: 18 сен 2006, 12:26
Откуда: Тверь по прозвищу Дверь
прог. языки: псевдокод =) сила в алгоритме!
ФИО: глубокоуважаемый Фёдор Анатольевич

Пред.След.

Вернуться в Готовые модули

Кто сейчас на конференции

Сейчас этот форум просматривают: нет зарегистрированных пользователей и гости: 0

cron