Всем доброго времени суток.
Скажите пожалуйста, не пробовал ли кто нибудь прикручивать к Arduino нагреватель от паяльника, типа такого
https://aliexpress.ru/item/400030758920 ... web201603_
Просто есть в наличии и хочется использовать как подогрев, плюс там уже встроенная термопара. Но вот только как я понял термопара не такая как используют в 3D принтерах, т.к. замеры показали, что сопротивление термопары 12,6 Ом, а сопротивление нагревателя 1,6 Ом, или наоборот, то нагреватель, а это термопара, могу ошибаться, т.к. никогда не сталкивался.
Добавлено спустя 2 часа 38 минут 10 секунд:
Думаю тему можно удалить, т.к. ответ думаю уже нашел
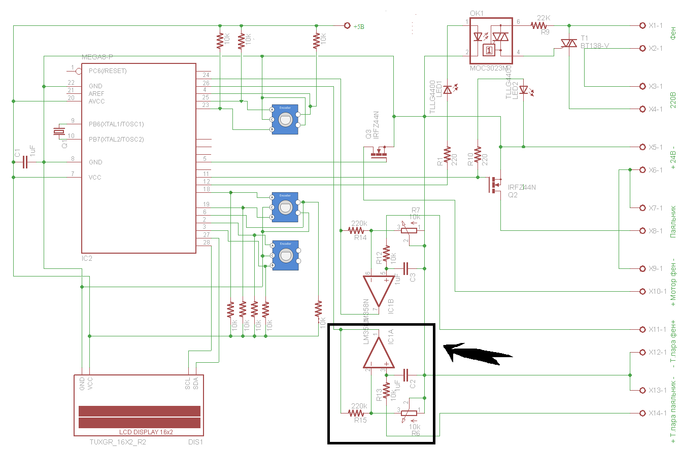
https://cxem.net/master/113.php
Там помимо Arduino еще и компаратор с обвязкой нужно будет использовать, а значения снимают всего одной строчкой
solderTCouple = map(analogRead(pinSolderTCouple), 0, 750, 0, 480);
Я правда надеялся что на платах 3D принтеров эта обвязка на датчиках температуры уже есть, но как показывает опыт, эт не так, т.к. значения возвращаемые голой функцией analogRead скачут от 0 до 27 на ровном месте.


. Да и вообще вся схема, которую я нашел напоминает простой делитель напряжения, в который непонятно для чего засунули еще и операционный усилитель с переменным резистором, который если крутить ничего вообще не меняется.