Freescale - ввел плату за почтовые услуги для России с 2007-03
===========================================
вот freescale.com прислали в подарок
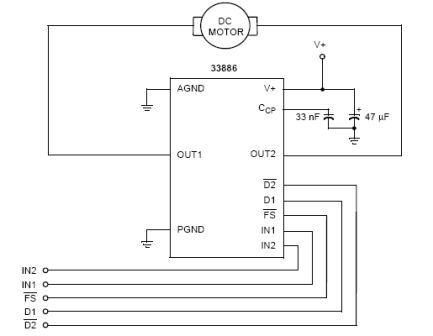
5шт. H-мостиков mc33886 на 5A 5-40V
и еще
5шт. драйверов mc33883 H-мостов для 4-х внешних MOSFET до 50V на ток какие транзисторы поставите.
Например IRF1010 (60A 60V) и IRL1004 (80Amp 40 Volts).
Мосты со всякими защитами там ...
Управляются логическими уровнями.
============
Заказ Н-моста MC33886
Вот по этой ссылке
в таблице "MC33886 Parametrics"
у последней позиции - MC33886DHR2 - есть СЕРАЯ кнопка "Sample"
кликаешь ее и логинишся, заказываешь (я шас 5 заказал). Придет мыло - надо подтвердить заказ. и ждать ... это в нашем деле самое трудное !
Внимание - все течет, все меняется ! так что ищите кнопку "Sample"
