Драверы двигателей - 5A до 40V от Freescale и другие

Обсуждение и примеры готовых и самосборных компонент для построения роботов.

Драверы двигателей - 5A до 40V от Freescale и другие

Сообщение avr123.nm.ru » 10 ноя 2006, 15:42

Freescale  - ввел плату за почтовые услуги для России с 2007-03

===========================================

вот freescale.com прислали в подарок

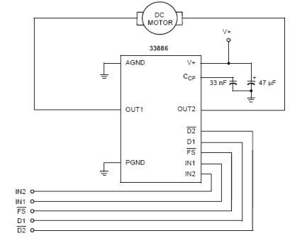
5шт.  H-мостиков mc33886 на 5A  5-40V

и еще

5шт.  драйверов mc33883 H-мостов для 4-х внешних MOSFET до 50V на ток какие транзисторы поставите.  

Например IRF1010  (60A  60V)  и  IRL1004  (80Amp   40 Volts).

Мосты со всякими защитами там ...  

Управляются логическими уровнями.

============

Заказ Н-моста  MC33886

Вот по этой ссылке

http://www.freescale.com/webapp/sps/sit ... 5979968446

в таблице "MC33886 Parametrics"

у последней позиции - MC33886DHR2 -  есть СЕРАЯ кнопка "Sample"

кликаешь ее и логинишся, заказываешь (я шас 5 заказал). Придет мыло - надо подтвердить заказ. и ждать ...   это в нашем деле самое трудное !

Внимание - все течет, все меняется ! так что ищите кнопку "Sample"
Последний раз редактировалось avr123.nm.ru 11 апр 2007, 14:27, всего редактировалось 3 раз(а).
Аватара пользователя
avr123.nm.ru
отсылающий читать курс
 
Сообщения: 14195
Зарегистрирован: 06 ноя 2005, 04:18
Откуда: Москва

Сообщение avr123.nm.ru » 10 ноя 2006, 15:49

вот еще обзор - Драйверы электродвигателей постоянного тока
http://www.rtcs.ru/hwsubtype.asp?id=199

параллельно мотору конденсатор 0.33 мкФ
Аватара пользователя
avr123.nm.ru
отсылающий читать курс
 
Сообщения: 14195
Зарегистрирован: 06 ноя 2005, 04:18
Откуда: Москва

Re: Драверы двигателей - 5A до 40V бесплатно по 5 штук "

Сообщение Валерос » 12 ноя 2006, 11:56

avr123.nm.ru писал(а):вот freescale.com прислали в подарок

5шт.  H-мостиков mc33886 на 5A  5-40V

и еще

5шт.  драйверов mc33883 H-мостов для 4-х внешних MOSFET до 50V на ток какие транзисторы поставите.  Например IRF1010  и  IRF1004.

Мосты со всякими защитами там ...  

Управляются логическими уровнями.

А ещё неплохо бы схемку прикладывать... :)
Вложения
ДРдв.jpg
Аватара пользователя
Валерос
 
Сообщения: 364
Зарегистрирован: 30 сен 2006, 19:05
Откуда: Санкт-Петербург

Сообщение Валерос » 12 ноя 2006, 12:05

avr123.nm.ru писал(а):вот еще обзор - Драйверы электродвигателей постоянного тока
http://www.rtcs.ru/hwsubtype.asp?id=199

параллельно мотору конденсатор 0.33 мкФ

А в ентой фирме ROHMа вообще нет, одно описание.. :(
Аватара пользователя
Валерос
 
Сообщения: 364
Зарегистрирован: 30 сен 2006, 19:05
Откуда: Санкт-Петербург

Сообщение Валерос » 12 ноя 2006, 15:41

Чета на http://www.freescale.com/ ни один мой e-mail не проходит :(
какой они принимают для sampl-ов? 8)
Аватара пользователя
Валерос
 
Сообщения: 364
Зарегистрирован: 30 сен 2006, 19:05
Откуда: Санкт-Петербург

Сообщение avr123.nm.ru » 12 ноя 2006, 15:59

у меня на  mail.ru
Аватара пользователя
avr123.nm.ru
отсылающий читать курс
 
Сообщения: 14195
Зарегистрирован: 06 ноя 2005, 04:18
Откуда: Москва

Сообщение avr123.nm.ru » 12 ноя 2006, 16:13

Супер-пупер драйверы - LMD18245T - я бесплатно получил (можно заказать по 3 шт. за раз) на - national.com

Им нужна корпоративная почта, но я заказал и получил с @bk.ru

national.com - производит и бесплатно присылает много компонентов, но на каждый заказ присылают по нескольку писем с просьбой подтверждения переходом по линку.

===================

Если какая то компания не шлет в Россию бесплатные компоненты, то заказывайте на Чехию !  а Россию указывайте в поле город.

Почтовикам дешевле из чехии прислать в Россию чем назад - они и присылают в Россию.
Аватара пользователя
avr123.nm.ru
отсылающий читать курс
 
Сообщения: 14195
Зарегистрирован: 06 ноя 2005, 04:18
Откуда: Москва

Re: Драверы двигателей - 5A до 40V бесплатно по 5 штук "

Сообщение FireFly » 20 ноя 2006, 20:16

avr123.nm.ru писал(а):вот freescale.com прислали в подарок

5шт.  H-мостиков mc33886 на 5A  5-40V

и еще

5шт.  драйверов mc33883 H-мостов для 4-х внешних MOSFET до 50V на ток какие транзисторы поставите.  Например IRF1010  и  IRF1004.

Мосты со всякими защитами там ...  

Управляются логическими уровнями.



Щас притащили 4 штуки таких, все красиво, но терь понять бы как ими управлять :D
Аватара пользователя
FireFly
 
Сообщения: 1576
Зарегистрирован: 19 июн 2005, 18:27
Откуда: Камышин

Сообщение FireFly » 20 ноя 2006, 20:35

Даташиты рулят... разобрался почти, да уж прикольно, 5А на халяву  :D
Аватара пользователя
FireFly
 
Сообщения: 1576
Зарегистрирован: 19 июн 2005, 18:27
Откуда: Камышин

Сообщение avr123.nm.ru » 20 ноя 2006, 20:36

управлять в точном соответствии с даташитом.  главное припаять правильно.

можно в плате сделать окно под микрухой чтоб прижать к ней радиатор.
Аватара пользователя
avr123.nm.ru
отсылающий читать курс
 
Сообщения: 14195
Зарегистрирован: 06 ноя 2005, 04:18
Откуда: Москва

Сообщение avr123.nm.ru » 24 ноя 2006, 18:47

заказал бесплатно 5 мостов LMD18245T - 3A 55V H-Bridge

http://www.national.com/pf/LM/LMD18245.html

там апноуты почитайте великолепные !

======= добавка - теперь они ПЛАТНЫЕ !
Последний раз редактировалось avr123.nm.ru 12 дек 2006, 17:47, всего редактировалось 1 раз.
Аватара пользователя
avr123.nm.ru
отсылающий читать курс
 
Сообщения: 14195
Зарегистрирован: 06 ноя 2005, 04:18
Откуда: Москва

Сообщение avr123.nm.ru » 01 дек 2006, 12:23

вот еще почтальон притаранил 5шт. H-мостиков mc33886 и 5шт. mc33883 - Люблю я Freescale.com
Аватара пользователя
avr123.nm.ru
отсылающий читать курс
 
Сообщения: 14195
Зарегистрирован: 06 ноя 2005, 04:18
Откуда: Москва

Сообщение Валерос » 01 дек 2006, 14:44

И мне пришли, а TI прислал 10 Амперные....
Прделагаю выставлять оценку (рейтинг) кто лучший поставщик шаровых компонентов...
Аватара пользователя
Валерос
 
Сообщения: 364
Зарегистрирован: 30 сен 2006, 19:05
Откуда: Санкт-Петербург

Сообщение avr123.nm.ru » 01 дек 2006, 15:56

конечно Ti.com the best !

а какие на 10 A  ?  я тоже хочу!
Аватара пользователя
avr123.nm.ru
отсылающий читать курс
 
Сообщения: 14195
Зарегистрирован: 06 ноя 2005, 04:18
Откуда: Москва

Сообщение Валерос » 01 дек 2006, 16:01

OPA549TG кажись такие...
Аватара пользователя
Валерос
 
Сообщения: 364
Зарегистрирован: 30 сен 2006, 19:05
Откуда: Санкт-Петербург

След.

Вернуться в Готовые модули

Кто сейчас на конференции

Сейчас этот форум просматривают: нет зарегистрированных пользователей и гости: 0

cron