ol82 писал(а):только сигнальный светодиод запитал с плюса, чтоб моргал при появлении низкого уровня на выходе.
Я так понял, твоя схема уже откорректирована под задачу? Могу сравнивать с оригиналом и додумывать сам? Ибо фразы я не понял

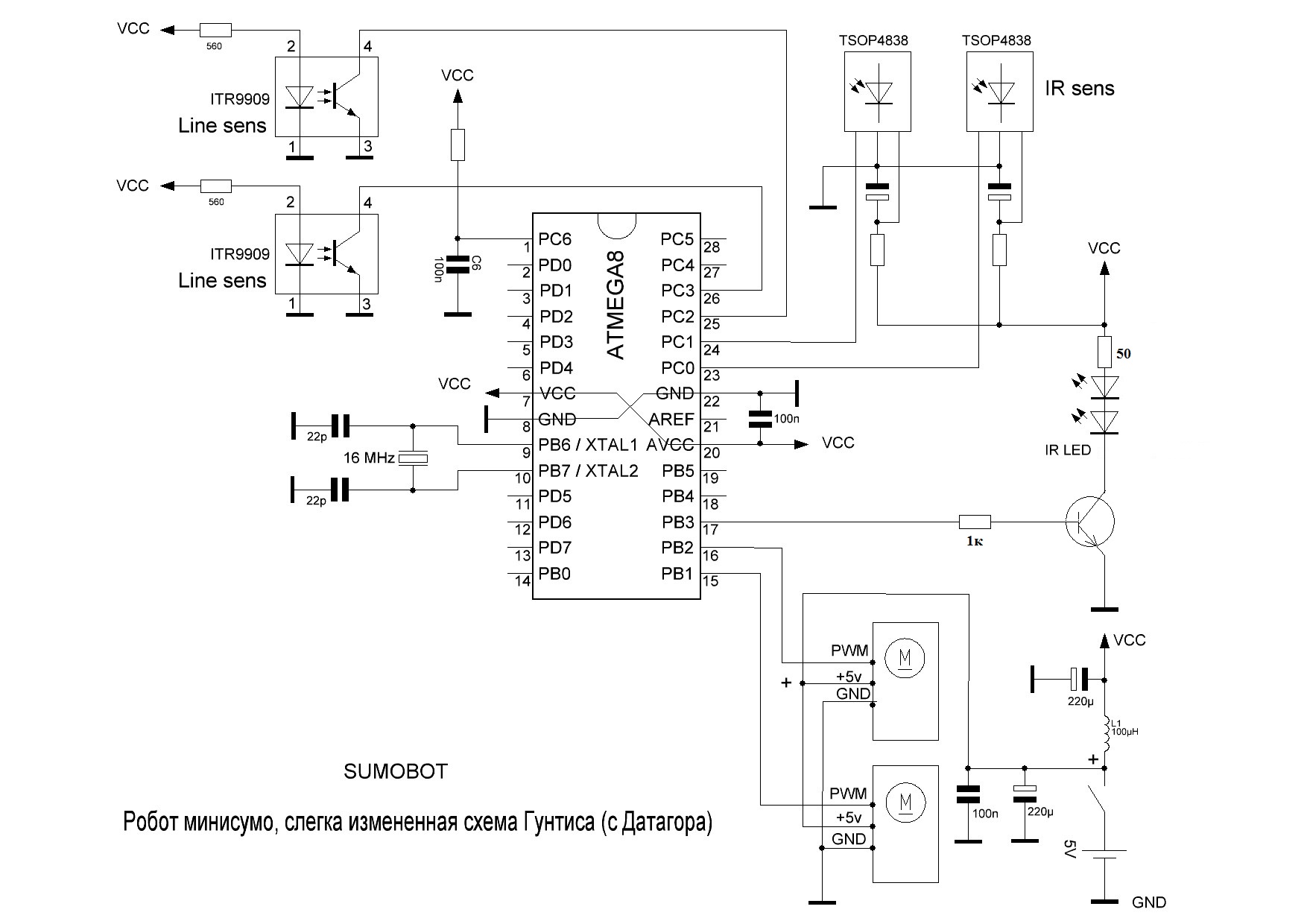
ol82 писал(а):Вот прошу помощи в переделке проги
Как я понял у тебя венды и установлена avr studio. Если стоит studio >4 версии, то или разбирайся по аналогии или поставь-таки 4-ю версию, т.к. я под линухом, венды крутятся в виртуальной машине и монстрообразная avr studio 5 тормозит безбожно.
Копируем с сайта исходник "ir_locator.asm.txt", убираем на конце названия файла ".txt", получается "ir_locator.asm". Копируем его в нужное место. Я создал "E:\ir\ol82"
В studio жамкаем кнопку: проект/новый проект. Выбираем atmel avr assembler. Обзываем проект "ir_locator" и выбираем путь/папку к проекту. В след. окне выбираем avr simulator и контроллер Atiny13. Все, жамкаем финиш, выходим в главное окно и видим исходник проекта.
Жамкаем "build/build" (или F7). Смотрим как собрался проект и видим ошибку:
- Код: Выделить всё • Развернуть
E:\ir\ol82\ir_locator.asm(40): error: syntax error, unexpected REGDEF, expecting MNEMONIC or REGISTER or SYMBOL or FUNCTION
Ошибка из-за одинакового названия регистра count и константы COUNT. Надо обозвать как-нибудь константу, например: Const_COUNT и в коде сделать поиск "COUNT" и заменить на "Const_COUNT". Получилась замена в 2-х строках: Ln40 и Ln46, получается так:
Ln40:
- Код: Выделить всё • Развернуть
.equ Const_COUNT = 10 ;число импульсов в пачке
Ln46:
- Код: Выделить всё • Развернуть
ldi count, Const_COUNT ;загружаем в счетчик число импульсов в пачке
Еще, на всякий случай, меняем:
- Код: Выделить всё • Развернуть
.include "tn12def.inc"
На:
- Код: Выделить всё • Развернуть
.include "tn13def.inc"
Все, сохраняем, жамкаем F7 и смотрим за компиляцией. Если нет ошибок, то должно получиться:
- Код: Выделить всё • Развернуть
ATtiny13 memory use summary [bytes]:
Segment Begin End Code Data Used Size Use%
---------------------------------------------------------------
[.cseg] 0x000000 0x000038 56 0 56 1024 5.5%
[.dseg] 0x000060 0x000060 0 0 0 64 0.0%
[.eseg] 0x000000 0x000000 0 0 0 64 0.0%
Assembly complete, 0 errors. 0 warnings
Дальше чуть позже...