коллеги, помогите разобраться.
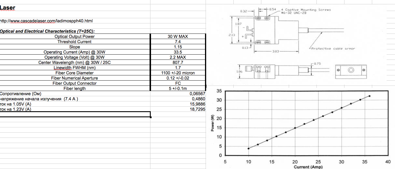
Делаю источник тока высокой мощности (питание лазерного диода)
Есть девелопер борда http://www.ti.com/tool/tps59650evm-753 (99$, заказал, едет)
Intel IMVP-7 SVID compliant
Support CPU 1, 2, 3 phase up to 90A
Support GPU 1, 2 phase up to 60A
Optimized efficiency at light & heavy Loads
8 Independent frequency/current limit selection
Vcore OSR/USR Reduction
вот ее дока с примерами и картинками http://www.ti.com/lit/ug/sluu896/sluu896.pdf
С ручным управлением все предельно понятно.
(win программа с доступом через usb)
Теперь хочу приделать управление от AVR контроллера (внешнее управление этим драйвером питания со стороны arduino - управление лазером).
Похоже нужно управлять состоянием регистров через Serial VID (это что вообще , похоже на smbus ?)
Не сталкивался ли кто нибудь, или хотя бы в какую доку копать ?

