roboforum.ru

Технический форум по робототехнике.


А почему бы не использовать уже готовый мобильный телефон?

А почему бы не использовать уже готовый мобильный телефон?

Сообщение Integral » 14 июн 2007, 01:22

А почему бы не использовать уже готовый мобильный телефон для создания зрения робота? В телефоне есть главный проц, к нему уже подключена и настроена видеокамера, подключена и настроена работа проца из памятью, или внешними карточками памяти… Просто достать даташит на этот проц и спрограммировать свою прогу, перепрошить и все. А брать картинку можна сразу из чипа памяти или из дисплея.
Или подобная инфа строго засекречена производителем?
У меня есть Nokia 3220, хотелось бы присобачить ее к роботу… просто в мобильнике уже все подключено и настроено, и по размерам все достаточно миниатюрное…
Integral
 
Сообщения: 15
Зарегистрирован: 13 июн 2007, 02:22
Откуда: Украина

Сообщение lebaon » 14 июн 2007, 12:23

да да, а вот только инфы по половине микросхем нет вообще :cry:  и как их программировать?
Аватара пользователя
lebaon
Безбашенный Теоретик
 
Сообщения: 1137
Зарегистрирован: 07 янв 2006, 18:30
Откуда: Подмосковье

Сообщение Виталий » 14 июн 2007, 13:44

Что тут подразумевается под "зрением"? Тут порой компьютера не хватает по мощностям... а вы про телефон.
Аватара пользователя
Виталий
 
Сообщения: 2114
Зарегистрирован: 08 окт 2004, 16:43
Откуда: St. Petersburg
Skype: quark-bot
ФИО: Клебан Виталий

Сообщение =DeaD= » 15 июн 2007, 14:14

Очевидно под зрением тут понимается получение картинки в памяти устройства с камеры :)
Аватара пользователя
=DeaD=
 
Сообщения: 24218
Зарегистрирован: 06 окт 2004, 18:01
Откуда: Ебург
прог. языки: C++ / PHP / 1C
ФИО: Антон Ботов

Сообщение Myp » 15 июн 2007, 16:30

[off]ну а чё, нет проблем

бери мобилу с симбианом,
пиши прогу для работы с камерой, (вон прог для работы с камерой уже готовых куча(у меня 3250 был когдато давно я вские разные проги на нём пробовал для работы с камерой), даж исходники видел гдето под симбиан тока непомню под какой)
чтоб захватывала картинки и по датакабелю отправляла в комп
в телефоне кстати это уже напсиано до нас только это 2 отдельные проги
прога фотопарат и прога для синхронизации по кабелю


всего то ничего... скачал даташит на телефон и вперёд...
только ты уверен что напсиать программу для телефона где ниччё не известно и засекречено и операционка извращенская
проще чем взять отдельно камеру подключить к своему контроллеру, арму например и написать туже прожку но уже для доступного удобного железа с документацией
всё уже давным давно обмусолено и обмозговано до нас
чтото новое сложно придумать
а написать свою прошивку для телефона вобще нихрена невозможно
родные то прошивки не всегда прошиваются нормально а тут свою собственную заливать хочешь[/off]
Аватара пользователя
Myp
скрытый хозяин вселенной :)
 
Сообщения: 18018
Зарегистрирован: 18 сен 2006, 12:26
Откуда: Тверь по прозвищу Дверь
прог. языки: псевдокод =) сила в алгоритме!
ФИО: глубокоуважаемый Фёдор Анатольевич

Сообщение Integral » 15 июн 2007, 23:09

Проблема я так понимаю с нехваткой инфы на мобилу.... жаль...

Еще вопрос. Если у меня есть, скажем, мега32, то какую выбрать камеру? От мобил проблематично... Веб-камера до компа?
Дайте кто может силки на инфу как подключить веб-камеру на МК.
Integral
 
Сообщения: 15
Зарегистрирован: 13 июн 2007, 02:22
Откуда: Украина

Сообщение Сергей » 15 июн 2007, 23:14

[off]мега32 и Вебкамера? Да поможет тебе великая сила! Аминь.[/off]
Сергей
 
Сообщения: 3744
Зарегистрирован: 29 дек 2004, 23:15
Откуда: Санкт-Петербург
прог. языки: C, C++, C#, Asm
ФИО: Кашликов Сергей

Сообщение Integral » 15 июн 2007, 23:36

Почему?
Разве нельзя будет с помощью мега32 сохранить масив пикселей во флеш-памяти исполюзуя матрицу из веб камери???
А как потом с помощью алгоритмов обрабатывать ето изображение то ето уже другая история...

Задам вопрос немного по другому: какую матрицу или вообще что(и где взять) нужно подключить чтобы мега32 сохранила массив пикселей в RGB формате во внешней флеш памяти???
Разве 32Кб прошивки не хватить чтобы спрограмить нужную прогу? Тогда я иду лудше повешусь...

Использовать чипи Paralax... думаю для начала ето дорого и сложно будет.
Integral
 
Сообщения: 15
Зарегистрирован: 13 июн 2007, 02:22
Откуда: Украина

Сообщение Digit » 15 июн 2007, 23:46

2 Мур и Сергей
[off]Хмм... А это стала фирменная фишка такая модная - инфу даже по теме писать маааленькими серенькими буковками?  :D [/off]
Аватара пользователя
Digit
 
Сообщения: 3339
Зарегистрирован: 27 ноя 2004, 00:42
Откуда: совсем Москва
ФИО: Григорий

Сообщение Master » 15 июн 2007, 23:52

Попробуйте для начала подключить web-камеру к компьютеру и написать программу для нее.
Я как-то делал на Делфи, так при сканировании картинки пень 3000 МГц просто зависал. А вы хтотите обрабатывать на АВР.
Аватара пользователя
Master
 
Сообщения: 4468
Зарегистрирован: 21 дек 2006, 19:56
Откуда: Украина, г.Одесса
прог. языки: Delphi и С

Сообщение Integral » 15 июн 2007, 23:58

Даже не знаю что сказать...
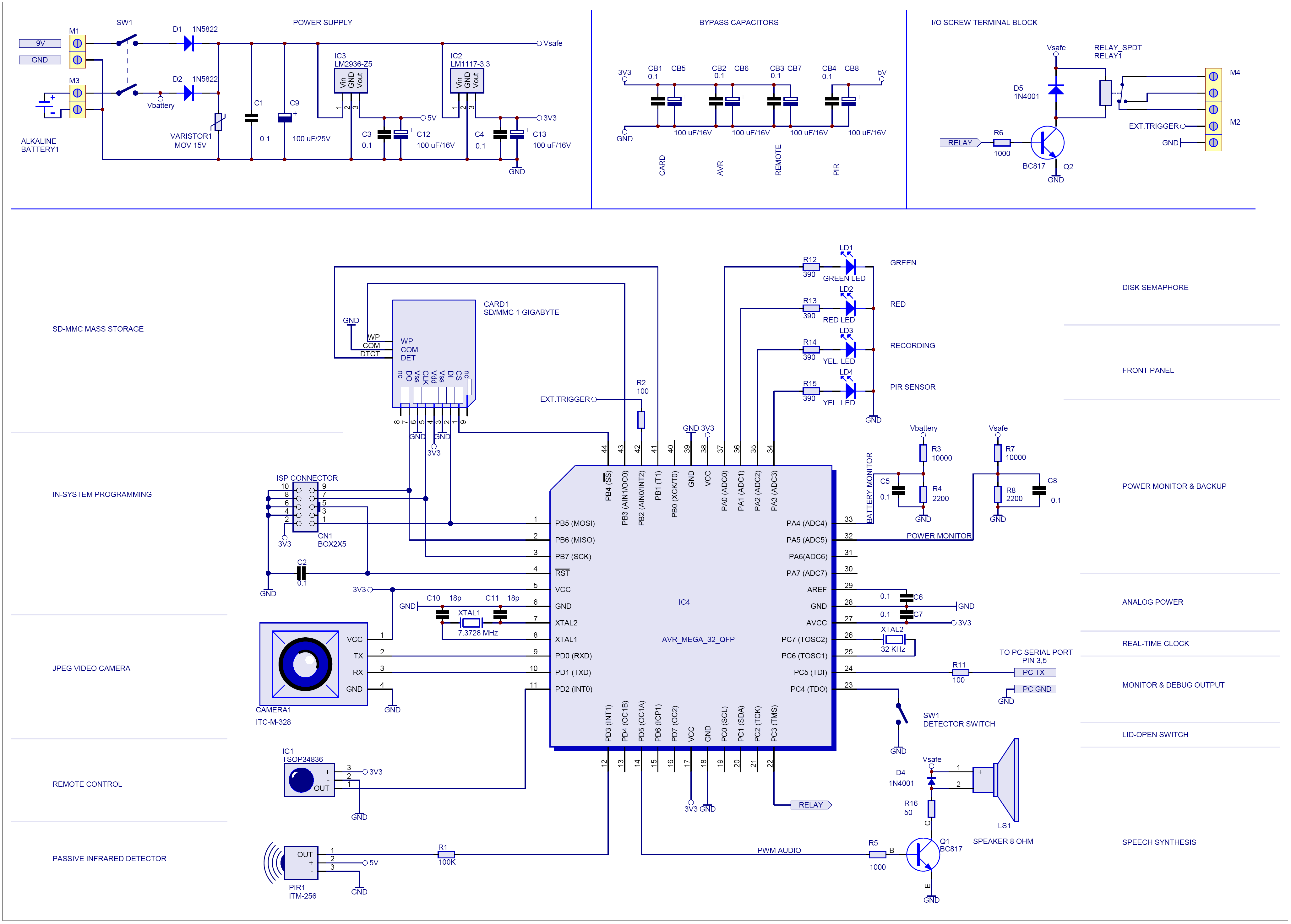
По етой картинке вроде все работает....
Только что за камера там используеться... то хз где ее взять.
Вложения
figure_6_schematic.gif
Integral
 
Сообщения: 15
Зарегистрирован: 13 июн 2007, 02:22
Откуда: Украина

Сообщение Master » 16 июн 2007, 07:32

Не путайте съемку и обработку видео. Судя по схеме это скорее видеокамера на AVR для записи на MMC.
Аватара пользователя
Master
 
Сообщения: 4468
Зарегистрирован: 21 дек 2006, 19:56
Откуда: Украина, г.Одесса
прог. языки: Delphi и С

Сообщение Сергей » 16 июн 2007, 07:34

Digit писал(а):2 Мур и Сергей
[off]Хмм... А это стала фирменная фишка такая модная - инфу даже по теме писать маааленькими серенькими буковками?  :D [/off]

[off]ага! :wink: [/off]
Сергей
 
Сообщения: 3744
Зарегистрирован: 29 дек 2004, 23:15
Откуда: Санкт-Петербург
прог. языки: C, C++, C#, Asm
ФИО: Кашликов Сергей

Сообщение Integral » 16 июн 2007, 11:23

Master писал(а):Не путайте съемку и обработку видео. Судя по схеме это скорее видеокамера на AVR для записи на MMC.


Тогда вопрос такой: что нужно для создания самого простого зрения для робота. Например, сделать так чтобы он поворачивал свою камеру в сторону красного мячика. Алгоритм не сложный, но от с точки зрения железа что для етого нужно?
Ноутбук+вебкамера и готовые видеокамеры с МК за 100 эвро не предлагать. Уш больно дорого обойдеться все ето...
Integral
 
Сообщения: 15
Зарегистрирован: 13 июн 2007, 02:22
Откуда: Украина

Сообщение Integral » 16 июн 2007, 11:57

Какие могут быть проблемы подключения камери от Siemens C65???
Распиновка камеры есть... http://o-d-v.nm.ru/tel_cam/siemens_C65.htm
Мне только непонятно как там CAMERA_HSYNC и CAMERA_VSYNC подавать. В каком вормате даные передаются от етой камеры?
Разве не получиться подключить камеру сразу на I2C шину? Нужные выходы там уже есть.
Integral
 
Сообщения: 15
Зарегистрирован: 13 июн 2007, 02:22
Откуда: Украина

След.

Вернуться в Железо

Кто сейчас на конференции

Сейчас этот форум просматривают: нет зарегистрированных пользователей и гости: 2