Делал кто? Есть ли наработки? Ссылки.
Внимание: ссылку на лампах 6П3С НЕ давать и ваще про нее не говорить.
Требования - плавка меди и ее сплавов (бронза, латунь).
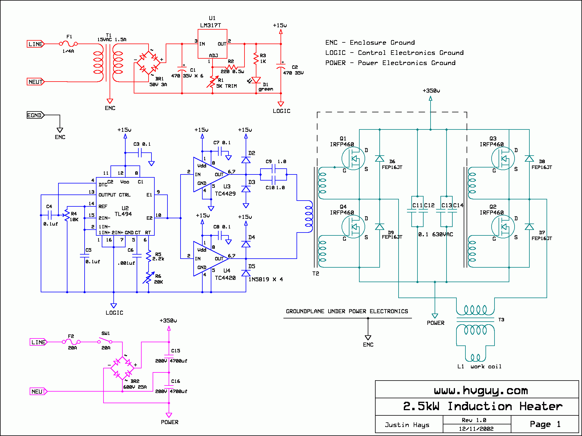
Есть у меня схема, довольно не сложная (забыл что на работе у меня ее нет, приду домой выложу ). ШИМ микросхема, по типу TL494, раскачивает 2 ключа, потом ВЧ транс, к которому подключены затворы 4-х полевиков (Н-мост) и все это дело идет через развязывающий транс на индуктор.
Меня в ней смущает конструкция Н-моста, просто полевики подключенные затворами на управляющий транс, вроде как не правильно.

