А TSOP-ы и тогда были, как сейчас помню

![]() |
roboforum.ruТехнический форум по робототехнике. |
|
|

| Реклама | ||||
|
|
|
|||


| Реклама | ||||
|
|
|
|||
MegaBIZON писал(а):Поподробнее бы про это добро. И ссылочку хоцца, де взял.
yak-40 писал(а):2кулер 23:
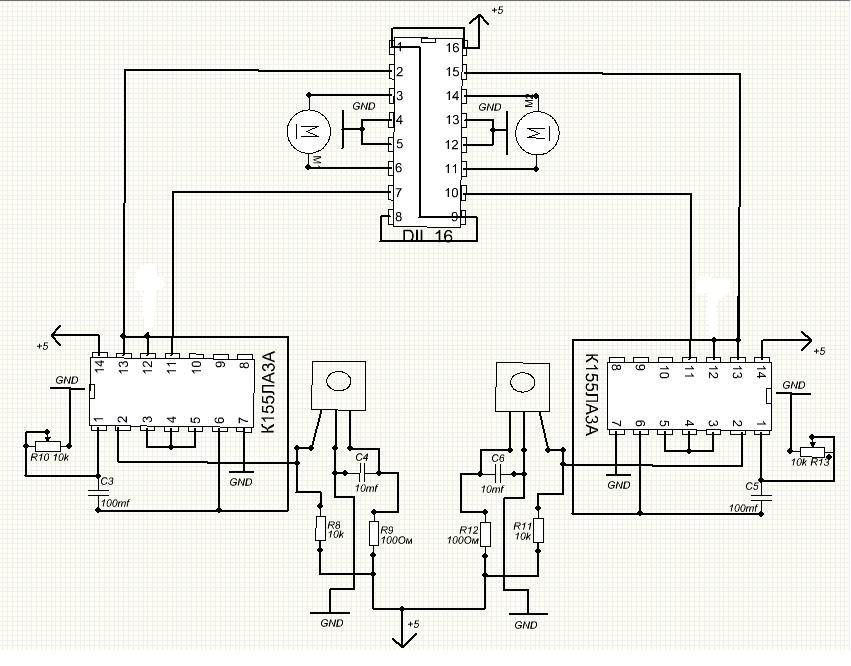
1. Вторая микросхема 155ЛА3 (та что справа), нарисована с вывернутыми на изнанку выводами.
2. Если ТСОП-ы нарисованы с лицевой стороны, тогда выводы у левого тоже в зеркальном виде.
3. Емкость конденсаторов обозначается в микрофарадах, значит надо писать мкф, а не миллифарады как у тебя.
Вывод: если взялся чего-то рисовать, а тем более для кого-то, рисуй без ошибок!!!

Сейчас этот форум просматривают: Google [Bot] и гости: 0