А TSOP-ы и тогда были, как сейчас помню




MegaBIZON писал(а):Поподробнее бы про это добро. И ссылочку хоцца, де взял.
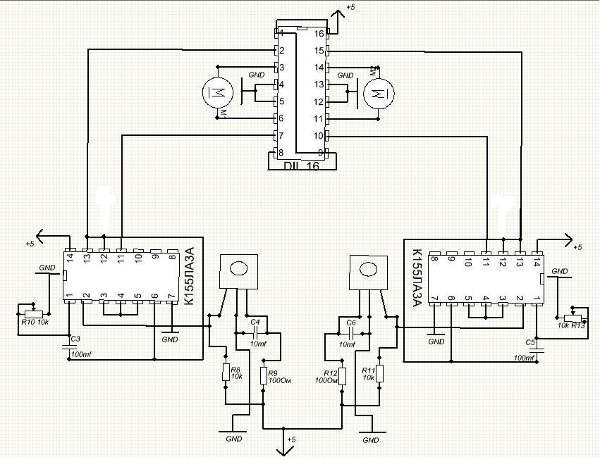
yak-40 писал(а):2кулер 23:
1. Вторая микросхема 155ЛА3 (та что справа), нарисована с вывернутыми на изнанку выводами.
2. Если ТСОП-ы нарисованы с лицевой стороны, тогда выводы у левого тоже в зеркальном виде.
3. Емкость конденсаторов обозначается в микрофарадах, значит надо писать мкф, а не миллифарады как у тебя.
Вывод: если взялся чего-то рисовать, а тем более для кого-то, рисуй без ошибок!!!

Сейчас этот форум просматривают: нет зарегистрированных пользователей и гости: 6