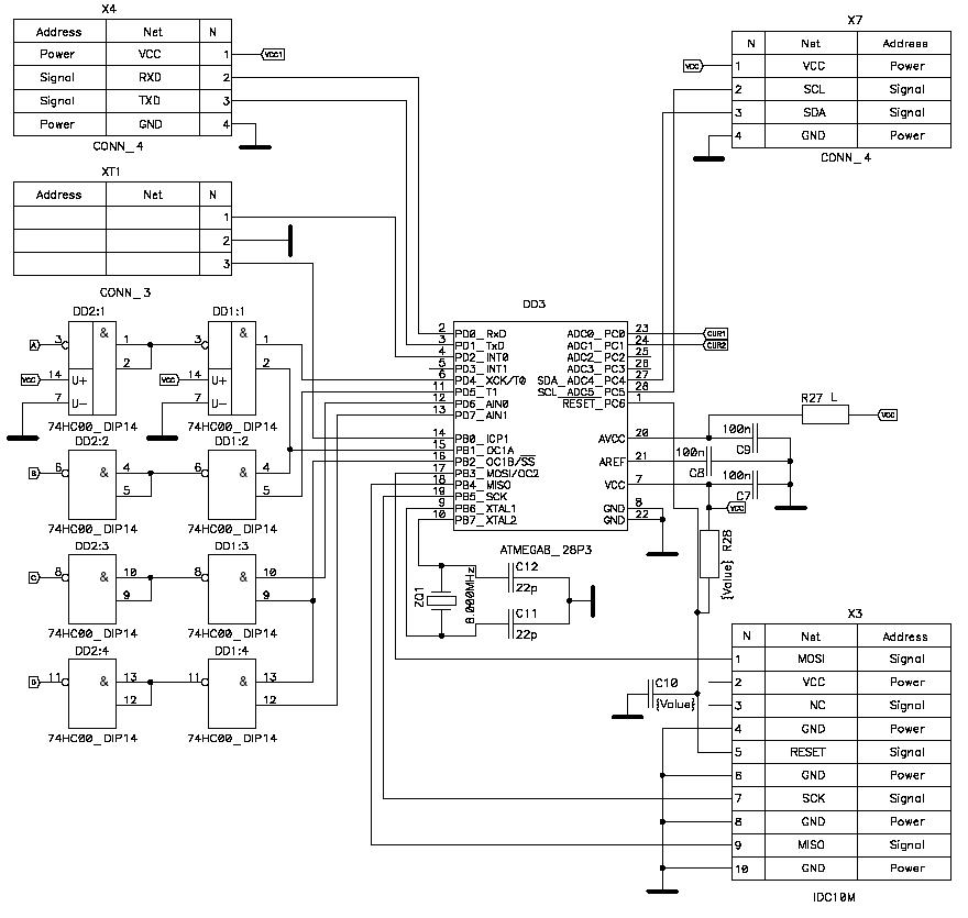
вот думаю тут драйвер шаговика.. оцените ) пока хочу макетик собрать ...
и кстати, а чего на меге, а не на специализированных микросхемах?

Он без оптопар !nest писал(а):что то не пойму... Duhas, а нафига ?
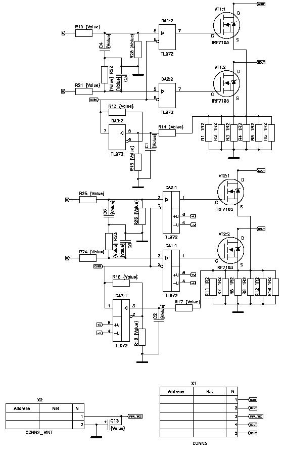
есть же готовый:
.

Сейчас этот форум просматривают: нет зарегистрированных пользователей и гости: 6