Регулятор громкости с моторчиком + МК = привод с экондером

Обсуждаем рождающиеся мысли и результаты экспериментов.

Регулятор громкости с моторчиком + МК = привод с экондером

Сообщение Валерос » 09 мар 2009, 20:52

Всем привет. Давно не "виделись". Выдалась свободная минутка...
Раньше были такие устройства в аудиоусилителях с пультом управления, к переменному резистору с заду прикручивали моторчик с редуктором, потом крутили этот резистор не вставая с дивана и регулировали громкость звука.
Ну вот собственно валяются парочку. Хочется приделать к ним управление на МК с обратной связью, потом использовать в качестве привода на колёса или вращения башки с датчиками или ещё как.. :crazy:
Какие будут ваши идеи или советы или посылки на ссылки?
Вложения
DSC02519.JPG
DSC02515.JPG
DSC02516.JPG
DSC02520.JPG
DSC02520.JPG (32.63 КиБ) Просмотров: 3825
Последний раз редактировалось Валерос 10 мар 2009, 00:01, всего редактировалось 1 раз.
"Когда много спрашивают - мало думают и плохо помнят" М.Горький
Аватара пользователя
Валерос
 
Сообщения: 364
Зарегистрирован: 30 сен 2006, 19:05
Откуда: Санкт-Петербург

Re: Регулятор громкости с моторчиком + МК = привод с экондером

Сообщение =DeaD= » 09 мар 2009, 21:05

Это же почти серва :crazy: редуктор есть, потенциометр тоже!
Проект [[Open Robotics]] - Универсальные модули для построения роботов
Аватара пользователя
=DeaD=
 
Сообщения: 24218
Зарегистрирован: 06 окт 2004, 18:01
Откуда: Ебург
прог. языки: C++ / PHP / 1C
ФИО: Антон Ботов

Re: Регулятор громкости с моторчиком + МК = привод с экондером

Сообщение Валерос » 09 мар 2009, 21:11

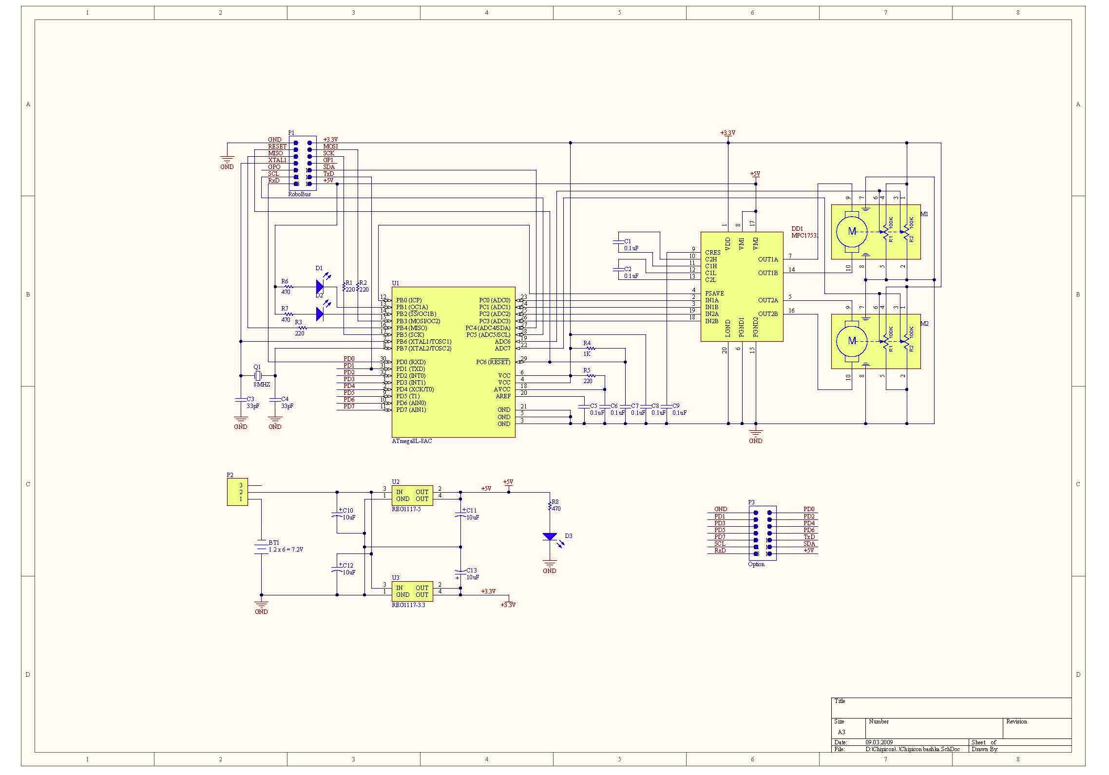
Вот тут схемку набросал... Прошу конструктивной критики.
Вложения
Chipicon bashka_Page_1.jpg
Chipicon bashka.pdf
(259.75 КиБ) Скачиваний: 22
"Когда много спрашивают - мало думают и плохо помнят" М.Горький
Аватара пользователя
Валерос
 
Сообщения: 364
Зарегистрирован: 30 сен 2006, 19:05
Откуда: Санкт-Петербург

Re: Регулятор громкости с моторчиком + МК = привод с экондером

Сообщение EdGull » 09 мар 2009, 21:19

1. уверен что 1117 потянут движки?
2. кварц лучше поставить 7.37
Аватара пользователя
EdGull
 
Сообщения: 10211
Зарегистрирован: 28 дек 2004, 20:33
Откуда: Тольятти
Skype: Ed_Gull
прог. языки: Bascom AVR Basic
ФИО: Гуль Эдуард Викторович

Re: Регулятор громкости с моторчиком + МК = привод с экондером

Сообщение yak-40 » 09 мар 2009, 21:36

В этих устройствах надо заблокировать фрикционный механизм
позволяющий вручную крутить потенциометры.
Иначе при увеличении нагрузки, редуктор будет прокручиваться.
- Этот человек - не человек! это робот!
- Как? уже делают?!
- Делают!!!
Аватара пользователя
yak-40
 
Сообщения: 3037
Зарегистрирован: 23 окт 2007, 22:03
Откуда: Москва
прог. языки: С
ФИО: Евгений Яковец

Re: Регулятор громкости с моторчиком + МК = привод с экондером

Сообщение avr123.nm.ru » 09 мар 2009, 22:11

Может схему с http://openservo.org использовать ?

Добавлено спустя 33 минуты 33 секунды:
Я бы конденсаторы поставил по 10 нФ на входы АЦП с переменников.

Что будет с напругой когда АКБ разрядятся до 1 вольта ?
Аватара пользователя
avr123.nm.ru
отсылающий читать курс
 
Сообщения: 14195
Зарегистрирован: 06 ноя 2005, 04:18
Откуда: Москва

Re: Регулятор громкости с моторчиком + МК = привод с экондером

Сообщение Валерос » 09 мар 2009, 23:13

EdGull писал(а):1. уверен что 1117 потянут движки?
2. кварц лучше поставить 7.37

1.Движки я там заменил, уже стоят не родные. Стояли на 4-6V поставил на 1-1,5V (кажысь), ток померял без нагрузки 0,15А, под нагрузкой (застопорить выходной вал не удалось, слишком хорош редуктор) доходит до 0,7А. Ну а 1117 декларируют 0,8А, а 1117А до 1А.
2. А чем лучше этот кварц? Надо поразведать. Это пока схема из того что дома валяется... :oops:

Добавлено спустя 2 минуты 57 секунд:
yak-40 писал(а):В этих устройствах надо заблокировать фрикционный механизм
позволяющий вручную крутить потенциометры.
Иначе при увеличении нагрузки, редуктор будет прокручиваться.

Уже заблокировал, там если присмотреться стоят металические штырьки-стопора поперёк червячной шестерёнки... Да и еще убрал стопор с переменных резисторов, теперь оно крутится без ограничений. :ROFL:

Добавлено спустя 16 минут 56 секунд:
avr123.nm.ru писал(а):Может схему с http://openservo.org использовать ?

Добавлено спустя 33 минуты 33 секунды:
Я бы конденсаторы поставил по 10 нФ на входы АЦП с переменников.

Что будет с напругой когда АКБ разрядятся до 1 вольта ?

Openservo принято к сведению, спасибо. 10нф принято, там ещё напрасилось 0,1мф паралельно этим резисторам. А что будет по снижению напруги? Там LDO стоит, ему разница между Vin и Vout нужна 250mV. Может и хватит 6V для питания ентой схемы, а что будет когда АКБ снизится до 0,8V?
"Когда много спрашивают - мало думают и плохо помнят" М.Горький
Аватара пользователя
Валерос
 
Сообщения: 364
Зарегистрирован: 30 сен 2006, 19:05
Откуда: Санкт-Петербург

Re: Регулятор громкости с моторчиком + МК = привод с экондером

Сообщение Кирилл » 10 мар 2009, 01:13

Валерос писал(а): 2. А чем лучше этот кварц?

с таким кварцем процент ошибок при передачи по уарту минимальный
Кирилл
 
Сообщения: 432
Зарегистрирован: 20 окт 2005, 16:11
Откуда: Вильнюс,Литва
прог. языки: Basic

Re: Регулятор громкости с моторчиком + МК = привод с экондером

Сообщение Валерос » 10 мар 2009, 01:17

avr123.nm.ru писал(а):Что будет с напругой когда АКБ разрядятся до 1 вольта ?

Наверное намекаешь на супервизор?
"Когда много спрашивают - мало думают и плохо помнят" М.Горький
Аватара пользователя
Валерос
 
Сообщения: 364
Зарегистрирован: 30 сен 2006, 19:05
Откуда: Санкт-Петербург

Re: Регулятор громкости с моторчиком + МК = привод с экондером

Сообщение FireFly » 10 мар 2009, 03:01

блин... твой таракан на аватаре под пивом вызывает желание хряснуть тапком по монитору :D
Домашняя робототехника - RoboZone.SU
горючее...- пиво... много... :)
Аватара пользователя
FireFly
 
Сообщения: 1576
Зарегистрирован: 19 июн 2005, 18:27
Откуда: Камышин

Re: Регулятор громкости с моторчиком + МК = привод с экондером

Сообщение Валерос » 10 мар 2009, 11:05

FireFly писал(а):блин... твой таракан на аватаре под пивом вызывает желание хряснуть тапком по монитору :D

Я его тоже раньше хлопал... :Yahoo!:
"Когда много спрашивают - мало думают и плохо помнят" М.Горький
Аватара пользователя
Валерос
 
Сообщения: 364
Зарегистрирован: 30 сен 2006, 19:05
Откуда: Санкт-Петербург

Re: Регулятор громкости с моторчиком + МК = привод с экондером

Сообщение nest » 10 мар 2009, 20:50

Кирилл писал(а):
Валерос писал(а):2. А чем лучше этот кварц?
с таким кварцем процент ошибок при передачи по уарту минимальный


да не забивайте голову детям этой мурой : ) видно же, что он не будет там гонять пакеты длинной в сотню байт. ему и до пакетов то далеко. а то будет только напрасно бедных продавцов в окружних деревнях требушить на тему "нужного кварца".

и ерунда это про кварц не только сюда относится. если пакет короткий, то не успеет уплыть синхронизация настолько, что б потерять байтик. а вы это везде политизируете : )

Валерос, ставь кварц какой есть.
Аватара пользователя
nest
 
Сообщения: 977
Зарегистрирован: 21 янв 2005, 12:16
Откуда: Germany
прог. языки: asm

Re: Регулятор громкости с моторчиком + МК = привод с экондером

Сообщение Валерос » 10 мар 2009, 21:11

Ты прав мне ещё далековато до пакетов длинною в сотню байт... а такие кварцы в нашей деревне есть вот тут по 7,37 :D рубликов...
Последний раз редактировалось EdGull 11 мар 2009, 09:53, всего редактировалось 1 раз.
Причина: Излишнее цитирование!!!
"Когда много спрашивают - мало думают и плохо помнят" М.Горький
Аватара пользователя
Валерос
 
Сообщения: 364
Зарегистрирован: 30 сен 2006, 19:05
Откуда: Санкт-Петербург

Re: Регулятор громкости с моторчиком + МК = привод с экондером

Сообщение boez » 11 мар 2009, 00:51

Ага. Только вот если кто помнит, ком-порт (уарт) - это асинхронный канал :) Он ресинхронизируется в начале каждого байта, по старт-биту. Так что зависимость от длины пакета чисто вероятностная - типа, если вероятность ошибки в одном байте 1%, то в пакете из 10 байт - около 10%. Прямого накопления ошибки синхронизации нет.
boez
 
Сообщения: 1981
Зарегистрирован: 27 авг 2008, 10:45
Откуда: Харьков
прог. языки: С/С++

Re: Регулятор громкости с моторчиком + МК = привод с экондером

Сообщение Валерос » 12 мар 2009, 02:12

Ну вот, после ваших возлияний и наставлений (пока жена спит, а любовница в другом городе), причесал схемку... Выношу на суд. Пока рисую за одно изучаю новый для меня инструмент Altium Designer Winter 09. Скажу чесно - я в восторге, что есть такие штуки, существенно облегчающие труд или хобби. Приятно работать (это не реклама). А какие там библиотеки, закачаешся!
Так вот после компиляции проекта схемы, что-то он(Altium) ругается на 19 и 22 ножку megi, мол что-то я не так насоединял. Там ADС6 и ADС7... Может их как-то по особенному надо подключать? Пойду почитаю даташит.
Вложения
Chipicon bashka.pdf
(280.46 КиБ) Скачиваний: 17
Chipicon bashka_Page_1.jpg
"Когда много спрашивают - мало думают и плохо помнят" М.Горький
Аватара пользователя
Валерос
 
Сообщения: 364
Зарегистрирован: 30 сен 2006, 19:05
Откуда: Санкт-Петербург

След.

Вернуться в Идеи

Кто сейчас на конференции

Сейчас этот форум просматривают: нет зарегистрированных пользователей и гости: 0

cron