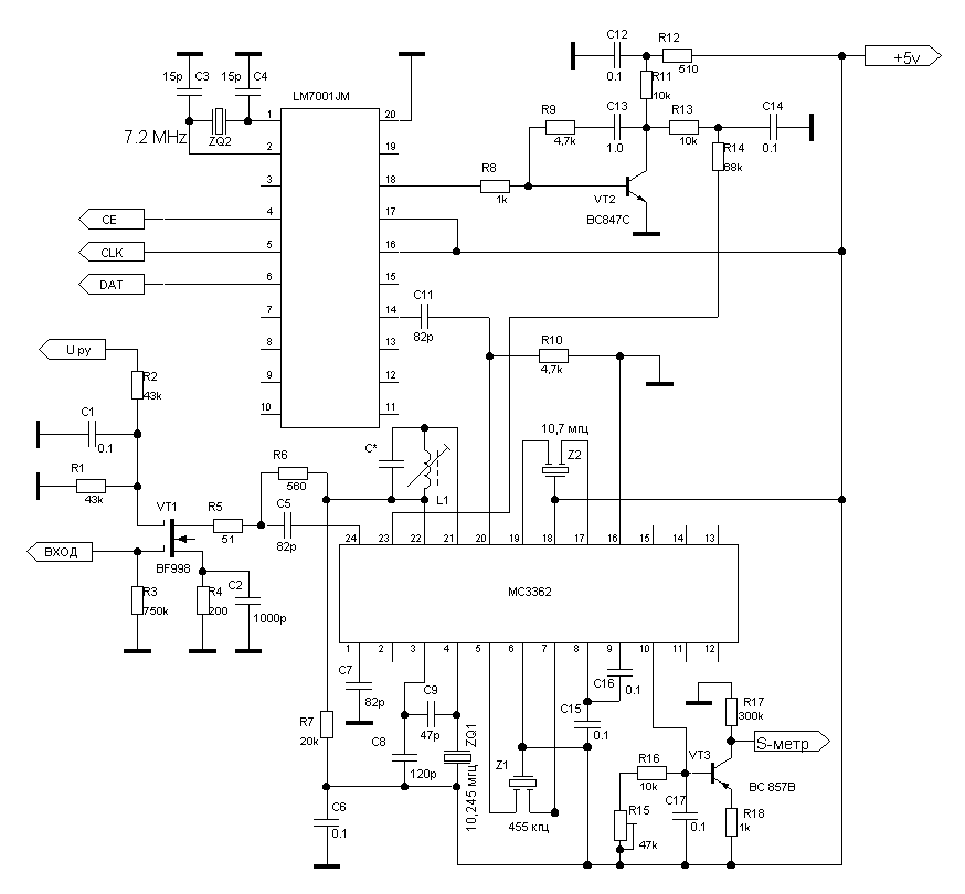
Схема мозга и измерителного блока внизу.
код прошивки
!!! Вот вчем загвоздка, вопервых код написан на С ( я его непонимаю ), вовторых в нем много много "рудиментов" (на основе другова устройства). А мне хотелосьбы все переделать под Васик. Помогите пожалуста ...

Добавлено спустя 8 минут 58 секунд:
Да еше.... Я очень извеняюсь, но это единственый нормальный форум где можно найти много стоящего. И извеняюсь что ето не относитца к тематике форума. Надеюсь на вашу подержку
Модератор Vooon:Чтоб я больше такого не видел!
Длинный код только аттачем!

Voooon просто скопировал, заархивировал и выложил вместо сплошного текста