roboforum.ru

Технический форум по робототехнике.


Проект Accelerometer для RoboBus.

Обсуждаем рождающиеся мысли и результаты экспериментов.

Проект Accelerometer для RoboBus.

Сообщение SkyStorm » 14 ноя 2008, 15:41

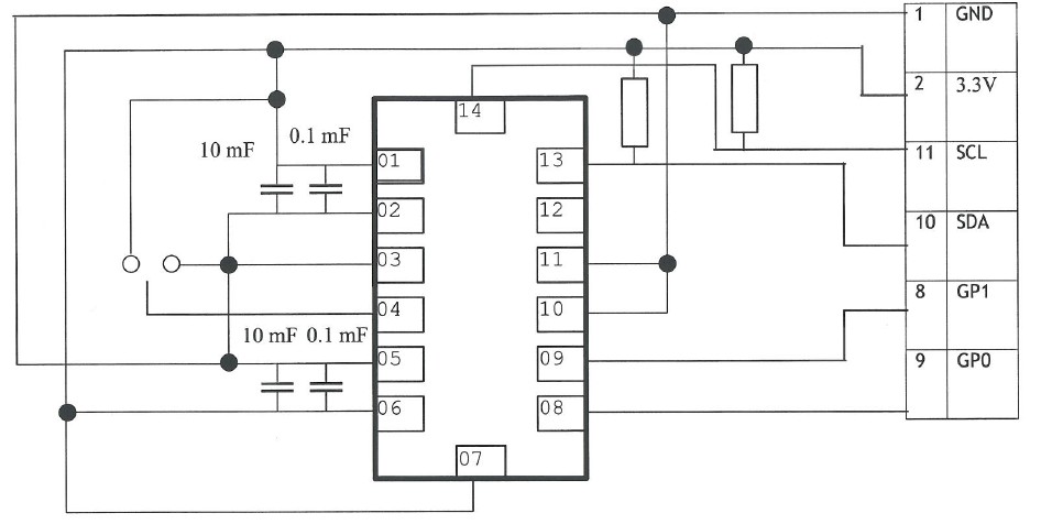
Проект Digital 3D Accelerometer для RoboBus на основе MMA7455L. Взаимодействие по I2C.
Вложения
MMA7455L.pdf
(469.84 КиБ) Скачиваний: 29
MMA7455L.jpg
Никто кроме нас!!!
4Robots.ru - Все для роботов!
Аватара пользователя
SkyStorm
 
Сообщения: 2687
Зарегистрирован: 05 фев 2008, 15:33
Откуда: St. Petersburg - Moscow
Skype: SkyStorm77
ФИО: Костюк Константин Вячеславович

Re: Проект Accelerometer для RoboBus.

Сообщение blindman » 14 ноя 2008, 15:43

Тут разъем RoboBus наверно не к месту будет - большой слишком. Просто 4 пина вывести и все.
Проект [[Open Robotics]] - универсальные модули для построения роботов
Модули Open Robotics можно приобрести в магазине shop.roboforum.ru

Day OFF? You must be pulling my leg! Stop making humor before someone sees you, fool!

Аватара пользователя
blindman
 
Сообщения: 4130
Зарегистрирован: 29 апр 2008, 21:15
Откуда: Хабаровск
прог. языки: C,C++,Assembler,PHP,Javascript,Ruby, SPIN,Java(?)
ФИО: Андрей Юрьевич

Re: Проект Accelerometer для RoboBus.

Сообщение =DeaD= » 14 ноя 2008, 17:42

Смотря куда юзать. Так то не очень большой.
Проект [[Open Robotics]] - Универсальные модули для построения роботов
Аватара пользователя
=DeaD=
 
Сообщения: 24218
Зарегистрирован: 06 окт 2004, 18:01
Откуда: Ебург
прог. языки: C++ / PHP / 1C
ФИО: Антон Ботов

Re: Проект Accelerometer для RoboBus.

Сообщение blindman » 14 ноя 2008, 17:45

Я имею в виду, что великоват для платы на которой микруха 3х5 мм и несколько резисторов
Проект [[Open Robotics]] - универсальные модули для построения роботов
Модули Open Robotics можно приобрести в магазине shop.roboforum.ru

Day OFF? You must be pulling my leg! Stop making humor before someone sees you, fool!

Аватара пользователя
blindman
 
Сообщения: 4130
Зарегистрирован: 29 апр 2008, 21:15
Откуда: Хабаровск
прог. языки: C,C++,Assembler,PHP,Javascript,Ruby, SPIN,Java(?)
ФИО: Андрей Юрьевич

Re: Проект Accelerometer для RoboBus.

Сообщение =DeaD= » 14 ноя 2008, 17:49

Да ну может и фиг - вот куда его юзать будут? Сделать конечно можно урезанный разъем, но иногда лучше уж сохранить унификацию, чем гоняться за правильными размерами в каждом случае. Надо тогда в робобас добавить спецификацию на какой-то более мелкий разъем.

Есть теоретически IDC6-2.0 - малюсенькие такие, шаг контактов 2мм.
Проект [[Open Robotics]] - Универсальные модули для построения роботов
Аватара пользователя
=DeaD=
 
Сообщения: 24218
Зарегистрирован: 06 окт 2004, 18:01
Откуда: Ебург
прог. языки: C++ / PHP / 1C
ФИО: Антон Ботов

Re: Проект Accelerometer для RoboBus.

Сообщение EdGull » 14 ноя 2008, 18:01

а на какой шлейф вы их накалывать будете?
Аватара пользователя
EdGull
 
Сообщения: 10211
Зарегистрирован: 28 дек 2004, 20:33
Откуда: Тольятти
Skype: Ed_Gull
прог. языки: Bascom AVR Basic
ФИО: Гуль Эдуард Викторович

Re: Проект Accelerometer для RoboBus.

Сообщение =DeaD= » 14 ноя 2008, 18:08

Хороший вопрос :)
Проект [[Open Robotics]] - Универсальные модули для построения роботов
Аватара пользователя
=DeaD=
 
Сообщения: 24218
Зарегистрирован: 06 окт 2004, 18:01
Откуда: Ебург
прог. языки: C++ / PHP / 1C
ФИО: Антон Ботов

Re: Проект Accelerometer для RoboBus.

Сообщение FireFly » 14 ноя 2008, 19:03

хороший весч, нужный, тока вот робобас ИМХО тут не в тему ваще :)
Домашняя робототехника - RoboZone.SU
горючее...- пиво... много... :)
Аватара пользователя
FireFly
 
Сообщения: 1576
Зарегистрирован: 19 июн 2005, 18:27
Откуда: Камышин

Re: Проект Accelerometer для RoboBus.

Сообщение Сергей » 14 ноя 2008, 23:37

Предлагаю разработать РобоБасМини :D
Сергей
 
Сообщения: 3744
Зарегистрирован: 29 дек 2004, 23:15
Откуда: Санкт-Петербург
прог. языки: C, C++, C#, Asm
ФИО: Кашликов Сергей

Re: Проект Accelerometer для RoboBus.

Сообщение =DeaD= » 15 ноя 2008, 00:50

2blindman: А зачем кроме i2c еще 2 пина?
Проект [[Open Robotics]] - Универсальные модули для построения роботов
Аватара пользователя
=DeaD=
 
Сообщения: 24218
Зарегистрирован: 06 окт 2004, 18:01
Откуда: Ебург
прог. языки: C++ / PHP / 1C
ФИО: Антон Ботов

Re: Проект Accelerometer для RoboBus.

Сообщение blindman » 15 ноя 2008, 01:45

Питание и земля - это же очевидно :)
Проект [[Open Robotics]] - универсальные модули для построения роботов
Модули Open Robotics можно приобрести в магазине shop.roboforum.ru

Day OFF? You must be pulling my leg! Stop making humor before someone sees you, fool!

Аватара пользователя
blindman
 
Сообщения: 4130
Зарегистрирован: 29 апр 2008, 21:15
Откуда: Хабаровск
прог. языки: C,C++,Assembler,PHP,Javascript,Ruby, SPIN,Java(?)
ФИО: Андрей Юрьевич

Re: Проект Accelerometer для RoboBus.

Сообщение =DeaD= » 15 ноя 2008, 10:38

Фу блин, я почему-то думал что первый пост твой :) я про GP0 и GP1 :)
Проект [[Open Robotics]] - Универсальные модули для построения роботов
Аватара пользователя
=DeaD=
 
Сообщения: 24218
Зарегистрирован: 06 окт 2004, 18:01
Откуда: Ебург
прог. языки: C++ / PHP / 1C
ФИО: Антон Ботов

Re: Проект Accelerometer для RoboBus.

Сообщение SkyStorm » 17 ноя 2008, 11:42

blindman писал(а):Тут разъем RoboBus наверно не к месту будет - большой слишком. Просто 4 пина вывести и все.


А у Минибота кроме IDC14 разьемов нет. Поэтому просто пины не катят.

=DeaD= писал(а):2blindman: А зачем кроме i2c еще 2 пина?(GP0, GP1)


Это специальные пины которые генерируют Interapts на события. Програмируются через регистры I2C.
Например:
На основании выстановленых параметров определяется что акселератор пришел в движение и генерируется прерывание.
Тогда запускаем сеанс чтения значений направления и ускорения.
Вложения
AN3468_for_MMA7455.pdf
(551.08 КиБ) Скачиваний: 29
Никто кроме нас!!!
4Robots.ru - Все для роботов!
Аватара пользователя
SkyStorm
 
Сообщения: 2687
Зарегистрирован: 05 фев 2008, 15:33
Откуда: St. Petersburg - Moscow
Skype: SkyStorm77
ФИО: Костюк Константин Вячеславович

Re: Проект Accelerometer для RoboBus.

Сообщение =DeaD= » 17 ноя 2008, 11:52

Я за IDC-14, на миниботе-2.0 он тоже будет.
Проект [[Open Robotics]] - Универсальные модули для построения роботов
Аватара пользователя
=DeaD=
 
Сообщения: 24218
Зарегистрирован: 06 окт 2004, 18:01
Откуда: Ебург
прог. языки: C++ / PHP / 1C
ФИО: Антон Ботов


Вернуться в Идеи

Кто сейчас на конференции

Сейчас этот форум просматривают: нет зарегистрированных пользователей и гости: 0

cron