



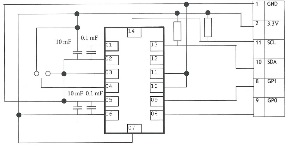
я про GP0 и GP1 
blindman писал(а):Тут разъем RoboBus наверно не к месту будет - большой слишком. Просто 4 пина вывести и все.
=DeaD= писал(а):2blindman: А зачем кроме i2c еще 2 пина?(GP0, GP1)
Сейчас этот форум просматривают: нет зарегистрированных пользователей и гости: 0