протокол связи беспроводных датачиков для метеостанций

Обсуждаем рождающиеся мысли и результаты экспериментов.

протокол связи беспроводных датачиков для метеостанций

Сообщение Myp » 18 апр 2008, 17:16

есть вот такие девайсы

Изображение
мало того что они сами по себе очень удобно показывают температуру на улице(с внешнего сенсора на длинном проводке который высовывается на улицу), так они ещё и по 433 мГц передают информацию на базу(если есть)


так вот может кто знает какой там протокол?
идея в том чтобы присандалить к компьютеру приёмник на 433 мГц
и у себя на компе намутить програмку которая будет показывать температуру воздуха на улице :)


ктото скажет что можно просто датчик приделать
но я отвечу что 10 метров провода до датчика на балконе тянуть не прикольно)

короче это была ещё одна бредовая идеяна всякий случай записал вдруг кому понравится)
<telepathmode>На вопросы отвечает Бригадир Телепатов!</telepathmode>
Всё уже придумано до нас!
Аватара пользователя
Myp
скрытый хозяин вселенной :)
 
Сообщения: 18018
Зарегистрирован: 18 сен 2006, 12:26
Откуда: Тверь по прозвищу Дверь
прог. языки: псевдокод =) сила в алгоритме!
ФИО: глубокоуважаемый Фёдор Анатольевич

Re: протокол связи беспроводных датачиков для метеостанций

Сообщение -= Александр =- » 18 апр 2008, 17:45

А зачем такой гемор? DS18S20 или как ее там, пара метров провода и в LPT-порт. Стоит копейки, внешнего питания не просит и прогу за вечер напишешь.
Ниндзя - круче всех. Они умеют ходить по воде, делить на ноль и угадывать шаффл в АйПоде.
Аватара пользователя
-= Александр =-
Мастер Самоделкин
 
Сообщения: 3678
Зарегистрирован: 11 окт 2004, 19:20
Откуда: Россия, СПб
прог. языки: C/C++, Python, asm
ФИО: Курмис Александр Андреевич

Re: протокол связи беспроводных датачиков для метеостанций

Сообщение Myp » 18 апр 2008, 18:37

:lol: :lol: :lol: :lol:
ну не зря же я телепат

яж даже заранее написал
чтоб любители втыкать термодатчики на проводах в комп не беспоились потому что мне эта хрень нафик не нужна

издеваешься чтоли? по квартире метров 10 тащить лапши да ещё на балкон пропихивать
ради какогото там градусника? данунах

для этого умные люди придумали радиоволны!!!
<telepathmode>На вопросы отвечает Бригадир Телепатов!</telepathmode>
Всё уже придумано до нас!
Аватара пользователя
Myp
скрытый хозяин вселенной :)
 
Сообщения: 18018
Зарегистрирован: 18 сен 2006, 12:26
Откуда: Тверь по прозвищу Дверь
прог. языки: псевдокод =) сила в алгоритме!
ФИО: глубокоуважаемый Фёдор Анатольевич

Re: протокол связи беспроводных датачиков для метеостанций

Сообщение EdGull » 18 апр 2008, 18:41

мне бы тоже было бы интересно узнать
Аватара пользователя
EdGull
 
Сообщения: 10211
Зарегистрирован: 28 дек 2004, 20:33
Откуда: Тольятти
Skype: Ed_Gull
прог. языки: Bascom AVR Basic
ФИО: Гуль Эдуард Викторович

Re: протокол связи беспроводных датачиков для метеостанций

Сообщение -= Александр =- » 18 июл 2008, 18:48

Берем осцил и антенну - рамку и смотрим что из этого датчика лезет. А там уже пытаемся понять на какой оно частоте и какая модуляция...
Ниндзя - круче всех. Они умеют ходить по воде, делить на ноль и угадывать шаффл в АйПоде.
Аватара пользователя
-= Александр =-
Мастер Самоделкин
 
Сообщения: 3678
Зарегистрирован: 11 окт 2004, 19:20
Откуда: Россия, СПб
прог. языки: C/C++, Python, asm
ФИО: Курмис Александр Андреевич

Re: протокол связи беспроводных датачиков для метеостанций

Сообщение sandro » 21 июл 2008, 23:23

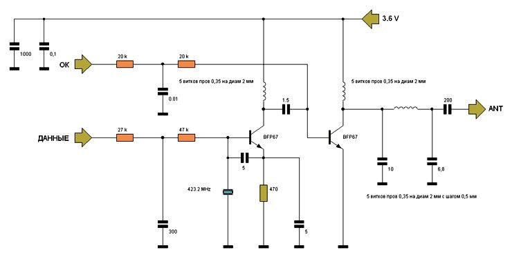
Не,с осцилом и антенкой "ловить" тут нечего. 18В20 и им подобные имеют однопроводной интерфейс(1Wire______www.maxim-ic.com/products/1-wire/ ),и посему тут очевидным видется такая структура(я не дюжий програмист,но знаю о че спик)---------имееется 18В20 или подобный,контроллер,к примеру 89С2051,и все это имеет связь через УАРТ с кампом.Прогу как для 89С так и для кампа думаю по силам написать.Так вот в разрыв между контроллером и УАРТом втыкается приемо-передающее устройство,будь то радио или ИК-лучи,не важно.
Вложения
рисунок (2).jpg
приемник 433 Мгц
рисунок (1).jpg
передатчик на 433 Мгц
Аватара пользователя
sandro
 
Сообщения: 67
Зарегистрирован: 01 апр 2008, 02:29
Откуда: Тирасполь

Re: протокол связи беспроводных датачиков для метеостанций

Сообщение Myp » 21 июл 2008, 23:32

эт всё понятно, там даже программить собсно нечего

академический интерес посмотреть как оно у буржуев сделано)
дабы например не замарачиваясь с проектирование производством девайсов купить партию готовых датчиков, спаять 1 приёмник для компа и наслаждаться

тоесть купить за деньги красивые коробочки и с минимум стараний прицепить к компу
взять за это с клиента деньги и отдыхать в куршавеле =)
концепция умного дома и всё такое... :D
<telepathmode>На вопросы отвечает Бригадир Телепатов!</telepathmode>
Всё уже придумано до нас!
Аватара пользователя
Myp
скрытый хозяин вселенной :)
 
Сообщения: 18018
Зарегистрирован: 18 сен 2006, 12:26
Откуда: Тверь по прозвищу Дверь
прог. языки: псевдокод =) сила в алгоритме!
ФИО: глубокоуважаемый Фёдор Анатольевич

Re: протокол связи беспроводных датачиков для метеостанций

Сообщение sandro » 23 июл 2008, 03:29

К Бабке не ходи,по этому принципу и сделано,отличия тока в частоте и конструкции могут быть.Я например,ставил как-то беспроводную видеокамеру со звуком,на 2.4 Ггц работала на акамулике от НОКИИ ,кажись BD-3.Заявленый радиус 200-250 метров,но это в полевых усл.,а по небольшому домику------то что доктор прописал!!!! :good:
Аватара пользователя
sandro
 
Сообщения: 67
Зарегистрирован: 01 апр 2008, 02:29
Откуда: Тирасполь


Вернуться в Идеи

Кто сейчас на конференции

Сейчас этот форум просматривают: нет зарегистрированных пользователей и гости: 0

cron