Arduino CNC

Обсуждаем рождающиеся мысли и результаты экспериментов.

Re: Arduino CNC

Сообщение ALS » 03 фев 2016, 20:06

Да простит меня robovan :)
Цеха за это время появились. Но проблема в том, что взрывной характер последних двух лет после 20 с лишним лет спячки - тоже не всегда хорошо. Они все (цеха) заняты под завязку и приткнуться туда с каким-то небольшим по их меркам заказом нет никакой возможности.
Надо или доплачивать, чтоб им "было интересно", или не доплачивать, но ждать, когда у них появится время (в последний раз это было 2 месяца), или искать исполнителей на материке (на том же cnc-club, например).
Аватара пользователя
ALS
 
Сообщения: 803
Зарегистрирован: 24 окт 2011, 23:32
Откуда: Севастополь
прог. языки: асм

Re: Arduino CNC

Сообщение Angel71 » 03 фев 2016, 21:30

новые цеха это только в плюс - денюжка по месту крутиться, меньше импорта, с ростом конкуренции могут побадаться ценами, качеством, расширением услуг и т.д. ))) лучше побухтеть, что выходит дороже, чем хочется, но когда вообще ничего нет и крайне проблематично хотя бы прототип запилить, так это намного хуже. ))) низкий поклон "соседям" и западу - лучшего подарка для развития местного мелкого бизнеса и придумать сложно. у вас энергосистема и мост, у нас та же адаптация логистики - погодь чуток, будет чуть попроще с некоторыми вещами. :) кстати о птичках - у китайцев з/п растут, ещё проще стало с ними конкурировать. обрати внимание на те же объёмные и тяжелые товары, иногда их низкие цены накрываются медным тазом из-за стоимости доставки. ладно, завязываем офтопить.
Аватара пользователя
Angel71
 
Сообщения: 10668
Зарегистрирован: 18 апр 2009, 22:18

Re: Arduino CNC

Сообщение robovan » 04 фев 2016, 00:56

Да хватить тут офтопить)))
А то я читал, читал, ничего нового не узнал, печалька одна)))
Седня еще раз заходил к ребятам, поживился кое чем.
Блок питания от старого НР принтера.
32В 1,5А

Добавлено спустя 2 часа 52 минуты 5 секунд:

во как люди делают :crazy:
а я парюсь доски не той формы :D :D
Вложения
TqvOzvUdqKg.jpg
Самое важное в жизни- найти человека , который смотрит на мир, так же как и ты:)
Аватара пользователя
robovan
 
Сообщения: 1536
Зарегистрирован: 04 сен 2012, 00:39
Откуда: Украина
ФИО: Владимир

Re: Arduino CNC

Сообщение Madf » 04 фев 2016, 12:28

ахринеть, из картона! :D
Madf
 
Сообщения: 3298
Зарегистрирован: 03 янв 2012, 12:55
Откуда: Москва
прог. языки: VB6, BASCOM, ASM...

Re: Arduino CNC

Сообщение robovan » 04 фев 2016, 16:16

хорошо хоть не из картофана))
Самое важное в жизни- найти человека , который смотрит на мир, так же как и ты:)
Аватара пользователя
robovan
 
Сообщения: 1536
Зарегистрирован: 04 сен 2012, 00:39
Откуда: Украина
ФИО: Владимир

Re: Arduino CNC

Сообщение robovan » 04 фев 2016, 21:43

сегодня решил настроить двигатели, но немного обломался, при изменении настроек в grbl, пишет мне invalid statement и не меняет значение((
ААА понял в консоли вручную вводится, от неудобство блин :(
Самое важное в жизни- найти человека , который смотрит на мир, так же как и ты:)
Аватара пользователя
robovan
 
Сообщения: 1536
Зарегистрирован: 04 сен 2012, 00:39
Откуда: Украина
ФИО: Владимир

Re: Arduino CNC

Сообщение robovan » 05 фев 2016, 02:01

наткнулся в инете на интересный проект
там продают пульты для чпу на ардуино. По типу dsp контроллеров.
Вложения
Ey9bTJdvOiU.jpg
_IUJLymdY-s.jpg
SOzAvK7OZn4.jpg
XSwDaRb4dYg.jpg
Самое важное в жизни- найти человека , который смотрит на мир, так же как и ты:)
Аватара пользователя
robovan
 
Сообщения: 1536
Зарегистрирован: 04 сен 2012, 00:39
Откуда: Украина
ФИО: Владимир

Re: Arduino CNC

Сообщение ALS » 05 фев 2016, 04:00

Реальные пацаны пользуют штурвалы.
А эти даже инфу на дисплей по-людски вывести не могут : у них и так места мало, а они еще и никчемные х= у= z= туда впендюрили.
Если выводить просто 3 координаты, неужели есть хоть какой-то шанс их перепутать ?

А, впрочем, для ардуинщиков это и так круто.
Аватара пользователя
ALS
 
Сообщения: 803
Зарегистрирован: 24 окт 2011, 23:32
Откуда: Севастополь
прог. языки: асм

Re: Arduino CNC

Сообщение ilalexey » 05 фев 2016, 11:40

robovan писал(а):наткнулся в инете на интересный проект
там продают пульты для чпу на ардуино. По типу dsp контроллеров.

А какое у них подключение? С какой программой дружит(emc/mach)? Для грбл скорее всего не прокатит.
Я для этих целей ребёнка использовал :)
Есть такой ещё проект http://generichid.sourceforge.net ..или Mjoy16.
Мне вот чего-то не прижилось пока - больше на костыли похоже, чем на удобство. Путаница выходит постоянно с показаниями на табло и показаниями на экране в программе управления. Скажем, ты ноль в проге установил, а на табло остались прежние цифры и ты должен отвлекаться на сброс показаний экранчика. Если бы оно синхронно с прогой работало, тогда да, есть резон.
Кнопки чтобы гонять каретку нужны. Клавиши на шлейфе - фигня. Как минимум радио модуль нужен, по типу мышки.
С grbl нужен свой собственный подход. Наверно нужно чтобы джог был завязан на самой программе прошивки грбл. Скажем, по квадратной шине кидать команды с пульта, да чтобы они ещё и в юарт улетали. Пульт, который врезан в сигналы степ/дир имхо фигня - обратной связи нема.
---
ALS писал(а):Реальные пацаны пользуют штурвалы.

В смыле "лимбы", наверное.
Местами не хватает этого. Без движков бы, порой, фрезернул за минуту, а так ..включи комп, сделай то да сё.
Аватара пользователя
ilalexey
 
Сообщения: 3202
Зарегистрирован: 13 май 2011, 21:37
Откуда: Bb

Re: Arduino CNC

Сообщение Madf » 05 фев 2016, 12:03

там экран вообще нафиг нужен, если для ЧПУ
Madf
 
Сообщения: 3298
Зарегистрирован: 03 янв 2012, 12:55
Откуда: Москва
прог. языки: VB6, BASCOM, ASM...

Re: Arduino CNC

Сообщение ilalexey » 05 фев 2016, 12:49

А ещё было бы чётко к грбл прикрутить датчик поиска нуля/центра. В туже i2c запихнуть.
Или фишку какую по отслеживанию сломанного сверла. 0.3мм ломаются не плохо, а следить за процессом не интересно.
Аватара пользователя
ilalexey
 
Сообщения: 3202
Зарегистрирован: 13 май 2011, 21:37
Откуда: Bb

Re: Arduino CNC

Сообщение robovan » 05 фев 2016, 13:47

а мне понравилась идея.
у меня друг загорелся желанием собрать чпу плазморез, но не хочет иметь рядом со станком комп.
а пульты что есть в продаже дорогие.
Вот такая штучка в самый раз.
главное что бы работала с интерфейсными платами как на фото.
Вложения
interfeysnaya-plata-s-optorazvyazkoy-na-5-osey-chpu-8-big.jpg
Самое важное в жизни- найти человека , который смотрит на мир, так же как и ты:)
Аватара пользователя
robovan
 
Сообщения: 1536
Зарегистрирован: 04 сен 2012, 00:39
Откуда: Украина
ФИО: Владимир

Re: Arduino CNC

Сообщение RootAdmin » 05 фев 2016, 13:59

Ноль GRBL искать умеет.
Дым, идущий из всех устройств в помещении предвещает появление электрика.
RootAdmin
 
Сообщения: 1725
Зарегистрирован: 07 авг 2010, 21:29
Откуда: КМВ
прог. языки: C
ФИО: Андрей

Re: Arduino CNC

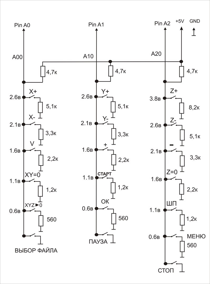
Сообщение ilalexey » 05 фев 2016, 14:51

RootAdmin писал(а):Ноль GRBL искать умеет.

это как-же?
---
..увидел. на моей плате там квадратная шина в опции
Вложения
grbl_pinout.png
Аватара пользователя
ilalexey
 
Сообщения: 3202
Зарегистрирован: 13 май 2011, 21:37
Откуда: Bb

Re: Arduino CNC

Сообщение ALS » 05 фев 2016, 16:36

ilalexey писал(а):
ALS писал(а):Реальные пацаны пользуют штурвалы.

В смыле "лимбы", наверное.
Местами не хватает этого. Без движков бы, порой, фрезернул за минуту, а так ..включи комп, сделай то да сё.
Лимбы - это уж совсем для крутых пацанов. Я имел в виду просто "крутилку".
Да и чтоб работать без компа, нужен не просто пульт, а ... как он называется ? Автономный контроллер ?

robovan писал(а):у меня друг загорелся желанием собрать чпу плазморез, но не хочет иметь рядом со станком комп.
Вот такая штучка в самый раз.
главное что бы работала с интерфейсными платами как на фото.
Чем комп-то пугает ?
Абстрагируйтесь уже, наконец, от гроба с мышкой.
Айда к нам, на темную сторону :)

Изображение Изображение
Аватара пользователя
ALS
 
Сообщения: 803
Зарегистрирован: 24 окт 2011, 23:32
Откуда: Севастополь
прог. языки: асм

Пред.След.

Вернуться в Идеи

Кто сейчас на конференции

Сейчас этот форум просматривают: нет зарегистрированных пользователей и гости: 0

cron