Цена 676р.
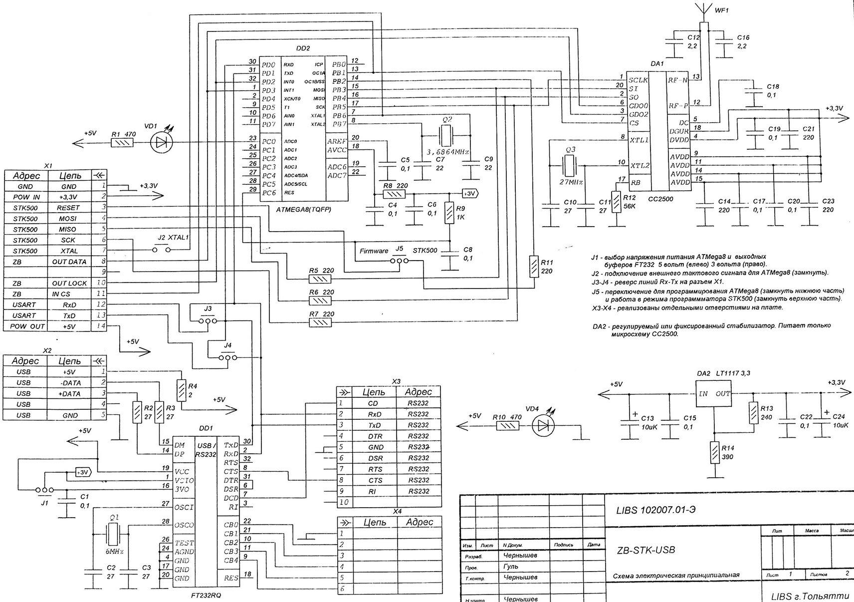
Представляет собой два независимых устройства на одной плате:
- Мост USB - UART на микросхеме FT232
- Трансивер (Модем) на 2.4ГГц на микросхеме CC2500 в чистом виде, т.е. с родным интерфейсом SPI




RoboTok писал(а):А к чему это я всё ?![]()
походу ZigBee там нету, а есть просто трансивер C2500, что совсем разные вещи.

RoboTok писал(а):И походу ZigBee там нету, а есть просто трансивер C2500
EdGull писал(а):имею в эксплуатации 2 модуля XBee модуля очень не доволен, т.к. они постоянно вешаются. Именно поэтому пришло делать свои платы.
ага, типа ты и человек это разные вещи...

ну незнаю прям... приделай какнибудь туда зигби ато вот человек страдает...Сейчас этот форум просматривают: нет зарегистрированных пользователей и гости: 0