Подскажите , пожлуйста, что я делаю не так...а то кондиционером (самопальным) придется управлять вручную,
, а хочется с дивана....Что имеем:
- Atmega8, внутренний RC генератор 8МГц;
- на RESET подтягивающий резистор + конденсатор (104) на массу;
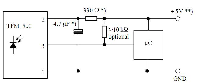
- TFMS5360 - инфракрасный приемник 36 кГц;
- наряжение питание схемы 5 Вольт (стабилизатор 7805);
- схема приемника собрана по предлагаемой схеме в BascomAVR для RC5 и тютелька в тютельку такая же в даташите на приемник:
;
- выход приемника подключен на PD2 (INT0) микроконтролера;
- светодиоды на PC4, PB7...
----------------------------------------------------
Код номер 1
По этому коду срабатывает прерывание INT0. Нажимаю на кнопку пульта, светодиод горит, ну естественно на любую кнопку.
:
- Код: Выделить всё • Развернуть
$regfile = "m8def.dat"
$crystal = 8000000
Config Portc = Output
Dim Kod As Bit
On Int0 Rc53
Enable Int0
Config Int0 = Falling
Enable Interrupts
Do
If Kod = 1 Then
Disable Int0
Portc.4 = 1
Waitms 100
Portc.4 = 0
Kod = 0
Enable Int0
End If
Loop
Rc53:
Kod = 1
Return
Код номер 2
На этот код светодиод PB7 иногда загорается...очень-очень редко, и то когда одновременно двумя пультами сигнал подаешь(на обоих пультах кнопки жму...)
- Код: Выделить всё • Развернуть
$regfile = "m8def.dat"
$crystal = 8000000
Config Rc5 = Portd.2
Config Portb = Output
Enable Interrupts
Dim Address As Byte , Command As Byte
Do
Getrc5(address , Command)
If Address <> 255 Then
Portb.7 = 1
Waitms 100
Portb.7 = 0
End If
Loop
End
Замерял напряжение (мультиметром) на выходе приемника....так вот:\
При нажатии на кнопку пульта напряжение падает с 4.98....до всего-то 4.45...при одном пульте, а при другом до 3.8....
Проверял и подключенный к МК и отключенный.....
Что не так? Что со мной не так?


потом нам рассказываешь
....
Один 1990 года...там фиг знает протокол какой.....а на пульте от DVD шника китайского хз...тож какой протокол...но по этому коду, работает на ура...тьфу, тьфу, тьфу...