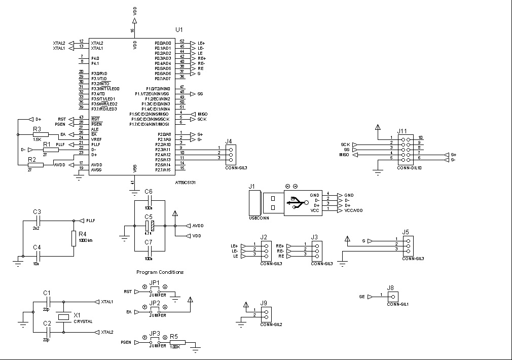
Спаял схему, монтаж, конечно, убогенький, но плату прозванивал, вроде граблей нет.
Собственно схема
У меня Windows 7
При подключении определяется как неизвестное устройство. Добавил устройство принудительно (Add legacy hardware) - появилось устройство AT89C5130/31, но нейзвестное так и осталось. Правда во FLIP ошибка с ненайденой библиотеки сменилась на "невозможно открыть устройство". Из того, что порт не сгорел и устройство хоть как-то определятся понятно, что контроллер жив и даже что-то делает... но вот что? и как его загнать в режим программирования?
ЗЫ кварц стоит на 8МГц, шнур длиннющий (3 метра) с фильтрами и экран посажен на землю
В диспетчере задач Windows has stopped this device because it has reported problems. (Code 43)
