roboforum.ru

Технический форум по робототехнике.


Плата для 16 Меги

Программирование микроконтроллеров AVR, PIC, ARM.
Разработка и изготовление печатных плат для модулей.

Плата для 16 Меги

Сообщение GHOST_J_D » 19 апр 2010, 09:59

Привет
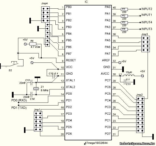
Вот такая схема как на рисунке, понял что на INPUT 1-4 можно повешать кнопки симулируищее ввод ну и светодиоды соответствено, - а где порт вывода - ? (OUTPUT) - хочу привязать светодиоды сигнализирующие о выводе. Сама плата контроллера http://robotsspace.ucoz.ru/publ/2-1-0-27 Просто хочется все по уму красиво сделать :)
Вложения
51346.jpg
Я стал таким, каким я стал, сожалеть поздно...
Аватара пользователя
GHOST_J_D
 
Сообщения: 74
Зарегистрирован: 19 апр 2010, 08:38
Откуда: SVERDLOVSK
прог. языки: нелюблю
ФИО: Лёха

Re: Плата для 16 Меги

Сообщение $ilent » 19 апр 2010, 11:13

GHOST_J_D писал(а):Привет
Вот такая схема как на рисунке, понял что на INPUT 1-4 можно повешать кнопки симулируищее ввод ну и светодиоды соответствено, - а где порт вывода - ? (OUTPUT) - хочу привязать светодиоды сигнализирующие о выводе. Сама плата контроллера http://robotsspace.ucoz.ru/publ/2-1-0-27 Просто хочется все по уму красиво сделать :)

Порты у микроконтроллера будут работать так (вход/выход), как ты этого захочешь.
$ilent
 

Re: Плата для 16 Меги

Сообщение GHOST_J_D » 19 апр 2010, 13:03

так по сути можно светиков, на каждую ногу повешать, и будет навогодняя елка + возрастет ток потребления всей схемы ?
Я стал таким, каким я стал, сожалеть поздно...
Аватара пользователя
GHOST_J_D
 
Сообщения: 74
Зарегистрирован: 19 апр 2010, 08:38
Откуда: SVERDLOVSK
прог. языки: нелюблю
ФИО: Лёха

Re: Плата для 16 Меги

Сообщение vadinator » 19 апр 2010, 13:09

Канэчно :)
Роботы, уже среди нас...
Прошу прощения за аватар, никак схему динамической индикации не могу настроить :)
Аватара пользователя
vadinator
 
Сообщения: 979
Зарегистрирован: 19 янв 2010, 14:51
Откуда: Петрозаводск
прог. языки: C, FBD, Wiring-Processimg,,,LD, SFC, ST...
ФИО: Вадим

Re: Плата для 16 Меги

Сообщение $ilent » 19 апр 2010, 13:46

+ пойдёшь в магазин за новыми "светиками", т.к. спалишь их громадным током портов. А может и за новым МК.
$ilent
 

Re: Плата для 16 Меги

Сообщение avr123.nm.ru » 19 апр 2010, 14:25

GHOST_J_D писал(а): хочется все по уму красиво сделать :)


Возможно состав комплекта деталей для макетной вы можете взять как на этой макетке. для светодиодов нужны токоограничивающие резисторы. А дополнительные панельку можно использовать как клемники для монтажа проводнками как на беспаячных макетных платах.

-
Вложения
avr.jpg
Читайте !
Аватара пользователя
avr123.nm.ru
отсылающий читать курс
 
Сообщения: 14195
Зарегистрирован: 06 ноя 2005, 04:18
Откуда: Москва
Предупреждения: -8

Re: Плата для 16 Меги

Сообщение GHOST_J_D » 19 апр 2010, 19:52

Половина деталей в том числе и резюки на светодиоды уже лежит в столе, щас оглядываю критическим взлядом гигабайтовскую материнку чего бы выпаять :roll:
Я стал таким, каким я стал, сожалеть поздно...
Аватара пользователя
GHOST_J_D
 
Сообщения: 74
Зарегистрирован: 19 апр 2010, 08:38
Откуда: SVERDLOVSK
прог. языки: нелюблю
ФИО: Лёха

Re: Плата для 16 Меги

Сообщение space » 07 май 2010, 17:15

GHOST_J_D писал(а):Привет
Вот такая схема как на рисунке, понял что на INPUT 1-4 можно повешать кнопки симулируищее ввод ну и светодиоды соответствено, - а где порт вывода - ? (OUTPUT) - хочу привязать светодиоды сигнализирующие о выводе. Сама плата контроллера http://robotsspace.ucoz.ru/publ/2-1-0-27 Просто хочется все по уму красиво сделать :)

вообще эти выводы на схеме предназначены для микросхемы L293D , что бы можно было управлять моторами :)
на тот момент эта платы была первой (типо универсальная). На сайте в статьях можно найти куда более лучшие варианты :)
Аватара пользователя
space
 
Сообщения: 565
Зарегистрирован: 17 июн 2007, 23:44
Откуда: Тула
прог. языки: Bascom AVR Basic, CodeVisionAVR
ФИО: Замотаев Кирилл Игоревич


Вернуться в Микроконтроллеры

Кто сейчас на конференции

Сейчас этот форум просматривают: нет зарегистрированных пользователей и гости: 0

cron