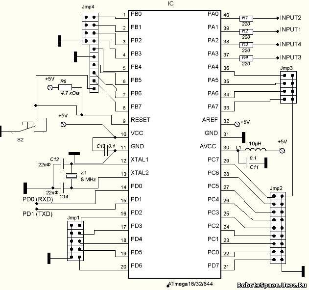
Вот такая схема как на рисунке, понял что на INPUT 1-4 можно повешать кнопки симулируищее ввод ну и светодиоды соответствено, - а где порт вывода - ? (OUTPUT) - хочу привязать светодиоды сигнализирующие о выводе. Сама плата контроллера Просто хочется все по уму красиво сделать


