Делаю хронограф (для измерения скорости пули пневматического оружия).
Хочу сделать на Atmega 8.
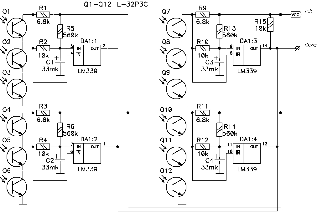
Нашел схему рамочного датчика.
Есть вопрос:
1. Можно ли выход датчика присоединить напрямую к входу прерывания?
			
				|  | roboforum.ruТехнический форум по робототехнике. |  | 







 после выстрела вся конструкция вместе с дачиком МК и индикатором улетела на метр оборвав все провода.
 после выстрела вся конструкция вместе с дачиком МК и индикатором улетела на метр оборвав все провода.


Вы его в воду не пускайте, он и не уплыветVictorovych писал(а):Широкий писал(а):...при тактовой частоте 8Мгц ?...quote]
Внутренний RC не используй - плыть будет
 а если серьезно, то для такой задачи особая стабильность не нужна, я часы делал с использованием внутреннего генератора (у него кстати стабильность почти как у керамического резонатора) так уход был порядка 1-2 сек в сутки.
 а если серьезно, то для такой задачи особая стабильность не нужна, я часы делал с использованием внутреннего генератора (у него кстати стабильность почти как у керамического резонатора) так уход был порядка 1-2 сек в сутки.
Сейчас этот форум просматривают: нет зарегистрированных пользователей и гости: 0