![]() |
roboforum.ruТехнический форум по робототехнике. |
|
|
| Реклама | ||||
|
|
|
|||
Я шас пытаюсь сделать стенд для стабильного воспроизведения потери прошивки.

| Реклама | ||||
|
|
|
|||
blindman писал(а):...
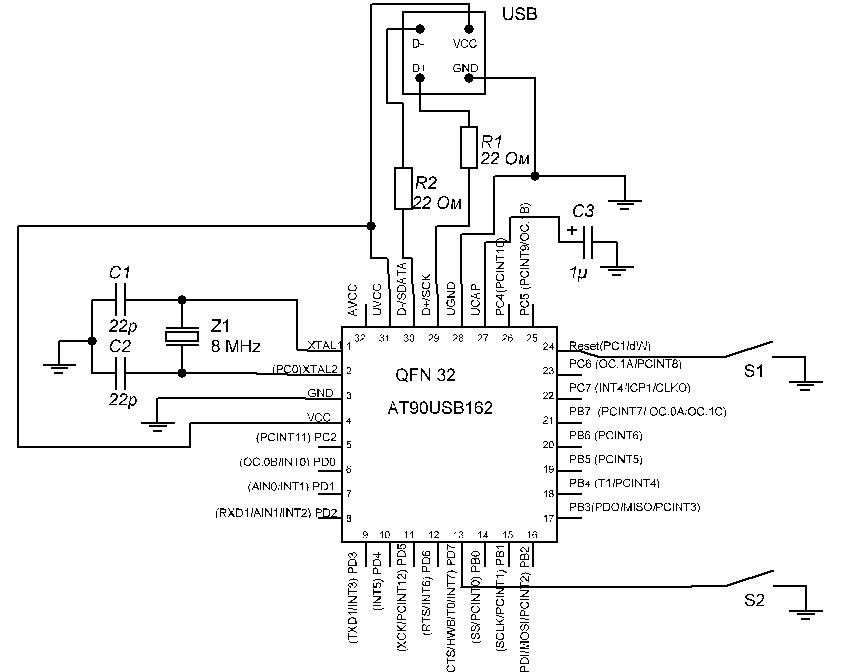
AT90USBxxx поставляются с зашитым бутлоадером, выполненным по стандарту USB DFU. Это позволяет прошивать МК через USB, без специального программатора - для этой цели Atmel предлагает бесплатную программу FLIP ...
AVR282: USB Firmware Upgrade for AT90USB писал(а):3. Hardware Requirements
1. AVR USB evaluation board (ATSTK525/STK526, AT90USBKey or any kit for the
AT90USB family)
...
AVR282: USB Firmware Upgrade for AT90USB писал(а):6. Device Firmware Upgrade
...
1. Install Flip software (Flip version 3.0 or above is required).
2. Connect the AT90USB board (STK525, AT90USBKey...) to the PC using the USB cable
(Standard A to Mini B).
...
Сейчас этот форум просматривают: нет зарегистрированных пользователей и гости: 6