roboforum.ru

Технический форум по робототехнике.

AVR Studio - вопросы и ответы

Программирование микроконтроллеров AVR, PIC, ARM.
Разработка и изготовление печатных плат для модулей.

AVR Studio - вопросы и ответы

Сообщение avr123.nm.ru » 29 ноя 2009, 00:52

AVR Studio 4.18 build 684

http://www.atmel.com/dyn/resources/prod ... 4Setup.exe

Это топик для вопросов и ответо по AVR студии и ее интеграции с WinAVR PROTEUS и другими смежными программами и утилитами.
Аватара пользователя
avr123.nm.ru
отсылающий читать курс
 
Сообщения: 14195
Зарегистрирован: 06 ноя 2005, 04:18
Откуда: Москва
Предупреждения: -8

Re: AVR Studio - вопросы и ответы

Сообщение sarkel39 » 09 фев 2010, 16:32

Вопрос:при попытке войти в AVRprog AVR Studio4.18 выдает-No supported board found.AVRprog version 1.40.
Подскажите в чем дело и как из этого выйти?
Если конь поранив ногу,вдруг споткнулся ,а потом опять.
Не вини коня,вини дорогу и,коня не торопись менять!
sarkel39
 
Сообщения: 17
Зарегистрирован: 09 фев 2010, 11:49
Откуда: Волгодонск

Re: AVR Studio - вопросы и ответы

Сообщение galex1981 » 09 фев 2010, 17:25

А какая у вас версия AVR-Prog?

Добавлено спустя 15 минут 53 секунды:
Патч, обновляющий студию до 4.18 SP1 build 692 http://atmel.com/dyn/resources/.../AVRStudio4.18SP1.exe
if(!Operate) Read(pDatasheet);
Аватара пользователя
galex1981
 
Сообщения: 4363
Зарегистрирован: 04 дек 2008, 22:44
Откуда: Камышин
Skype: galk-aleksandr1
прог. языки: Kotlin, Java, C, C++, Assm, BasCom, VB, php
ФИО: Галкин Александр Владимирович

Re: AVR Studio - вопросы и ответы

Сообщение Duhas » 09 фев 2010, 20:34

sarkel39 писал(а):Вопрос:при попытке войти в AVRprog AVR Studio4.18 выдает-No supported board found.AVRprog version 1.40.
Подскажите в чем дело и как из этого выйти?

а у вас подключен программатор или отладчик ? ))
«Как сердцу выразить себя? … Мысль изреченная есть ложь!»
В этом мире меня подводит доброта и порядочность...
"двое смотрят в лужу, один видит лужу, другой отраженные в ней звезды"
Аватара пользователя
Duhas
 
Сообщения: 6338
Зарегистрирован: 15 сен 2007, 13:03
Откуда: Красноярск
прог. языки: ASM(МК), C(PC)
ФИО: Гагарский Андрей Александрович

Re: AVR Studio - вопросы и ответы

Сообщение sarkel39 » 10 фев 2010, 13:48

одключен программатор или отладчик
Duhas
Подключен "Программатор микроконтроллеров AVR" (Журнал радио 2006г.ном.5, который я буквально собрал на днях.Теперь жалко времени и затраченных средств.Все выполнил по тексту: закачал FUZe в ATmega8535 и ATtiny2313,скачал и установил последнюю версию AVR Studio и ее обновление и, соответственно действовал по рекомендациям автора.К сожалению моего опыта выхода из этой ситуации не хватает. В форуме журнала помощи я не нашел.Заранее благодарен за внимание и оказанную помощь .
Если конь поранив ногу,вдруг споткнулся ,а потом опять.
Не вини коня,вини дорогу и,коня не торопись менять!
sarkel39
 
Сообщения: 17
Зарегистрирован: 09 фев 2010, 11:49
Откуда: Волгодонск

Re: AVR Studio - вопросы и ответы

Сообщение Duhas » 10 фев 2010, 15:10

можно сюда ссылку на тот программатор или на выпуск радио... чтобы не искать все ето дело.. мб и придумаем чего...
«Как сердцу выразить себя? … Мысль изреченная есть ложь!»
В этом мире меня подводит доброта и порядочность...
"двое смотрят в лужу, один видит лужу, другой отраженные в ней звезды"
Аватара пользователя
Duhas
 
Сообщения: 6338
Зарегистрирован: 15 сен 2007, 13:03
Откуда: Красноярск
прог. языки: ASM(МК), C(PC)
ФИО: Гагарский Андрей Александрович

Re: AVR Studio - вопросы и ответы

Сообщение sarkel39 » 11 фев 2010, 17:27

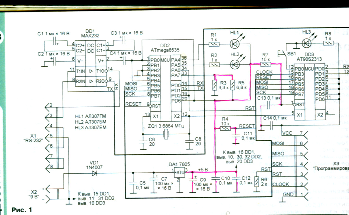
Дополнительно файлы: схема программатора и FUSe для Atmega8535(таб.1) и ATtine2313 (таб.2)
Вложения
1.jpg
2.jpg
Если конь поранив ногу,вдруг споткнулся ,а потом опять.
Не вини коня,вини дорогу и,коня не торопись менять!
sarkel39
 
Сообщения: 17
Зарегистрирован: 09 фев 2010, 11:49
Откуда: Волгодонск

Re: AVR Studio - вопросы и ответы

Сообщение Duhas » 11 фев 2010, 20:25

а тини2313 и ат90ы2313 разные камни... и по идее прошивка под 1 не будет работать на втором...
«Как сердцу выразить себя? … Мысль изреченная есть ложь!»
В этом мире меня подводит доброта и порядочность...
"двое смотрят в лужу, один видит лужу, другой отраженные в ней звезды"
Аватара пользователя
Duhas
 
Сообщения: 6338
Зарегистрирован: 15 сен 2007, 13:03
Откуда: Красноярск
прог. языки: ASM(МК), C(PC)
ФИО: Гагарский Андрей Александрович

Re: AVR Studio - вопросы и ответы

Сообщение sarkel39 » 12 фев 2010, 16:57

Фалы стати из журнала к пояснению проблемы с AVR Studio и программатора AVR микроконтроллеров.
Вложения
4.jpg
3.jpg
2.jpg
1.jpg
Если конь поранив ногу,вдруг споткнулся ,а потом опять.
Не вини коня,вини дорогу и,коня не торопись менять!
sarkel39
 
Сообщения: 17
Зарегистрирован: 09 фев 2010, 11:49
Откуда: Волгодонск

Re: AVR Studio - вопросы и ответы

Сообщение Duhas » 12 фев 2010, 18:20

как я уже писал выше, у вас в схеме AT90S2313, а применили вы ATtiny2313.. потому прошивка под первый во втором и не идет...
«Как сердцу выразить себя? … Мысль изреченная есть ложь!»
В этом мире меня подводит доброта и порядочность...
"двое смотрят в лужу, один видит лужу, другой отраженные в ней звезды"
Аватара пользователя
Duhas
 
Сообщения: 6338
Зарегистрирован: 15 сен 2007, 13:03
Откуда: Красноярск
прог. языки: ASM(МК), C(PC)
ФИО: Гагарский Андрей Александрович

Re: AVR Studio - вопросы и ответы

Сообщение sarkel39 » 13 фев 2010, 11:07

Duhas » Вчера, 17:20

как я уже писал выше, у вас в схеме AT90S2313, а применили вы ATtiny2313.. потому прошивка под первый во втором и не идет...
К сожалению я только Вас беспокою

Весь вопрос в сообщении: "No supported board found AVRProg version 1.40". Чего хочет AVR Studio rорректную программу AVRProg или она не видит железо? По программе: в самой AVR Studio 4.18 все это уже есть.Пробовал с отдельно взятой программой AVRProg - вопросы остаются.Замена AT90S2313на ATtiny2313 обусловлена автором. Соответственно FUSe и программа закачиваемые в МК заточены автором под него. Если в это виновато железо, то где искать?
Если конь поранив ногу,вдруг споткнулся ,а потом опять.
Не вини коня,вини дорогу и,коня не торопись менять!
sarkel39
 
Сообщения: 17
Зарегистрирован: 09 фев 2010, 11:49
Откуда: Волгодонск

Re: AVR Studio - вопросы и ответы

Сообщение galex1981 » 13 фев 2010, 14:18

Программа прошитая от s2313 на tiny2313 работает на 50% верно потому как в tiny2313 куча доработок и векторов прерываний почти в 2 раза больше, лучше всего перекомилировать исходник под новый чип если вы это не сделали.
Еще как вариант проверьТе версию программатора в прошиве чтоб была больше чем 1.40.
if(!Operate) Read(pDatasheet);
Аватара пользователя
galex1981
 
Сообщения: 4363
Зарегистрирован: 04 дек 2008, 22:44
Откуда: Камышин
Skype: galk-aleksandr1
прог. языки: Kotlin, Java, C, C++, Assm, BasCom, VB, php
ФИО: Галкин Александр Владимирович

Re: AVR Studio - вопросы и ответы

Сообщение sarkel39 » 13 фев 2010, 16:48

galex1981 » Сегодня, 13:18
Спасибо!Я так и сделаю. Результат сообщу.
Если конь поранив ногу,вдруг споткнулся ,а потом опять.
Не вини коня,вини дорогу и,коня не торопись менять!
sarkel39
 
Сообщения: 17
Зарегистрирован: 09 фев 2010, 11:49
Откуда: Волгодонск

Re: AVR Studio - вопросы и ответы

Сообщение sarkel39 » 16 фев 2010, 16:26

Здравствуйте всем! Проблема с AVR Studio 4.18 и универсального AVR программатора по схеме из Радио 2006-5
решена врезультате:
-тщательного осмотра COM кабеля(который я переделывал на"мама-мама"),где устранил случайную закоротку на землю одного из pin разъема;
-главная-же ошибка закралась при программировании FUSes контроллера ATtiny2313(в этом случае AVR Studio отказывается видеть программатор).
Вывод: нужно быть более внимательным иаккуратным. Ктакому выводу меня привели ваши советы и размышления.
Прошу извинить меня за беспокойство.Большое всем спасибо за внимание ипомощь!
Если конь поранив ногу,вдруг споткнулся ,а потом опять.
Не вини коня,вини дорогу и,коня не торопись менять!
sarkel39
 
Сообщения: 17
Зарегистрирован: 09 фев 2010, 11:49
Откуда: Волгодонск

Re: AVR Studio - вопросы и ответы

Сообщение Duhas » 16 фев 2010, 17:22

в качестве "компенсации" можно выложить сюда или в раздел программаторов материалы для повторения..

а вообще форум он для того и создан, чтобы делится достижениями и проблемами..
«Как сердцу выразить себя? … Мысль изреченная есть ложь!»
В этом мире меня подводит доброта и порядочность...
"двое смотрят в лужу, один видит лужу, другой отраженные в ней звезды"
Аватара пользователя
Duhas
 
Сообщения: 6338
Зарегистрирован: 15 сен 2007, 13:03
Откуда: Красноярск
прог. языки: ASM(МК), C(PC)
ФИО: Гагарский Андрей Александрович

След.

Вернуться в Микроконтроллеры

Кто сейчас на конференции

Сейчас этот форум просматривают: нет зарегистрированных пользователей и гости: 0

cron