roboforum.ru

Технический форум по робототехнике.


Датчик заместо LPT

Программирование микроконтроллеров AVR, PIC, ARM.
Разработка и изготовление печатных плат для модулей.

Датчик заместо LPT

Сообщение Nemo » 15 окт 2009, 21:57

Есть схема которая для управления шаговыми двигателями использует информацию с компа, а получает ее схема через LPT-порт.Надо заменить LPT-порт на 4 датчика, типа шарп.Как, не знаю. Help???
Вложения
.jpg
:)Роботы идут:)
Аватара пользователя
Nemo
 
Сообщения: 50
Зарегистрирован: 26 июн 2008, 11:37
Откуда: Рига
Skype: smouk-nemo
прог. языки: С
ФИО: Даниил Биндюков

Re: Датчик заместо LPT

Сообщение yak-40 » 15 окт 2009, 22:13

Заменить LPT на дальномеры Sharp что-ли??? :shock:
- Этот человек - не человек! это робот!
- Как? уже делают?!
- Делают!!!
Аватара пользователя
yak-40
 
Сообщения: 3037
Зарегистрирован: 23 окт 2007, 22:03
Откуда: Москва
прог. языки: С
ФИО: Евгений Яковец

Re: Датчик заместо LPT

Сообщение Nemo » 15 окт 2009, 22:23

Буквально,да. Просто надо как-то управлять чрез шарп 2 шаговыми двигателями, вот ссылка http://roboforum.ru/viewtopic.php?f=35&t=6023.Посоветовали схему, казали работает, а кок туда датчики подключить не сказали!!! :(
:)Роботы идут:)
Аватара пользователя
Nemo
 
Сообщения: 50
Зарегистрирован: 26 июн 2008, 11:37
Откуда: Рига
Skype: smouk-nemo
прог. языки: С
ФИО: Даниил Биндюков

Re: Датчик заместо LPT

Сообщение galex1981 » 15 окт 2009, 22:57

Тебе, насколько я понимаю, не нужно подключение железяки к ПК?
Если да, то Шарпы подключай к АЦП МК, как советовали в той теме, что ты указал, и от МК выходы, назначенные тобой подключай к нужному драйверу двигателей. И пиши программу-обработчик
if(!Operate) Read(pDatasheet);
Аватара пользователя
galex1981
 
Сообщения: 4363
Зарегистрирован: 04 дек 2008, 22:44
Откуда: Камышин
Skype: galk-aleksandr1
прог. языки: Kotlin, Java, C, C++, Assm, BasCom, VB, php
ФИО: Галкин Александр Владимирович

Re: Датчик заместо LPT

Сообщение Myp » 16 окт 2009, 09:14

шарпами нельзя напрямую управлять шаговиками

шарпы надо подключить к МК, а к МК подключить схему управления ШД
в МК соответсвенно надо написать программу чтения информации с шарпов и управления шаговиками
<telepathmode>На вопросы отвечает Бригадир Телепатов!</telepathmode>
Всё уже придумано до нас!
Аватара пользователя
Myp
скрытый хозяин вселенной :)
 
Сообщения: 18018
Зарегистрирован: 18 сен 2006, 12:26
Откуда: Тверь по прозвищу Дверь
прог. языки: псевдокод =) сила в алгоритме!
ФИО: глубокоуважаемый Фёдор Анатольевич

Re: Датчик заместо LPT

Сообщение Nemo » 16 окт 2009, 20:08

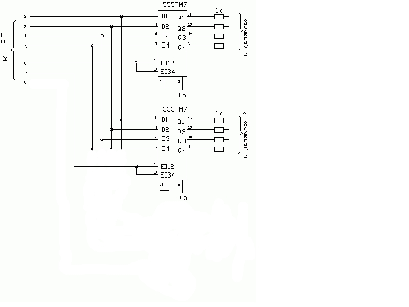
А можно без АЦП? А можно подрубить с помощью некого софта шарпы которые выдают лог. еденицу (как и LPT)? Схемка с шарпом в той ссылке(см. выше)

Добавлено спустя 6 минут 45 секунд:
Кроме той схемы есть драйвер для каждого движка:
Вложения
untitled.JPG
:)Роботы идут:)
Аватара пользователя
Nemo
 
Сообщения: 50
Зарегистрирован: 26 июн 2008, 11:37
Откуда: Рига
Skype: smouk-nemo
прог. языки: С
ФИО: Даниил Биндюков

Re: Датчик заместо LPT

Сообщение avr123.nm.ru » 16 окт 2009, 20:15

в базы надо резисторы 300 - 1000 Ом чтоб к МК или к сильнй логике подключать.

Кто если не AVR будет задавать последовательность для шагания ?
Аватара пользователя
avr123.nm.ru
отсылающий читать курс
 
Сообщения: 14195
Зарегистрирован: 06 ноя 2005, 04:18
Откуда: Москва
Предупреждения: -8

Re: Датчик заместо LPT

Сообщение Nemo » 16 окт 2009, 20:41

Резисторы я поставлю, спасибо за советю. Я от AVR и не отказываюсь, вопрос в том как???
:)Роботы идут:)
Аватара пользователя
Nemo
 
Сообщения: 50
Зарегистрирован: 26 июн 2008, 11:37
Откуда: Рига
Skype: smouk-nemo
прог. языки: С
ФИО: Даниил Биндюков

Re: Датчик заместо LPT

Сообщение avr123.nm.ru » 16 окт 2009, 20:50

Довольно просто. Описывай алгоритм тебе нужный в псевдокоде - пример в задаче-упражнении 1 курса по AVR - www.avr123.nm.ru/z1.htm Затем кодируй алгоритм на любом языке програмирования для AVR.
Аватара пользователя
avr123.nm.ru
отсылающий читать курс
 
Сообщения: 14195
Зарегистрирован: 06 ноя 2005, 04:18
Откуда: Москва
Предупреждения: -8

Re: Датчик заместо LPT

Сообщение galex1981 » 17 окт 2009, 07:40

А можно подрубить с помощью некого софта шарпы которые выдают лог. еденицу (как и LPT)?

Шарпы выдают на выходе сигнал 0..Vcc, который не является цифровым
if(!Operate) Read(pDatasheet);
Аватара пользователя
galex1981
 
Сообщения: 4363
Зарегистрирован: 04 дек 2008, 22:44
Откуда: Камышин
Skype: galk-aleksandr1
прог. языки: Kotlin, Java, C, C++, Assm, BasCom, VB, php
ФИО: Галкин Александр Владимирович

Re: Датчик заместо LPT

Сообщение Nemo » 17 окт 2009, 12:01

Тогда выход один - АЦП, правда не очень хочется покупать довольно дорогой PIC, а есть АЦП на Atmega8?
:)Роботы идут:)
Аватара пользователя
Nemo
 
Сообщения: 50
Зарегистрирован: 26 июн 2008, 11:37
Откуда: Рига
Skype: smouk-nemo
прог. языки: С
ФИО: Даниил Биндюков

Re: Датчик заместо LPT

Сообщение Duhas » 17 окт 2009, 12:10

есть ) вроде бы 6-8 каналов...
«Как сердцу выразить себя? … Мысль изреченная есть ложь!»
В этом мире меня подводит доброта и порядочность...
"двое смотрят в лужу, один видит лужу, другой отраженные в ней звезды"
Аватара пользователя
Duhas
 
Сообщения: 6338
Зарегистрирован: 15 сен 2007, 13:03
Откуда: Красноярск
прог. языки: ASM(МК), C(PC)
ФИО: Гагарский Андрей Александрович

Re: Датчик заместо LPT

Сообщение contr » 17 окт 2009, 12:51

правда не очень хочется покупать довольно дорогой PIC

купите дешевый :) PIC16F684 - 8 каналов, 50руб или PIC12F675 - 4 канала 35 руб. Только учтите, что кроме стоимости комплектующих есть еще стоимость разработки, т.е. решения задачи.
contr
 
Сообщения: 987
Зарегистрирован: 17 апр 2009, 15:09
Откуда: Rostov-Don
Предупреждения: -1

Re: Датчик заместо LPT

Сообщение Nemo » 17 окт 2009, 16:47

Дайте ссылки, а то уже 3 день по нету рыскаю и нашел токо на PIC который на ваши деньги (рубли) стоит 100 рублей...а лучше :lol: схему 6-8 канальную на 8Атмеге!!
:)Роботы идут:)
Аватара пользователя
Nemo
 
Сообщения: 50
Зарегистрирован: 26 июн 2008, 11:37
Откуда: Рига
Skype: smouk-nemo
прог. языки: С
ФИО: Даниил Биндюков

Re: Датчик заместо LPT

Сообщение flyroman » 17 окт 2009, 22:28

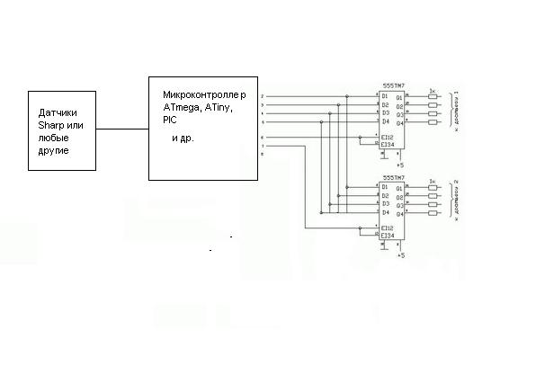
ты понимаешь сам что ты хочешь сделать? я думаю ты немного недопонимаешь....зачем тебе в чистом виде АЦП? все равно ты на выходе не получишь сигнал 1 или 0 для нормального управления...хотя для тех картинок мож и пойдет...

зачем тебе PIC? И в mega есть ацп. и PIC и Atmega надо программировать.

от шарпов идет аналоговый сигнал...от 0 до Vcc как говорилось выше...
подключаем его на вход ацп Atmega ....с другой стороны подключаем драйвер шагового двигателя к Atmega...Пишем программу чтобы mega замеряла шарп и выдавала соответветствующие сигналы на драйвер двигателя....

Добавлено спустя 2 минуты 32 секунды:
Atmega8 может даже много будет....хотя....

Добавлено спустя 3 минуты 14 секунд:
2333.JPG


сначала думаю тебе следует разобраться как работает шаговый двигатель...

Добавлено спустя 1 минуту 56 секунд:
так, значит ты писал
viewtopic.php?f=35&t=6023
27 май 2009

до сих пор не научился? задаешь практически тот же вопрос...
«Это невозможно» — сказала Причина. «Это безрассудно!» — заметил Опыт. «Это бесполезно!» — отрезала Гордость.
«Попробуй» — шепнула Мечта…
Аватара пользователя
flyroman
 
Сообщения: 1266
Зарегистрирован: 12 янв 2009, 21:39
Откуда: Чебоксары, Чувашская Республика
Skype: roman.buhalov
прог. языки: Basic, VisualBasic,Pascal, Delphi, ASM
ФИО: Роман Сергеевич

След.

Вернуться в Микроконтроллеры

Кто сейчас на конференции

Сейчас этот форум просматривают: нет зарегистрированных пользователей и гости: 0

cron