![]() |
roboforum.ruТехнический форум по робототехнике. |
|


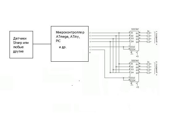
А можно подрубить с помощью некого софта шарпы которые выдают лог. еденицу (как и LPT)?
правда не очень хочется покупать довольно дорогой PIC
PIC16F684 - 8 каналов, 50руб или PIC12F675 - 4 канала 35 руб. Только учтите, что кроме стоимости комплектующих есть еще стоимость разработки, т.е. решения задачи.
схему 6-8 канальную на 8Атмеге!!Сейчас этот форум просматривают: нет зарегистрированных пользователей и гости: 0