Проблемы с клавиатурой для кодового замка

Программирование микроконтроллеров AVR, PIC, ARM.
Разработка и изготовление печатных плат для модулей.

Проблемы с клавиатурой для кодового замка

Сообщение foxit » 17 дек 2008, 23:45

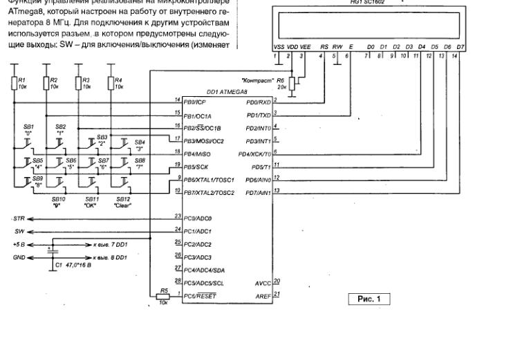
Собрал кодовый замок по приведенной схеме.
Но не хочет правильно работать, хотя в Proteus работает идеально.
Есть подозрения на наводки в плате клавиатуры.
Помогите правильно развести клавиатуру.
Спасибо
Вложения
zamok.JPG
схема замка
Аватара пользователя
foxit
 
Сообщения: 65
Зарегистрирован: 13 ноя 2007, 14:29
прог. языки: Си, Питон

Re: Проблемы с клавиатурой для кодового замка

Сообщение Duhas » 18 дек 2008, 12:04

есть подозрения что дребезг не подавлен...

как себя ведет то?
«Как сердцу выразить себя? … Мысль изреченная есть ложь!»
В этом мире меня подводит доброта и порядочность...
"двое смотрят в лужу, один видит лужу, другой отраженные в ней звезды"
Аватара пользователя
Duhas
 
Сообщения: 6338
Зарегистрирован: 15 сен 2007, 13:03
Откуда: Красноярск
прог. языки: ASM(МК), C(PC)
ФИО: Гагарский Андрей Александрович

Re: Проблемы с клавиатурой для кодового замка

Сообщение EdGull » 18 дек 2008, 12:12

Но не хочет правильно работать, хотя в Proteus работает идеально.

небось еще и на Сях пишешь?
Аватара пользователя
EdGull
 
Сообщения: 10211
Зарегистрирован: 28 дек 2004, 20:33
Откуда: Тольятти
Skype: Ed_Gull
прог. языки: Bascom AVR Basic
ФИО: Гуль Эдуард Викторович

Re: Проблемы с клавиатурой для кодового замка

Сообщение Master » 18 дек 2008, 14:22

есть подозрения что дребезг не подавлен...

Обычно если дребезг программно не подавлен в Протеусе это вылазит.

небось еще и на Сях пишешь?

А это здесь причем?
Аватара пользователя
Master
 
Сообщения: 4468
Зарегистрирован: 21 дек 2006, 19:56
Откуда: Украина, г.Одесса
прог. языки: Delphi и С

Re: Проблемы с клавиатурой для кодового замка

Сообщение EdGull » 18 дек 2008, 14:26

при том что можно было бы взять готовый код из васика и для клавы и для ЖКИ и наслаждаться жизнью
лично проверял, всё работает.
Аватара пользователя
EdGull
 
Сообщения: 10211
Зарегистрирован: 28 дек 2004, 20:33
Откуда: Тольятти
Skype: Ed_Gull
прог. языки: Bascom AVR Basic
ФИО: Гуль Эдуард Викторович

Re: Проблемы с клавиатурой для кодового замка

Сообщение Master » 18 дек 2008, 14:46

У него походу готовый проект.
А это JTAG у MEGA8 на каких ногах сидит? У меня такая лажа была что в протеусе работало а в реале нет, когда я юзал ножки, а JTAG в фузах был включен.
Аватара пользователя
Master
 
Сообщения: 4468
Зарегистрирован: 21 дек 2006, 19:56
Откуда: Украина, г.Одесса
прог. языки: Delphi и С

Re: Проблемы с клавиатурой для кодового замка

Сообщение Victorovych » 18 дек 2008, 15:20

У меги8 отродясь JTAGа не было
EdGull писал(а):при том что можно было бы взять готовый код из васика и для клавы и для ЖКИ и наслаждаться жизнью
лично проверял, всё работает.

Тебе ни кто не мешает наслаждаться полуфабрикатной жизнью, а человеку хочется продукт собственного приготовления

То foxit: чет я блокировочной емкости по питанию не увидел
Аватара пользователя
Victorovych
 
Сообщения: 491
Зарегистрирован: 20 сен 2007, 11:44
Откуда: Харьков
Skype: Victorovych_FF
прог. языки: ASM
ФИО: Иван ВикторОвич


Вернуться в Микроконтроллеры

Кто сейчас на конференции

Сейчас этот форум просматривают: нет зарегистрированных пользователей и гости: 0

cron