roboforum.ru

Технический форум по робототехнике.


Mega32+LCD Siemens S65

Программирование микроконтроллеров AVR, PIC, ARM.
Разработка и изготовление печатных плат для модулей.

Re: Mega32+LCD Siemens S65

Сообщение EdGull » 23 янв 2009, 22:36

правильно, схему в студию!
Аватара пользователя
EdGull
 
Сообщения: 10211
Зарегистрирован: 28 дек 2004, 20:33
Откуда: Тольятти
Skype: Ed_Gull
прог. языки: Bascom AVR Basic
ФИО: Гуль Эдуард Викторович

Re: Mega32+LCD Siemens S65

Сообщение leha » 23 янв 2009, 23:05

Пиание от усб + 3диода последовательно и блокировачный кандер 0,1 = 3вольта, нет некаких резиторов - как унемцев и стабилизаторов, кварц 12 мег, при програмировании мк, резет и плюс диплея отсаединяю.
leha
 
Сообщения: 19
Зарегистрирован: 14 июн 2008, 01:43
Откуда: МИНЕРАЛЬНЫЕ ВОДЫ
прог. языки: CVAVR

Re: Mega32+LCD Siemens S65

Сообщение EdGull » 23 янв 2009, 23:35

так сколько реально питание у меги?
Аватара пользователя
EdGull
 
Сообщения: 10211
Зарегистрирован: 28 дек 2004, 20:33
Откуда: Тольятти
Skype: Ed_Gull
прог. языки: Bascom AVR Basic
ФИО: Гуль Эдуард Викторович

Re: Mega32+LCD Siemens S65

Сообщение leha » 24 янв 2009, 00:09

и у меги и у диплея 3 вольта
leha
 
Сообщения: 19
Зарегистрирован: 14 июн 2008, 01:43
Откуда: МИНЕРАЛЬНЫЕ ВОДЫ
прог. языки: CVAVR

Re: Mega32+LCD Siemens S65

Сообщение EdGull » 24 янв 2009, 00:16

1. ты эти 3В чем мерил? если осцилографом верю, иначе нет.
2. у тебя мега из секретных разработок? кварц откуда такой модный?
Аватара пользователя
EdGull
 
Сообщения: 10211
Зарегистрирован: 28 дек 2004, 20:33
Откуда: Тольятти
Skype: Ed_Gull
прог. языки: Bascom AVR Basic
ФИО: Гуль Эдуард Викторович

Re: Mega32+LCD Siemens S65

Сообщение leha » 24 янв 2009, 00:30

1.мерил дешовым цифровым тетером
2. не понял юмора мк-как-мк кварц тоже обыкновенный или ты о том что напряжение для этой частоты маловато?
leha
 
Сообщения: 19
Зарегистрирован: 14 июн 2008, 01:43
Откуда: МИНЕРАЛЬНЫЕ ВОДЫ
прог. языки: CVAVR

Re: Mega32+LCD Siemens S65

Сообщение EdGull » 24 янв 2009, 00:36

1. правильное питание, залог здоровье.
2. правильно, читай ДШ.

и город заполни иначе будешь отлучен от церкви :D
Аватара пользователя
EdGull
 
Сообщения: 10211
Зарегистрирован: 28 дек 2004, 20:33
Откуда: Тольятти
Skype: Ed_Gull
прог. языки: Bascom AVR Basic
ФИО: Гуль Эдуард Викторович

Re: Mega32+LCD Siemens S65

Сообщение leha » 24 янв 2009, 00:47

в этом причина преждевремеррой кончины дисплеев? неужели так кретично, не раз встречал в интернете проекты не саответствующии оптимальному саотношению частота/питание и по утверждению авторов нормально работали.
leha
 
Сообщения: 19
Зарегистрирован: 14 июн 2008, 01:43
Откуда: МИНЕРАЛЬНЫЕ ВОДЫ
прог. языки: CVAVR

Re: Mega32+LCD Siemens S65

Сообщение EdGull » 24 янв 2009, 00:56

а счего ты решил что они умерли?
как сделаешь НОРМАЛЬНОЕ СТАБИЛИЗИРОВАННОЕ питание, продолжим обсужать...
Аватара пользователя
EdGull
 
Сообщения: 10211
Зарегистрирован: 28 дек 2004, 20:33
Откуда: Тольятти
Skype: Ed_Gull
прог. языки: Bascom AVR Basic
ФИО: Гуль Эдуард Викторович

Re: Mega32+LCD Siemens S65

Сообщение leha » 24 янв 2009, 01:07

проверяю диплей на сотовом телефоне работает, подключаю к мк - раз запустился два, как перестает реагировать на что либо, опять проверяю на сотовом-нечиго.
leha
 
Сообщения: 19
Зарегистрирован: 14 июн 2008, 01:43
Откуда: МИНЕРАЛЬНЫЕ ВОДЫ
прог. языки: CVAVR

Re: Mega32+LCD Siemens S65

Сообщение EdGull » 24 янв 2009, 09:03

и кстати, давай-ка всё таки полную схему, здается мне ты еще по портам подсасывешь от куда-то 5В.
Аватара пользователя
EdGull
 
Сообщения: 10211
Зарегистрирован: 28 дек 2004, 20:33
Откуда: Тольятти
Skype: Ed_Gull
прог. языки: Bascom AVR Basic
ФИО: Гуль Эдуард Викторович

Re: Mega32+LCD Siemens S65

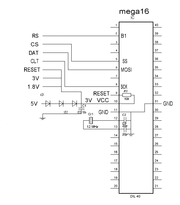
Сообщение leha » 25 янв 2009, 02:37

схема
Вложения
0001.GIF
схема
leha
 
Сообщения: 19
Зарегистрирован: 14 июн 2008, 01:43
Откуда: МИНЕРАЛЬНЫЕ ВОДЫ
прог. языки: CVAVR

Re: Mega32+LCD Siemens S65

Сообщение EdGull » 25 янв 2009, 09:43

а программатор от куда питается?
Аватара пользователя
EdGull
 
Сообщения: 10211
Зарегистрирован: 28 дек 2004, 20:33
Откуда: Тольятти
Skype: Ed_Gull
прог. языки: Bascom AVR Basic
ФИО: Гуль Эдуард Викторович

Re: Mega32+LCD Siemens S65

Сообщение bolt » 25 янв 2009, 12:47

Дело в том, что CSTN (цветные ЖКИ) очень чувствительны к напруге питания. При инициализации прописывается яркость, контрастность, скважность и пр. Даже незначительное изменение напряжения ~0.1V требует изменения настроек.
bolt
 
Сообщения: 281
Зарегистрирован: 01 дек 2008, 19:21

Re: Mega32+LCD Siemens S65

Сообщение avr123.nm.ru » 25 янв 2009, 21:21

leha писал(а):схема
Это шутка ?
Аватара пользователя
avr123.nm.ru
отсылающий читать курс
 
Сообщения: 14195
Зарегистрирован: 06 ноя 2005, 04:18
Откуда: Москва
Предупреждения: -8

Пред.След.

Вернуться в Микроконтроллеры

Кто сейчас на конференции

Сейчас этот форум просматривают: нет зарегистрированных пользователей и гости: 0

cron