Программу пишу в bascom-avr
Вот собственно программа
- Код: Выделить всё • Развернуть
$regfile = "m16def.dat"
$crystal = 1000000
$baud = 2400
$hwstack = 32
$swstack = 10
$framesize = 40
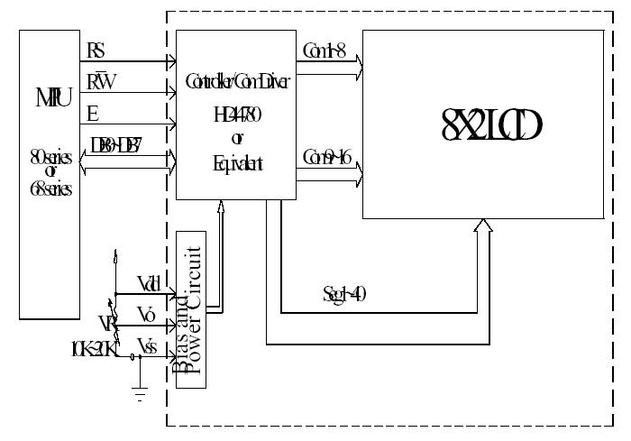
Config Lcdpin = Pin , Db4 = Porta.4 , Db5 = Porta.5 , Db6 = Porta.6 , Db7 = Porta.7 , E = Porta.2 , Rs = Porta.0
Config Lcd = 16 * 2
Cls
Locate 1 , 2
Lcd "LCD"
End
На дисплее ни чего не выводиться!
И почему в начтройках LCD в компиляторе только: 16x1,16x2,...,40x4 и нет настройки линии RW?
Мне кажется, но я не уверен - не правильно задан адрес сомого LCD, в настройках компилятора стоит LCD-adres : C000, RS-adres: 8000
пробовал написать на си в CodeVision все работает отлично, LCD рабочий.
Большая прозьба не говорите что, "чем меня си не устраивает, типа пиши на си", помогите разобраться что я делаю не так на Байсике.
