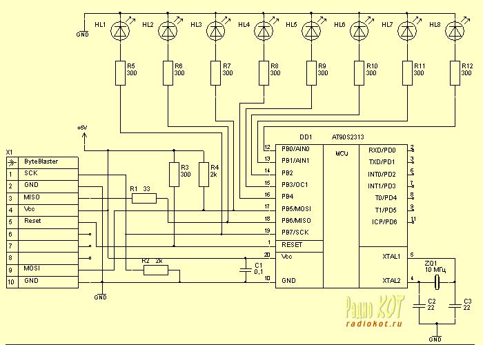
помогите пожалуйста разобраться с программатором atavrisp2. от него идет вот такой контакт. вопрос: что там miso, mosi, gnd и тд. ???
за последнюю неделю поисков я нашел всего одну картинку:на ней верхний левый разъем был miso и разьем был обазначен квадратиком. а остальные разьемы были круглыми. но у меня помоему все КВАДРАТНЫЕ)) или нет
и что тогда верх а что низ, его ведь можно перевернуть!!?? с программатором книжки не было. в инете есть что это за программатор, как работает и т.д. а про разъем хоть бы слово кто написал
заранее спасибо

Mazayac, про стрелочку спасибо! она там действительно есть))
то есть если стрелочка вон там, то контакты на картинке будут
) спасибо
думаю вопрос исчерпан