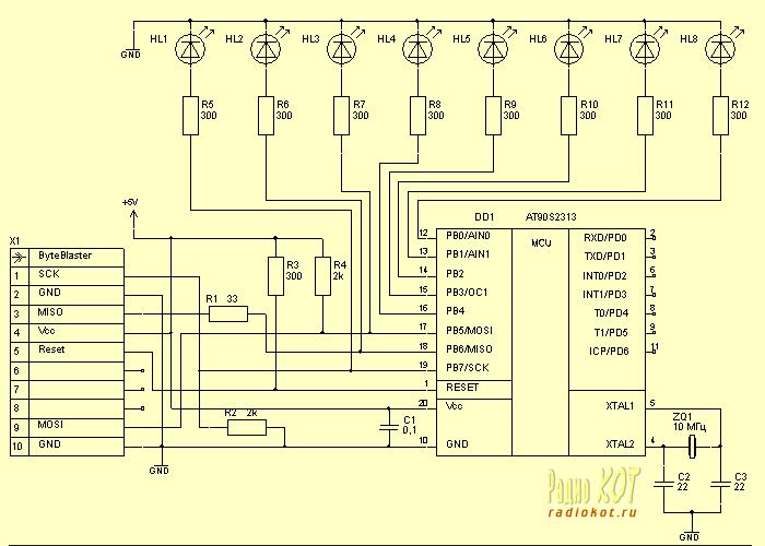
помогите пожалуйста разобраться с программатором atavrisp2. от него идет вот такой контакт. вопрос: что там miso, mosi, gnd и тд. ???
 
 за последнюю неделю поисков я нашел всего одну картинку:на ней верхний левый разъем был miso и разьем был обазначен квадратиком. а остальные разьемы были круглыми. но у меня помоему все КВАДРАТНЫЕ)) или нет
 и что тогда верх а что низ, его ведь можно перевернуть!!??
 и что тогда верх а что низ, его ведь можно перевернуть!!??  с программатором книжки не было. в инете есть что это за программатор, как работает и т.д. а про разъем хоть бы слово кто написал
 заранее спасибо
   заранее спасибо




 Mazayac, про стрелочку спасибо!  она там действительно есть))
  Mazayac, про стрелочку спасибо!  она там действительно есть))  то есть если стрелочка вон там, то контакты на картинке будут
  то есть если стрелочка вон там, то контакты на картинке будут ) спасибо
 ) спасибо думаю вопрос исчерпан
  думаю вопрос исчерпан
