roboforum.ru

Технический форум по робототехнике.


Представляю вашему вниманию прообраз своей будующей платы

Программирование микроконтроллеров AVR, PIC, ARM.
Разработка и изготовление печатных плат для модулей.

Сообщение slava » 28 апр 2005, 12:37

супервизор есть, но по форумам (телесистемы) проходила инфа, что бывают глюки, стоит недорого - корпус SOT32
slava
 
Сообщения: 188
Зарегистрирован: 12 апр 2005, 11:47
Откуда: Москва

Сообщение Stepan » 28 апр 2005, 12:39

А если есть- то для подобного применения думаю лучше будет использовать его даже глюканутого  :о)
Stepan
 
Сообщения: 39
Зарегистрирован: 16 апр 2005, 19:49
Откуда: Санкт-Петербург

Сообщение slava » 28 апр 2005, 12:41

типа экономим ? или по другим соображениям ?
slava
 
Сообщения: 188
Зарегистрирован: 12 апр 2005, 11:47
Откуда: Москва

Сообщение Stepan » 28 апр 2005, 12:45

Типа экономии на ненужном в данной реализации :о)
Stepan
 
Сообщения: 39
Зарегистрирован: 16 апр 2005, 19:49
Откуда: Санкт-Петербург

Сообщение Kanoka » 28 апр 2005, 12:50

достаточно универсальный робо контроллер на мега128, может быть предусмотрю мегу32
 
С мощным силовым выходом, и макетным полем - лишнее можно будет отрезать ножовкой

Если я правильно понял то в оригинальном состоянии к плате можно будет подключить только двигатель (судя по фразе, с мощным силовым выходом, только один), всё остальное нужно будет припаявать самостоятельно?
Kanoka
Модератор
 
Сообщения: 1274
Зарегистрирован: 11 ноя 2004, 03:18
Откуда: Москва

Сообщение setar » 28 апр 2005, 12:50

пожелание
Разноси отдельные блоки геометрически чтобы отпилить можно было
генератор, фильтр питания, часы, силовой выход...
вот только блоков много , а краёв платы мало ;)
нужно мудрить !
Аватара пользователя
setar
Site Admin
 
Сообщения: 10991
Зарегистрирован: 04 окт 2004, 12:58
Откуда: St.Petersburg
Skype: taranenko.sergey
ФИО: Сергей Тараненко

Сообщение Stepan » 28 апр 2005, 12:52

setar писал(а):пожелание
Разноси отдельные блоки геометрически чтобы отпилить можно было
генератор, фильтр питания, часы, силовой выход...
вот только блоков много , а краёв платы мало ;)
нужно мудрить !

Тогда уж сразу- присмотреться к слотовой реализации и клепать кросс плату :о)
Stepan
 
Сообщения: 39
Зарегистрирован: 16 апр 2005, 19:49
Откуда: Санкт-Петербург

Сообщение trofim » 28 апр 2005, 12:53

Верхняя схема работает без питания ?
trofim
 
Сообщения: 10
Зарегистрирован: 22 апр 2005, 13:08
Откуда: Белоруссия

Сообщение slava » 28 апр 2005, 12:57

двигателя можно подключить два (мощных)
думаю еще шаговик предусмотреть


кросс плату - ну на фиг :)

рассположение думаю так - слева макетка - центр МК+БП+обвязка - справа мосфеты со своим клемовым разъемам, контакт только по питанию в одной точке по земле
slava
 
Сообщения: 188
Зарегистрирован: 12 апр 2005, 11:47
Откуда: Москва

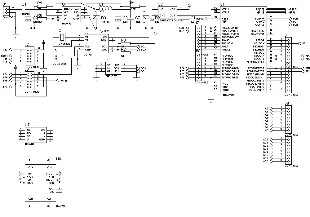
Сообщение slava » 28 апр 2005, 15:03

учтены некоторые замечания

генератор оставил

Прошу высказываться поактивнее!
Вложения
board16.JPG
slava
 
Сообщения: 188
Зарегистрирован: 12 апр 2005, 11:47
Откуда: Москва

Сообщение setar » 28 апр 2005, 15:11

Вроде как похоже ОНО!
Аватара пользователя
setar
Site Admin
 
Сообщения: 10991
Зарегистрирован: 04 окт 2004, 12:58
Откуда: St.Petersburg
Skype: taranenko.sergey
ФИО: Сергей Тараненко

Сообщение Mike_MA » 28 апр 2005, 16:14

М-да, я поддерживаю народ в плане нет необходимости в следующих элементах:
U3 -24c256 - 32kx8 Serial CMOS EEPROM
U5 - часы с внешней батареей

Лучше всего вывести SPI наружу в виде разьёма.

Кстати лучше завести сигнал "Low-Battery Output(LBO )" на прерывание контроллера.  А если правильно - вывести на силовой ключ включения резервного питания  (батареи) .
Mike_MA
 
Сообщения: 367
Зарегистрирован: 07 фев 2005, 17:41
Откуда: Санкт-Петербург

Сообщение setar » 28 апр 2005, 16:30

Дык можно и не ставить, делается то монтажка только, "лишние" блоки можно отпилить
Аватара пользователя
setar
Site Admin
 
Сообщения: 10991
Зарегистрирован: 04 окт 2004, 12:58
Откуда: St.Petersburg
Skype: taranenko.sergey
ФИО: Сергей Тараненко

Сообщение Stepan » 28 апр 2005, 16:57

Выход LBO с открытым коллектором.  :!:
А интерфейсные мс чего просто так в воздухе?
Stepan
 
Сообщения: 39
Зарегистрирован: 16 апр 2005, 19:49
Откуда: Санкт-Петербург

Сообщение Stepan » 28 апр 2005, 16:58

Да- ресет надо бы к питанию притянуть.
Stepan
 
Сообщения: 39
Зарегистрирован: 16 апр 2005, 19:49
Откуда: Санкт-Петербург

Пред.След.

Вернуться в Микроконтроллеры

Кто сейчас на конференции

Сейчас этот форум просматривают: нет зарегистрированных пользователей и гости: 0

cron