roboforum.ru

Технический форум по робототехнике.

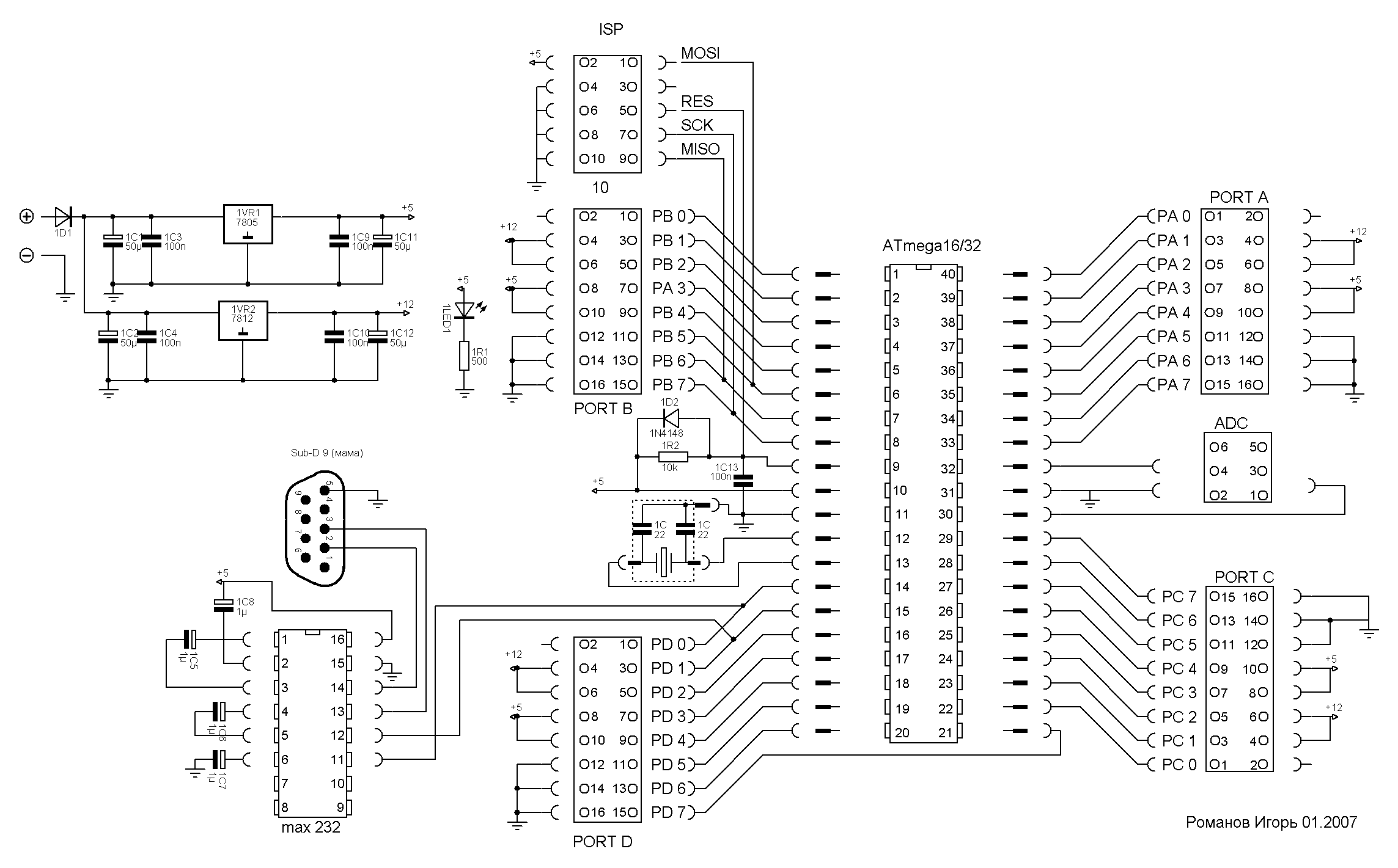
Тестовую плату для ATmega16 сделал - вот:

Программирование микроконтроллеров AVR, PIC, ARM.
Разработка и изготовление печатных плат для модулей.

Re: Тестовую плату для ATmega16 сделал - вот:

Сообщение rig » 30 ноя 2007, 09:57

клавиатрку отдельно на разъеме делай, у меня так, и подпрограмма ее обслуживаня написана. когда надо воткнул в любой порт, ЛСД также.

Добавлено спустя 8 часов 47 минут 50 секунд:
усе готово
viewtopic.php?f=40&t=2832&p=39193#p39159
в слоях номиналы расписаны, электролиты на свой вкус, но имей ввиду если питать от 12 вольт ПК то входные не ставь, а то у меня при вкл питания комп вырубался как будто я КЗ делал .
реализовал по питанию идею.
Аватара пользователя
rig
 
Сообщения: 1437
Зарегистрирован: 03 авг 2007, 19:43
Откуда: Екатеринбург
прог. языки: Си, асм со словарем

Re: Тестовую плату для ATmega16 сделал - вот:

Сообщение Master » 30 ноя 2007, 10:00

Этож какая емкость электролитов была, что комп вырубался. Там вроде если большая емковть то последовательно с кондером нада ставить резистор дето на 1 Ом, т. к. при зарядке кондера его сопротивление равно нулю, т.е. получается КЗ, а если от компутероного БП питать схемы, то кондеры ваще нинада, у него и так стабилизированное питание, нада тока по 0,1 мФ на микрухи и все.
Если я чета не то сморозил поправьте меня.
Аватара пользователя
Master
 
Сообщения: 4468
Зарегистрирован: 21 дек 2006, 19:56
Откуда: Украина, г.Одесса
прог. языки: Delphi и С

Re: Тестовую плату для ATmega16 сделал - вот:

Сообщение rig » 30 ноя 2007, 10:13

все то, яж когда сочинял сей опус не думал что от компа питать буду, предполагалось питание от чего нибудь трансформаторного, потом лень победила. Кондеры стояли небольшие по росту, номинал уже не помню :), этож в начале года придумано. сколько воды утекло

Добавлено спустя 3 минуты 59 секунд:
если от ПК питать то 12 вольтовый стабилизатор можно убрать, я оставил и вместо 12 у меня около 11 на выходе (падение на диоде + стабилизатор)
радиатор от старого компьютерного БП, даже пилить не пришлось и дырочки подогнал под 78ХХ

Добавлено спустя 2 минуты 38 секунд:
как трудно стало теперь посты зарабоатывать :o
Аватара пользователя
rig
 
Сообщения: 1437
Зарегистрирован: 03 авг 2007, 19:43
Откуда: Екатеринбург
прог. языки: Си, асм со словарем

Re: Тестовую плату для ATmega16 сделал - вот:

Сообщение foxit » 30 ноя 2007, 18:47

rig писал(а):исходники нужны? гдето выкладывал могу повторить
вот нашел http://www.roboforum.ru/viewtopic.php?t ... 203#p38203


А можно принципиальную схему платы?
Спасибо. :)
Аватара пользователя
foxit
 
Сообщения: 65
Зарегистрирован: 13 ноя 2007, 14:29
прог. языки: Си, Питон

Re: Тестовую плату для ATmega16 сделал - вот:

Сообщение rig » 30 ноя 2007, 19:26

она есть у меня
AVR_maketka.rar
RusPlan50
(11.93 КиБ) Скачиваний: 120

maketka.GIF
Аватара пользователя
rig
 
Сообщения: 1437
Зарегистрирован: 03 авг 2007, 19:43
Откуда: Екатеринбург
прог. языки: Си, асм со словарем

Re: Тестовую плату для ATmega16 сделал - вот:

Сообщение Brainiac » 30 дек 2007, 12:52

люди помогите пожалуйста!!!!! кто собирал тестовую плату Chooze прошу помочь!!!! какие там детали ???? что делает ULN2003????
Brainiac
 
Сообщения: 70
Зарегистрирован: 16 дек 2007, 20:14
Откуда: Владимир-Москва
Skype: brainiac9204
прог. языки: Basic, Pascal, Fortran, ANSI C, C++
ФИО: Ваня

Re: Тестовую плату для ATmega16 сделал - вот:

Сообщение foxit » 05 мар 2008, 01:21

rig писал(а):она есть у меня
AVR_maketka.rar

maketka.GIF



А какие разъемы на шлефах используются для соединения портов МК и периферии?
Никак не могу понять. Выложи фотку если можешь. Спасибо
Аватара пользователя
foxit
 
Сообщения: 65
Зарегистрирован: 13 ноя 2007, 14:29
прог. языки: Си, Питон

Re: Тестовую плату для ATmega16 сделал - вот:

Сообщение rig » 05 мар 2008, 08:38

LCD.jpg
Аватара пользователя
rig
 
Сообщения: 1437
Зарегистрирован: 03 авг 2007, 19:43
Откуда: Екатеринбург
прог. языки: Си, асм со словарем

Re: Тестовую плату для ATmega16 сделал - вот:

Сообщение mixer » 05 мар 2008, 11:30

А я схватил индикатор с расширенным температурным диапазоном. И чего то он как то не заводится. :sorry:
Подозреваю, что нужно ему отрицательное напряжение на вход Vo подавать. Пока все на макетке. Питаю схему тоже от старого блока питания компьютера. Там есть -5В. Если поставить дилитр, то -1,5В получить можно. Но... Блок питания 90Вт. -5В по моему где то порядка 100мА. Сколько индикатор кушать будет?
И подскажите, кто как отрицательное напряжение добывает?
mixer
 
Сообщения: 38
Зарегистрирован: 11 янв 2008, 09:30
Откуда: г.Казань
прог. языки: русский со словарем

Re: Тестовую плату для ATmega16 сделал - вот:

Сообщение rig » 05 мар 2008, 11:40

как минимум это не в эту тему, как максимум ни одного названия деталек ен озвучено.
Аватара пользователя
rig
 
Сообщения: 1437
Зарегистрирован: 03 авг 2007, 19:43
Откуда: Екатеринбург
прог. языки: Си, асм со словарем

Re: Тестовую плату для ATmega16 сделал - вот:

Сообщение Master » 05 мар 2008, 14:54

Что-то я сомневаюсь что индикатору нужно отрицательное напряжение, что за индикатором на каком контроллере?
Аватара пользователя
Master
 
Сообщения: 4468
Зарегистрирован: 21 дек 2006, 19:56
Откуда: Украина, г.Одесса
прог. языки: Delphi и С

Re: Тестовую плату для ATmega16 сделал - вот:

Сообщение avr123.nm.ru » 05 мар 2008, 14:58

Master писал(а):Что-то я сомневаюсь что индикатору нужно отрицательное напряжение


Он жишь написал
mixer писал(а):я схватил индикатор с расширенным температурным диапазоном.
Аватара пользователя
avr123.nm.ru
отсылающий читать курс
 
Сообщения: 14195
Зарегистрирован: 06 ноя 2005, 04:18
Откуда: Москва
Предупреждения: -8

Re: Тестовую плату для ATmega16 сделал - вот:

Сообщение Master » 05 мар 2008, 15:05

В этой теме индикатор больше не обсуждаем он создал другую.
Аватара пользователя
Master
 
Сообщения: 4468
Зарегистрирован: 21 дек 2006, 19:56
Откуда: Украина, г.Одесса
прог. языки: Delphi и С

Re: Тестовую плату для ATmega16 сделал - вот:

Сообщение avr123.nm.ru » 05 мар 2008, 15:08

mixer писал(а):кто как отрицательное напряжение добывает ?


Обычно прямоугольное напряжение (от генератора на LM555 иль еще на чем угодно или со свободной ноги МК) подают на удвоитель-выпрямитель напряжения - конденсатор, два диода (например сборка bat54s) и еще конденсатор.

BAT54 BAT54A BAT54C BAT54S Schottky Diodes Даташит
http://www.fairchildsemi.com/ds/BA%2FBAT54S.pdf
Купить за "копейки" - http://www.efind.ru

http://www.caxapa.ru/sch/
"Схемы диодных умножителей и инверторов напряжения"

Схемка справа. только полярность диодов поменять для отрицательного напряжения.

Добавьте в избранное ! Схемотехника !
http://www.caxapa.ru/sch/
Аватара пользователя
avr123.nm.ru
отсылающий читать курс
 
Сообщения: 14195
Зарегистрирован: 06 ноя 2005, 04:18
Откуда: Москва
Предупреждения: -8

Re: Тестовую плату для ATmega16 сделал - вот:

Сообщение rig » 05 мар 2008, 15:15

добавил :wink:
Аватара пользователя
rig
 
Сообщения: 1437
Зарегистрирован: 03 авг 2007, 19:43
Откуда: Екатеринбург
прог. языки: Си, асм со словарем

Пред.След.

Вернуться в Микроконтроллеры

Кто сейчас на конференции

Сейчас этот форум просматривают: нет зарегистрированных пользователей и гости: 0

cron