roboforum.ru

Технический форум по робототехнике.

Помогите выбрать "ардуинику" с буджетом в 1000 р

Программирование микроконтроллеров AVR, PIC, ARM.
Разработка и изготовление печатных плат для модулей.

Re: Помогите выбрать "ардуинику" с буджетом в 1000 р

Сообщение Vladislav26rus » 26 мар 2016, 00:11

ilalexey писал(а):
Vladislav26rus писал(а):Да и вопрос с драйверами до сих пор висит А4988 или DRV8825???

Возьми в соседней лавке по одной и протестируй. Пока своего мнения не сложишь, врядли кто чем поможет. Потом заказывай жменю понравившегося.
Бери A3977 - легко паяется.

Если вы про что то такое - это не по моим бюджетам...
http://ru.aliexpress.com/item/A3977-2A- ... ccd28b2fac
Vladislav26rus
 
Сообщения: 21
Зарегистрирован: 20 мар 2016, 16:22
прог. языки: Пока ещё нету :(
ФИО: Влад

Re: Помогите выбрать "ардуинику" с буджетом в 1000 р

Сообщение ilalexey » 26 мар 2016, 00:38

Vladislav26rus писал(а):Если вы про что то такое

Нет, я про что-то такое.
Аватара пользователя
ilalexey
 
Сообщения: 3202
Зарегистрирован: 13 май 2011, 21:37
Откуда: Bb

Re: Помогите выбрать "ардуинику" с буджетом в 1000 р

Сообщение Vladislav26rus » 26 мар 2016, 00:51

ilalexey писал(а):
Vladislav26rus писал(а):Если вы про что то такое

Нет, я про что-то такое.

Это - не по моим мозгам :ROFL: я навесную сехемку в 3 кандёра с трудом спаяю а вы про такие сложные вещи
Vladislav26rus
 
Сообщения: 21
Зарегистрирован: 20 мар 2016, 16:22
прог. языки: Пока ещё нету :(
ФИО: Влад

Re: Помогите выбрать "ардуинику" с буджетом в 1000 р

Сообщение ilalexey » 26 мар 2016, 00:56

Vladislav26rus писал(а):навесную сехемку в 3 кандёра

Там примерно столько и есть.
Аватара пользователя
ilalexey
 
Сообщения: 3202
Зарегистрирован: 13 май 2011, 21:37
Откуда: Bb

Re: Помогите выбрать "ардуинику" с буджетом в 1000 р

Сообщение Vladislav26rus » 26 мар 2016, 20:21

ilalexey писал(а):
Vladislav26rus писал(а):навесную сехемку в 3 кандёра

Там примерно столько и есть.

Я прям таки вижу как ты сидишь дома и материнки паяешь :ROFL:
А по факту не вижу смысла в этом паянии вообще , может быть лет 5 назад когда ещё не кто даже подумать об ардуине не мог, это имело смысл ,а сейчас проще купить :o .
Vladislav26rus
 
Сообщения: 21
Зарегистрирован: 20 мар 2016, 16:22
прог. языки: Пока ещё нету :(
ФИО: Влад

Re: Помогите выбрать "ардуинику" с буджетом в 1000 р

Сообщение ilalexey » 26 мар 2016, 20:46

Я прям таки вижу как ты сидишь дома и материнки паяешь

Я их не паяю, я их глаголю.
а сейчас проще купить

Вот из за большинства таких "проще" потом плодятся топики типа "помогите выбрать чёб такого купить" а потом "как подключить то, чё купил" и выносят другим людям мозг. Это отнюдь не делает жизнь людей(спрашиваемых) проще.
пс: когда-то, давно, был чёткий фильм про перца-ювелира, который ещё и махался в свободное от бизнеса время. Очень не дурной пример для подражания.
Я, например, очень себя уютно чувствовал когда работал стомат техником с кисточкой и микрометром в руках и два раза в месяц ходил подрабатывать в столярку, тягать по несколько кубов дубов в сушильный шкаф(а досочки не дай бог - 60х800х6000мм)
Если человек и умом и паяльником владеет, это повод для странных(может даже неуместных) смайликов?
Аватара пользователя
ilalexey
 
Сообщения: 3202
Зарегистрирован: 13 май 2011, 21:37
Откуда: Bb

Re: Помогите выбрать "ардуинику" с буджетом в 1000 р

Сообщение Vladislav26rus » 26 мар 2016, 21:52

ilalexey писал(а):
Я прям таки вижу как ты сидишь дома и материнки паяешь

Я их не паяю, я их глаголю.
а сейчас проще купить

Вот из за большинства таких "проще" потом плодятся топики типа "помогите выбрать чёб такого купить" а потом "как подключить то, чё купил" и выносят другим людям мозг. Это отнюдь не делает жизнь людей(спрашиваемых) проще.
пс: когда-то, давно, был чёткий фильм про перца-ювелира, который ещё и махался в свободное от бизнеса время. Очень не дурной пример для подражания.
Я, например, очень себя уютно чувствовал когда работал стомат техником с кисточкой и микрометром в руках и два раза в месяц ходил подрабатывать в столярку, тягать по несколько кубов дубов в сушильный шкаф(а досочки не дай бог - 60х800х6000мм)
Если человек и умом и паяльником владеет, это повод для странных(может даже неуместных) смайликов?

Ладно тебе не обижайся :friends: я знаю что схемы это хорошо и уважаю людей которые умеют их делать -Но что бы делать что то подобное
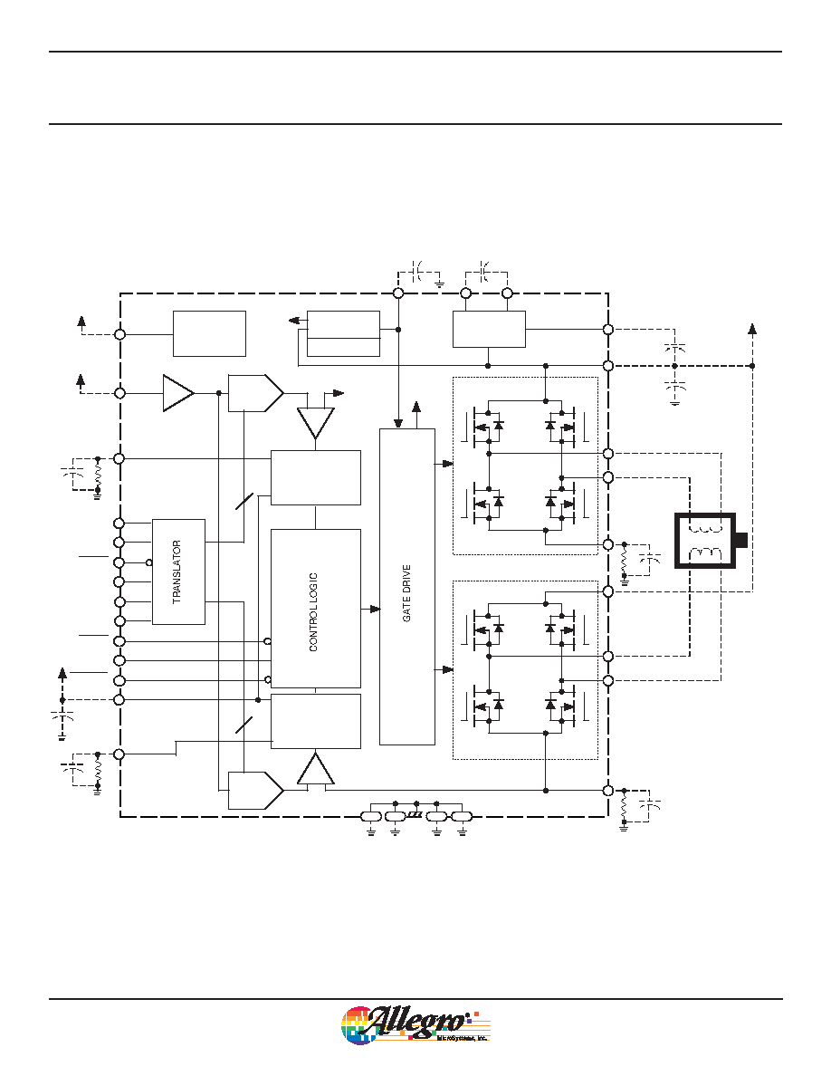
A3977.png

нужно много времени , а его не так уж и много (тем более в этом году ещё ОГЭ сдавать) если бы у меня были материалы , и мне бы такая плата была бы нужна я пожалуй бы спаял что то подобное, я бы убил неделю ,но таки бы её сделал ,но когда можно заказать 4 китайских драйверка , по цене КОМПОНЕНТОВ для платы , которую я ещё через жопу спаяю, извините не вижу смысла.
Vladislav26rus
 
Сообщения: 21
Зарегистрирован: 20 мар 2016, 16:22
прог. языки: Пока ещё нету :(
ФИО: Влад

Re: Помогите выбрать "ардуинику" с буджетом в 1000 р

Сообщение Myp » 26 мар 2016, 22:48

на картинке в большом пунктирном прямоугольнике это сама микросхема с её внутренностями схематичными
то что снаружи прямоугольника - то что надо допаять, пять резисторов и пять конденсаторов.
сколько по твоему времени займёт пайка 5 конденсаторов и 5 резисторов?
<telepathmode>На вопросы отвечает Бригадир Телепатов!</telepathmode>
Всё уже придумано до нас!
Аватара пользователя
Myp
скрытый хозяин вселенной :)
 
Сообщения: 18018
Зарегистрирован: 18 сен 2006, 12:26
Откуда: Тверь по прозвищу Дверь
прог. языки: псевдокод =) сила в алгоритме!
ФИО: глубокоуважаемый Фёдор Анатольевич

Re: Помогите выбрать "ардуинику" с буджетом в 1000 р

Сообщение ilalexey » 26 мар 2016, 23:31

сколько по твоему времени займёт пайка 5 конденсаторов и 5 резисторов?

этож не тож.. Согласен, купить платку сейчас дешевле и азарт другой(за сами чипы в этом году дерут изрядно). Пичалька наблюдать такую апатию к хендмейду.
Вчера на радио рынок ходил. Возле лотка с выводными резюками что-то меня остановило и начал упорно вспоминаь что мне нужно. Даже чуть не взял жменю всего понемногу. Сейчас понял чего нужно брать было. Гламурная 3д платка вышла бы. Залить ещё потом пластиком прозрачным. ..и ледов напихать.

Добавлено спустя 15 минут 10 секунд:
На счёт "правильного" выбора. К примеру, вечная тема - выбор компа. Стационаров у меня было больше десятка, буков штуки три. Форумы читал, мнения спрашивал. По финалу всё равно чем-то не доволен и так не научился распознавать "правильное" железо. В Израиле советуют одно, в штатах другое, у нас третье. Везде свои мнения, а на гуано нарвёшься, сам того не подозревая, из за неудачного положения звёзд.
Последний раз редактировалось ilalexey 27 мар 2016, 00:34, всего редактировалось 1 раз.
Аватара пользователя
ilalexey
 
Сообщения: 3202
Зарегистрирован: 13 май 2011, 21:37
Откуда: Bb

Re: Помогите выбрать "ардуинику" с буджетом в 1000 р

Сообщение Vladislav26rus » 26 мар 2016, 23:56

Myp писал(а):на картинке в большом пунктирном прямоугольнике это сама микросхема с её внутренностями схематичными
то что снаружи прямоугольника - то что надо допаять, пять резисторов и пять конденсаторов.
сколько по твоему времени займёт пайка 5 конденсаторов и 5 резисторов?
http://ru.aliexpress.com/item/1PCS-sale-A3977SLPT-A3977/32424922809.html?spm=2114.30010708.3.10.piuSdk&ws_ab_test=searchweb201556_9,searchweb201602_3_10036_10035_10034_507_10020_10001_10002_10017_10010_10005_10011_10006_10003_10021_10004_10022_10009_10007_10008_10018_10019,searchweb201603_9&btsid=a4d8c0f5-48ff-4e29-a1e0-672db3b15a72
Как я понял это что то такое внутри? И это самая дешёвая цена на али, я понимаю что на али частенько задирают цены возьмём тот же 3д пластик который на али абс 2000р а в Москве пла за 1000 можно взять http://3dtoday.ru/blogs/fdplast/ но всё же...

Добавлено спустя 8 минут 6 секунд:
Завтра* наверное буду с отцом заказывать такой набор
http://ru.aliexpress.com/item/Free-ship ... 8641ec5b98
Думаю для начала его хватит.
Vladislav26rus
 
Сообщения: 21
Зарегистрирован: 20 мар 2016, 16:22
прог. языки: Пока ещё нету :(
ФИО: Влад

Re: Помогите выбрать "ардуинику" с буджетом в 1000 р

Сообщение Vladislav26rus » 28 мар 2016, 20:18

Товар уже обрабатывается, тема как таковая уже не нужна , следующая мая тема будет по вопросам как это все программировать ибо я в ардуинике ( да и в общем, в программирование не силён )))).
Vladislav26rus
 
Сообщения: 21
Зарегистрирован: 20 мар 2016, 16:22
прог. языки: Пока ещё нету :(
ФИО: Влад

Re: Помогите выбрать "ардуинику" с буджетом в 1000 р

Сообщение ilalexey » 28 мар 2016, 20:26

где-то так
да и в общем, в программирование не силён

В таких случаях в графе "язык программирования" пишут с++.
Аватара пользователя
ilalexey
 
Сообщения: 3202
Зарегистрирован: 13 май 2011, 21:37
Откуда: Bb

Re: Помогите выбрать "ардуинику" с буджетом в 1000 р

Сообщение Vladislav26rus » 28 мар 2016, 22:11

Я знал что вы укажите мне на то сообщение, да я понимаю что такие люди как я порой раздражают, но ведь и вы тоже не всегда были супер спецами , так что терпите меня таким , какой я есть =)
П.С у меня еще есть учитель информатики который только начал изучать ардуину , так что буду с ним совместно вникать
Vladislav26rus
 
Сообщения: 21
Зарегистрирован: 20 мар 2016, 16:22
прог. языки: Пока ещё нету :(
ФИО: Влад

Re: Помогите выбрать "ардуинику" с буджетом в 1000 р

Сообщение ilalexey » 28 мар 2016, 22:19

но ведь и вы тоже не всегда были супер спецами

я и сейчас/до_сих_пор такой.
Последний раз редактировалось ilalexey 30 мар 2016, 09:00, всего редактировалось 2 раз(а).
Аватара пользователя
ilalexey
 
Сообщения: 3202
Зарегистрирован: 13 май 2011, 21:37
Откуда: Bb

Re: Помогите выбрать "ардуинику" с буджетом в 1000 р

Сообщение RootAdmin » 29 мар 2016, 03:31

О! У меня тоже си в языках! Basic вспомнить, что-ли ;) А для предложенного варианта лучший выбор -GRBL.
Дым, идущий из всех устройств в помещении предвещает появление электрика.
RootAdmin
 
Сообщения: 1725
Зарегистрирован: 07 авг 2010, 21:29
Откуда: КМВ
прог. языки: C
ФИО: Андрей

Пред.След.

Вернуться в Микроконтроллеры

Кто сейчас на конференции

Сейчас этот форум просматривают: нет зарегистрированных пользователей и гости: 0

cron