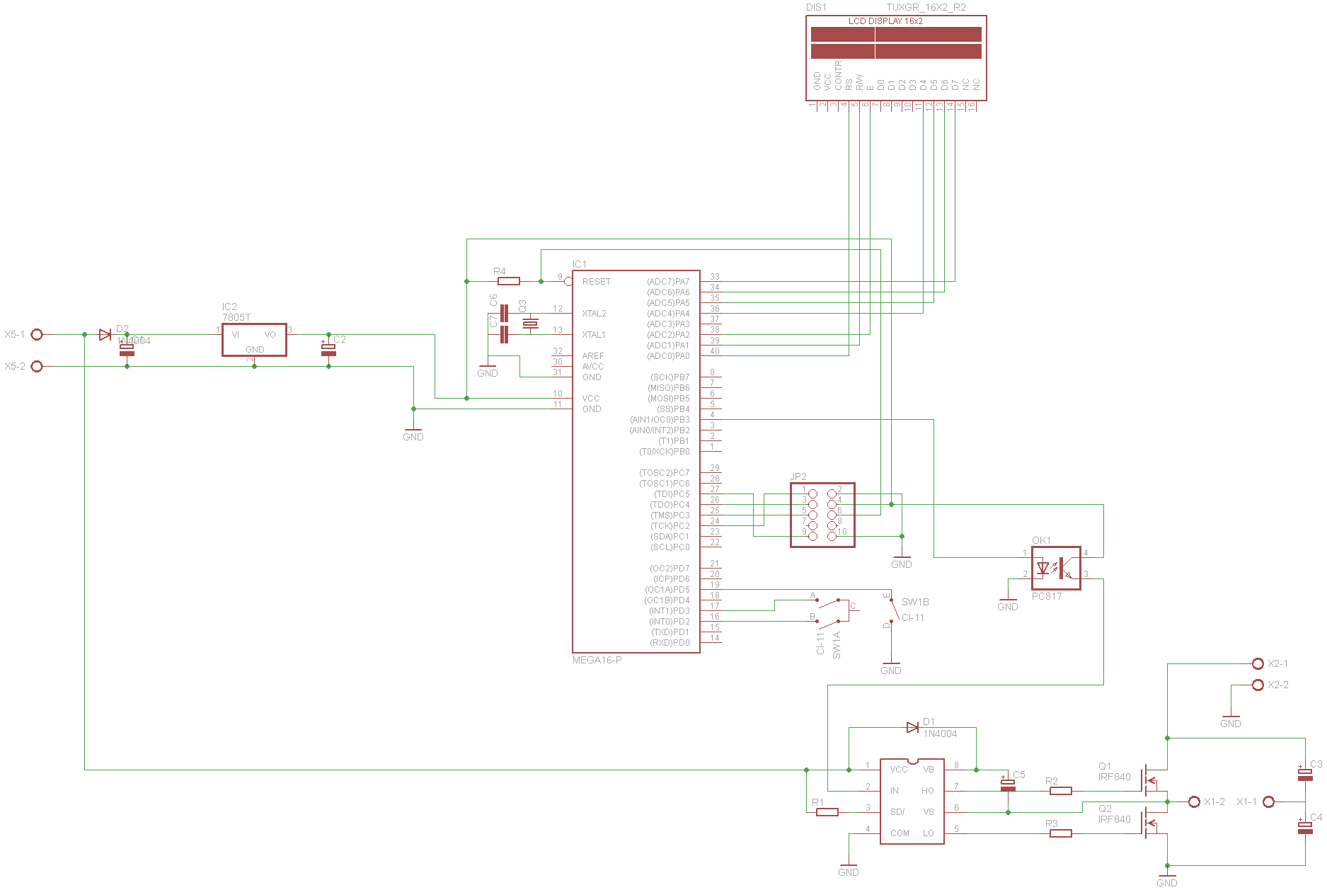
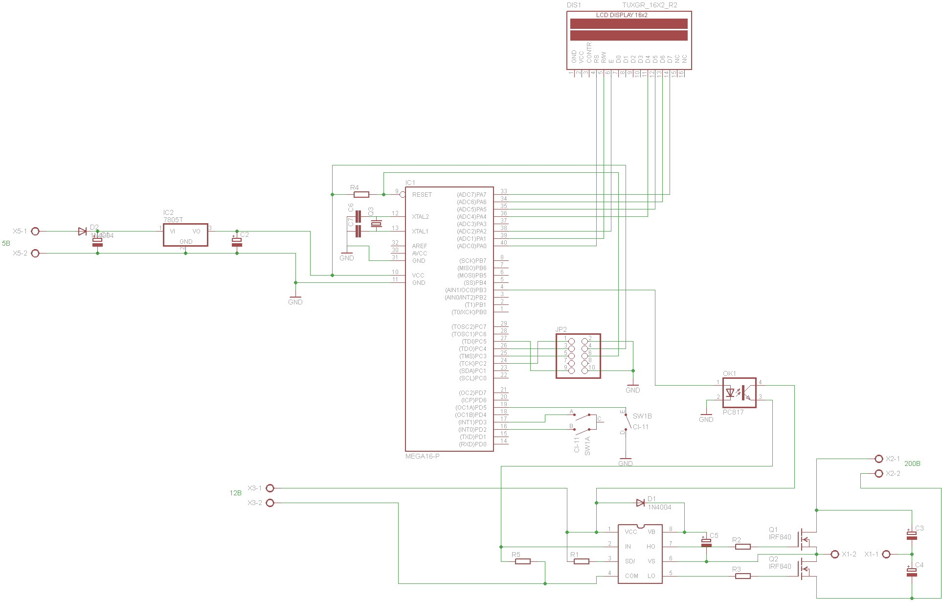
Здравствуйте,
После решения проблемы с полумостом, возникла другая: к выходу полумоста подключается высоковольтный импульсный трансформатор, а на его вторичной обмотки загорается разряд, и в момент зажжения, мк начинает перезагружаться, как защитить контроллер?
Через оптопару полумост не работает, хотя подключаю к ее (к оптопаре) выходу светодиод - все норм, что за напасть?
Плата собрана на макетке, все соединено проводами, насколько я знаю, то такие схемы не любят такого небрежного монтажа.

