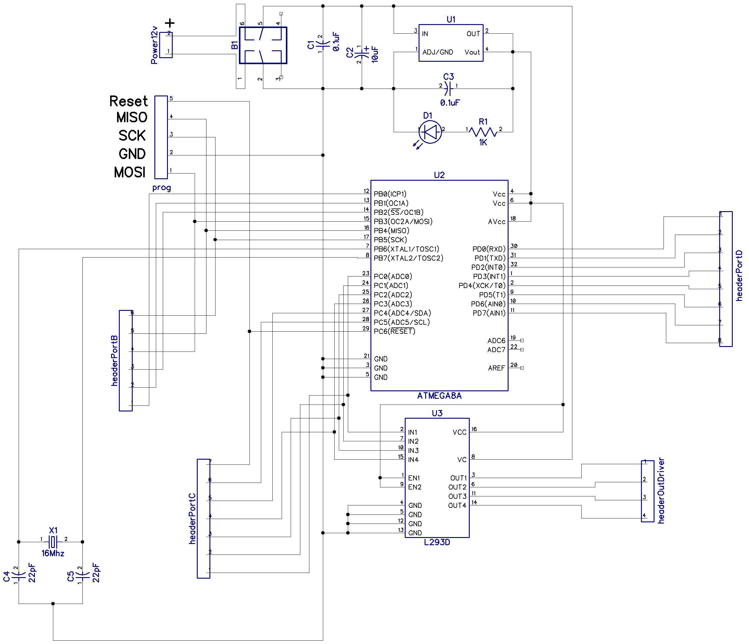
у меня стандартная ситуация, я как начинающий радиолюбитель прочитал кучу литературы. нарисовал схемку по логике все довольно просто. ATMega8A + L293D схемка во вложении, вытравил, напаял элементы, вообщем вопрос такой почему при подаче питания 5v на AVR, на портах при выводе получаю +5v, но с очень низкой силой тока, которой не хватает даже на светодиод(зеленый 3мм). Индикатор на плате такой же светодиод горит нормально.
Не пинайте если есть ошибки, самоучка, даже спросить в живую некого.



нужно было просто в коде выставить DDRx=0xFF