roboforum.ru

Технический форум по робототехнике.


МикроКонтроллер AVR начинающим - общие вопросы

Программирование микроконтроллеров AVR, PIC, ARM.
Разработка и изготовление печатных плат для модулей.

Re: МикроКонтроллер AVR начинающим - общие вопросы

Сообщение galex1981 » 08 сен 2009, 10:19

Спасибо, сегодня попробую собаку
if(!Operate) Read(pDatasheet);
Аватара пользователя
galex1981
 
Сообщения: 4363
Зарегистрирован: 04 дек 2008, 22:44
Откуда: Камышин
Skype: galk-aleksandr1
прог. языки: Kotlin, Java, C, C++, Assm, BasCom, VB, php
ФИО: Галкин Александр Владимирович

Re: МикроКонтроллер AVR начинающим - общие вопросы

Сообщение hadok » 19 сен 2009, 19:29

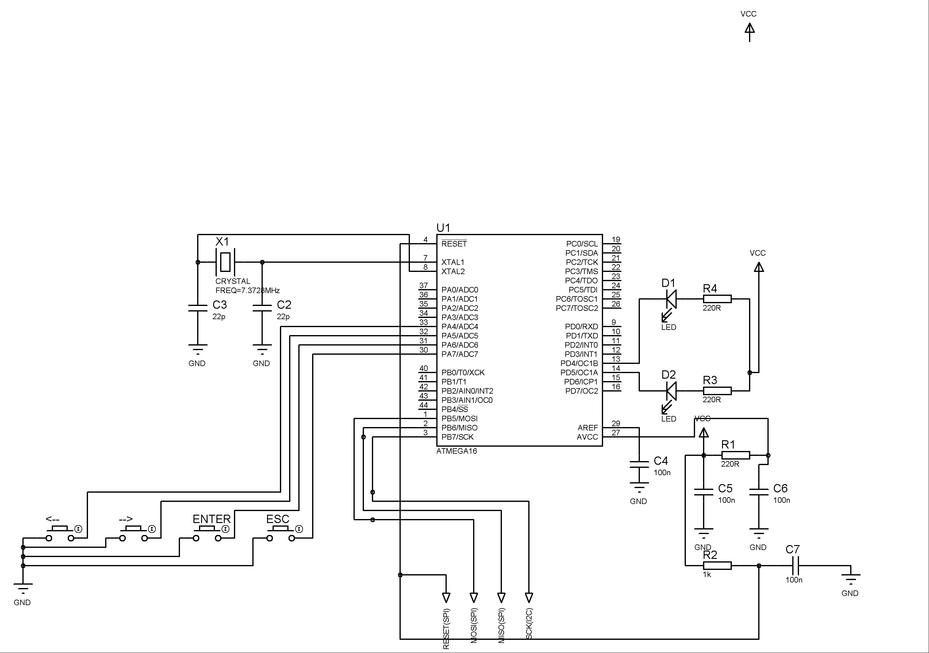
Подскажите пожалуйста простую схемку и программку с микроконтроллером mega16 для управления светодиодами. Задача пока самая начальная, при замыкании двух ножек контроллера светодиоды должны мигать, при следующем замыкании диоды перестают мигать.
Хочу освоить микроконтроллеры, а всё никак не удаётся. собрал программатор от lpt - не получается прошить.

Заранее благодарен!!!
Аватара пользователя
hadok
 
Сообщения: 166
Зарегистрирован: 06 июн 2005, 02:27
Откуда: Минск, Лида

Re: МикроКонтроллер AVR начинающим - общие вопросы

Сообщение galex1981 » 19 сен 2009, 20:01

Попробуй эту схему собрать
Вложения
12345.jpg
if(!Operate) Read(pDatasheet);
Аватара пользователя
galex1981
 
Сообщения: 4363
Зарегистрирован: 04 дек 2008, 22:44
Откуда: Камышин
Skype: galk-aleksandr1
прог. языки: Kotlin, Java, C, C++, Assm, BasCom, VB, php
ФИО: Галкин Александр Владимирович

Re: МикроКонтроллер AVR начинающим - общие вопросы

Сообщение avr123.nm.ru » 19 сен 2009, 20:12

hadok писал(а): Хочу освоить микроконтроллеры, а всё никак не удаётся. собрал программатор от lpt - не получается прошить.


Я советую вам начать в симуляторе, так же как пилоты начинают учиться летать на симуляторе, когда у вас будет получаться и вы начнете понимать что происходит в МК и как это происходит, вы перейдете к реальному МК.

Рекомендую PROTEUS - http://proteus123.narod.ru и его примеры. ИМХО PROTEUS это сила.

А постановка задачи мигать светодиодами и ее решение это задача 1 курса по AVR. Реакция на кнопки - это страничка 3 о прерываниях в AVR и задача о таймере.
Аватара пользователя
avr123.nm.ru
отсылающий читать курс
 
Сообщения: 14195
Зарегистрирован: 06 ноя 2005, 04:18
Откуда: Москва
Предупреждения: -8

Re: МикроКонтроллер AVR начинающим - общие вопросы

Сообщение Oberon » 20 сен 2009, 12:11

А обязательно ли надо соединять между собой все выводы GND МК?
Аватара пользователя
Oberon
 
Сообщения: 8
Зарегистрирован: 15 сен 2009, 09:55
Откуда: N-S-K
прог. языки:
ФИО: Николай

Re: МикроКонтроллер AVR начинающим - общие вопросы

Сообщение blindman » 20 сен 2009, 12:14

Обязательно. А ты думаешь, почему их несколько? Ноги девать некуда ? :)
Проект [[Open Robotics]] - универсальные модули для построения роботов
Модули Open Robotics можно приобрести в магазине shop.roboforum.ru

Day OFF? You must be pulling my leg! Stop making humor before someone sees you, fool!

Аватара пользователя
blindman
 
Сообщения: 4130
Зарегистрирован: 29 апр 2008, 21:15
Откуда: Хабаровск
прог. языки: C,C++,Assembler,PHP,Javascript,Ruby, SPIN,Java(?)
ФИО: Андрей Юрьевич

Re: МикроКонтроллер AVR начинающим - общие вопросы

Сообщение Oberon » 20 сен 2009, 12:23

Обязательно. А ты думаешь, почему их несколько? Ноги девать некуда ? :)

Да порты меги 16й в TQFP развести нормально не получается... постоянно какой-то вывод надо перемычкой делать. А хочется всё красиво и аккуратно :). И догадались же портА пронумеровать в обратном порядке
Аватара пользователя
Oberon
 
Сообщения: 8
Зарегистрирован: 15 сен 2009, 09:55
Откуда: N-S-K
прог. языки:
ФИО: Николай

Re: МикроКонтроллер AVR начинающим - общие вопросы

Сообщение avr123.nm.ru » 20 сен 2009, 12:34

Сделайте перемычки аккуратно - например резисторами чипами низкоомными, да и резисторы на 240 - 330 Ом часто просто полезны бывают.
Аватара пользователя
avr123.nm.ru
отсылающий читать курс
 
Сообщения: 14195
Зарегистрирован: 06 ноя 2005, 04:18
Откуда: Москва
Предупреждения: -8

Re: МикроКонтроллер AVR начинающим - общие вопросы

Сообщение galex1981 » 20 сен 2009, 18:54

Oberon писал(а):А обязательно ли надо соединять между собой все выводы GND МК?

И не только GND обязательно, но и цифровые и аналоговые входы питания
if(!Operate) Read(pDatasheet);
Аватара пользователя
galex1981
 
Сообщения: 4363
Зарегистрирован: 04 дек 2008, 22:44
Откуда: Камышин
Skype: galk-aleksandr1
прог. языки: Kotlin, Java, C, C++, Assm, BasCom, VB, php
ФИО: Галкин Александр Владимирович

Re: МикроКонтроллер AVR начинающим - общие вопросы

Сообщение almazkazan » 20 сен 2009, 22:51

так как тема "Вирусы на сайте авр123 и прочих на nm.ru" ЗАКРЫТА, пишу здесь

Здравствуйте форумчане, мира вам, любви, добра, и всё такое)) Вобщем, это, firefox руганулся на avr123.nm.ru (О боги!)

....Ээээ... с этим ПО все нормально?)
Вложения
11.JPG
22.JPG
“Но мы же еще ​живы, чувак, это же круто…”
Аватара пользователя
almazkazan
 
Сообщения: 97
Зарегистрирован: 04 окт 2008, 17:47
Откуда: казань, респ. Татарстан, россия
прог. языки: c++, c#, asm

Re: МикроКонтроллер AVR начинающим - общие вопросы

Сообщение galex1981 » 20 сен 2009, 22:59

У тебя устанавливается дополнительная панель для qip, и по моему это не с этого сайта (ЗЫ: насколько я знаю эта панель безвредна - дополнительный поисковик будет)
if(!Operate) Read(pDatasheet);
Аватара пользователя
galex1981
 
Сообщения: 4363
Зарегистрирован: 04 дек 2008, 22:44
Откуда: Камышин
Skype: galk-aleksandr1
прог. языки: Kotlin, Java, C, C++, Assm, BasCom, VB, php
ФИО: Галкин Александр Владимирович

Re: МикроКонтроллер AVR начинающим - общие вопросы

Сообщение ALHIMIK » 27 сен 2009, 10:04

Проблема -
CVAVR только у меня не хочет выполнять "команду" TCCR1A |= FOC1A; ?
Проект прилагаю

Добавлено спустя 1 минуту 3 секунды:
в место пиков лезит меандр...
Вложения
папка.rar
(18.71 КиБ) Скачиваний: 7
Аватара пользователя
ALHIMIK
 
Сообщения: 997
Зарегистрирован: 05 окт 2008, 14:41
Откуда: СПб
прог. языки: C,Python

Re: МикроКонтроллер AVR начинающим - общие вопросы

Сообщение avr123.nm.ru » 27 сен 2009, 10:41

Вы посмотрите в АСМ листинге или в регистрах при симуляции выполняется ли строка или нет.

ALHIMIK писал(а):Путь джедая - прочитать три книги :
1)Керниган и Ритчи
2)Хоровиц и Хилл
3)Евстифеев

1) лежит он-лайн на указывай прямые ссылки
2) и 3) в библиотеках указаных на страничке указывай прямые ссылки
Аватара пользователя
avr123.nm.ru
отсылающий читать курс
 
Сообщения: 14195
Зарегистрирован: 06 ноя 2005, 04:18
Откуда: Москва
Предупреждения: -8

Re: МикроКонтроллер AVR начинающим - общие вопросы

Сообщение ALHIMIK » 27 сен 2009, 10:58

вмлаб пишет что исполняется...(см фото) а на деле нет
мб это опять "враньё" как с ШИМ ?
Вложения
123.JPG
Аватара пользователя
ALHIMIK
 
Сообщения: 997
Зарегистрирован: 05 окт 2008, 14:41
Откуда: СПб
прог. языки: C,Python

Re: МикроКонтроллер AVR начинающим - общие вопросы

Сообщение avr123.nm.ru » 27 сен 2009, 11:06

Посмотрите код в асм листинге.
Аватара пользователя
avr123.nm.ru
отсылающий читать курс
 
Сообщения: 14195
Зарегистрирован: 06 ноя 2005, 04:18
Откуда: Москва
Предупреждения: -8

Пред.След.

Вернуться в Микроконтроллеры

Кто сейчас на конференции

Сейчас этот форум просматривают: нет зарегистрированных пользователей и гости: 2

cron