hadok писал(а): Хочу освоить микроконтроллеры, а всё никак не удаётся. собрал программатор от lpt - не получается прошить.

Обязательно. А ты думаешь, почему их несколько? Ноги девать некуда ?
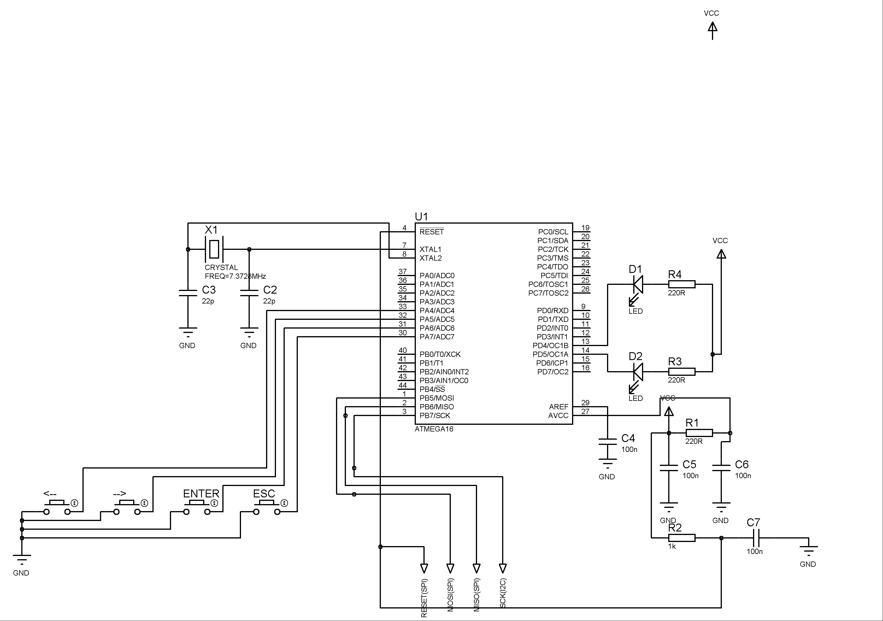
. И догадались же портА пронумеровать в обратном порядкеOberon писал(а):А обязательно ли надо соединять между собой все выводы GND МК?
ALHIMIK писал(а):Путь джедая - прочитать три книги :
1)Керниган и Ритчи
2)Хоровиц и Хилл
3)Евстифеев
Сейчас этот форум просматривают: нет зарегистрированных пользователей и гости: 0