
Добавлено спустя 1 час 27 минут 41 секунду:
Duhas, ты на датагоре зареген?
Добавлено спустя 45 секунд:
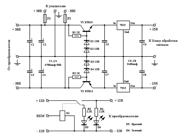
Во здесь всмысле
![]() |
roboforum.ruТехнический форум по робототехнике. |
|
|

| Реклама | ||||
|
|
|
|||
| Реклама | ||||
|
|
|
|||

Сейчас этот форум просматривают: нет зарегистрированных пользователей и гости: 0