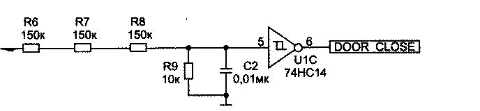
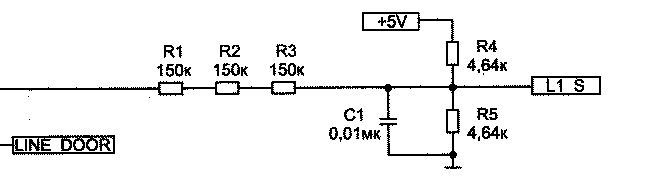
Народ помогите разобраться как работает схемка
на вход цепочки резисторов поступает или не поступает 220в от датчика (простое замыкание\размыкание), L1 S - на вход микроконтроллера от моторола. Задача микроконтроллера определять замыкание-размыкание. Мне не понятно как реализована обработка этого сигнала в мк - на входе мк будет синус? Далее стандартный компаратор или что-то более специфичное?
