Мне нужно управлять отдельным устройством с помощью мосфета - подаю на затвор лог. 1 с МК. Но устроуство подклю чается не как диод или ампочка (т.е. последовательно к сток-исток), а должен идти один провод, а земля будет общая.
Помогите, пожалуйста.
			










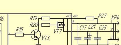
 Поэтому в этой схеме поменяй мосфет на P-канальный.
 Поэтому в этой схеме поменяй мосфет на P-канальный.

=DeaD= писал(а):Будет, если на затвор подашь питание +10В.


avr123.nm.ru писал(а):=DeaD= писал(а):Будет, если на затвор подашь питание +10В.
Понятно написано.

 
 

Вернуться в Новичкам или основы основ роботостроения.
Сейчас этот форум просматривают: нет зарегистрированных пользователей и гости: 0