Master писал(а):А может не ссылку на форум, а свой проект выложи?
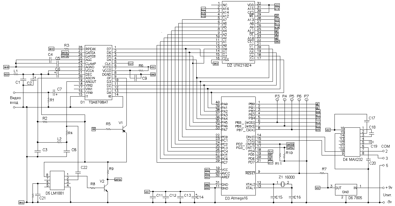
Да я не против, могу подготовить и выложить. А как с авторскими правами? Корректно ли это, схема то заимствованая, хоть и доработаная
galex1981 писал(а):И сколько оцифровка кадра занимает времени?
Оцифровка идёт синхронно с кадром. А вот передача через порт занимает много времени.
При скорости порта 115200, кадр (320х240) сжатый в jpg формат передается за 0,5-1 сек, а не сжатый около 10 сек.


