![]() |
roboforum.ruТехнический форум по робототехнике. |
|
Neo_MatriX писал(а):а где взять этот тестер и сколкько он стоит?
Denis_Wozniak писал(а):такой?
очень похож!yak-40 писал(а):Может вот такой?
Denis_Wozniak писал(а):менее минуты назад
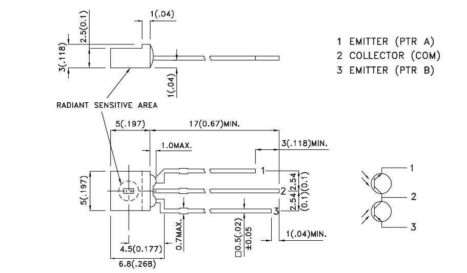
Если тот, что на 2-ой фотке, то вот из его даташита.



не а чесно правильно?
. наверное 

Denis_Wozniak писал(а):попробуй![]()
главное, что так не сгорит. наверное
Оочень смешноВернуться в Новичкам или основы основ роботостроения.
Сейчас этот форум просматривают: нет зарегистрированных пользователей и гости: 1