
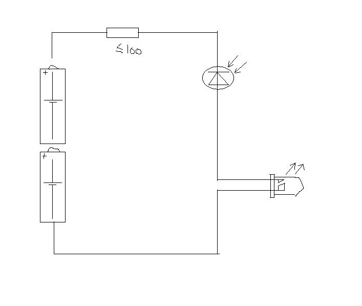
По схеме собери цепь - подбери положение своего фотодиода так, чтобы когда на него свет светит - светодиод загорался, значит соответствует схеме (лучше солнечным светом - у тебя ИК диод). Если будеш от блока питания питать 5 в - резистор обязательно, если от 12 - резистор лучше 400-500 ом.

