roboforum.ru

Технический форум по робототехнике.


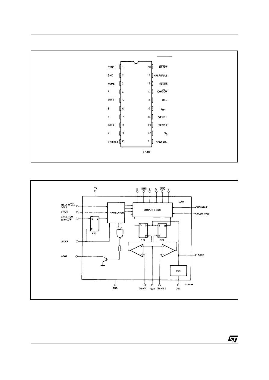
L297B+ATtiny15L

Раздел создан специально для людей которым интересна робототехника, но в силу разных причин они не знают с чего начать.
Задавайте ваши вопросы, какими бы простыми они не казались, постоянные посетители форума постараются ответить на них по мере своих сил.
Робот своими руками. Самодельный робот.

L297B+ATtiny15L

Сообщение Ramzez » 13 фев 2009, 19:04

Всем привет! я еще совсем новичек, ничего еще не построил, но очень хочу! спаял программатор на LPT, купил МК и контроллер для двигателей.нужен был L293D а я по глупости сказал что 296.мне ответили что такого нет, а есть драйвер для движков 297. купил)Попытался изучить даташит, но не особо получилось =) дело в том что данный контроллер для шаговых движков и там куча режимов. Помогите куда нужно подавать сигналы и подключать двигатели на этом контроллере?
И получится ли собрать простенького робота на AVRке tiny15L+ этот контроллер?
буду благодарен за любые советы!
Вложения
L29700002im.jpg
Аватара пользователя
Ramzez
 
Сообщения: 28
Зарегистрирован: 13 фев 2009, 18:37
Откуда: Петрозаводск

Re: L297B+ATtiny15L

Сообщение avr123.nm.ru » 13 фев 2009, 19:52

Он слаботочный. К нему обычно L298 подключают.
Аватара пользователя
avr123.nm.ru
отсылающий читать курс
 
Сообщения: 14195
Зарегистрирован: 06 ноя 2005, 04:18
Откуда: Москва
Предупреждения: -8

Re: L297B+ATtiny15L

Сообщение realsystem » 13 фев 2009, 20:11

... и шаговик ко всей этой связке подключают.

Автору - поменяй микруху на 293
realsystem
 
Сообщения: 629
Зарегистрирован: 01 фев 2009, 01:32
Откуда: Саратов
Skype: realsystem_stas
прог. языки: C, Bash, Perl
ФИО: Станислав

Re: L297B+ATtiny15L

Сообщение avr123.nm.ru » 13 фев 2009, 20:22

Там вроде длина шагов не ограничена. Можно и 2 "простых" мотора подключить после L298.
Аватара пользователя
avr123.nm.ru
отсылающий читать курс
 
Сообщения: 14195
Зарегистрирован: 06 ноя 2005, 04:18
Откуда: Москва
Предупреждения: -8

Re: L297B+ATtiny15L

Сообщение realsystem » 13 фев 2009, 20:31

Но одна 293я микруха то дешевле двух (297+298) :) А для новичка и проще к тому же
realsystem
 
Сообщения: 629
Зарегистрирован: 01 фев 2009, 01:32
Откуда: Саратов
Skype: realsystem_stas
прог. языки: C, Bash, Perl
ФИО: Станислав

Re: L297B+ATtiny15L

Сообщение Ramzez » 13 фев 2009, 23:03

спасибо за ответы! я почему то так и предпологал, что без второй не заработает особо. но так как стоит микруха 160 рублей, лучше попытаюсь поменять обратно и куплю советский аналог контроллера L293D, думаю он гораздо дешевле и то, что надо!
Аватара пользователя
Ramzez
 
Сообщения: 28
Зарегистрирован: 13 фев 2009, 18:37
Откуда: Петрозаводск


Вернуться в Новичкам или основы основ роботостроения.

Кто сейчас на конференции

Сейчас этот форум просматривают: нет зарегистрированных пользователей и гости: 4