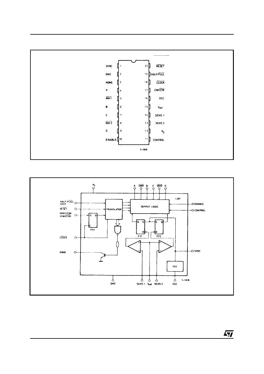
Всем привет! я еще совсем новичек, ничего еще не построил, но очень хочу! спаял программатор на LPT, купил МК и контроллер для двигателей.нужен был L293D а я по глупости сказал что 296.мне ответили что такого нет, а есть драйвер для движков 297. купил)Попытался изучить даташит, но не особо получилось =) дело в том что данный контроллер для шаговых движков и там куча режимов. Помогите куда нужно подавать сигналы и подключать двигатели на этом контроллере?
И получится ли собрать простенького робота на AVRке tiny15L+ этот контроллер?
буду благодарен за любые советы!

А для новичка и проще к тому же