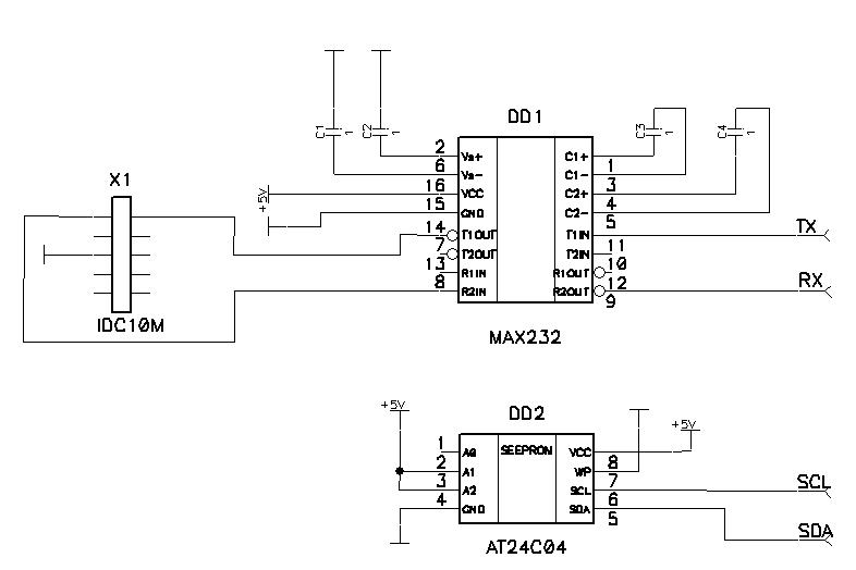
Здравствуйте уважаемые форумчане. Решил я сделать одно устройство - чтение/запись байта в FLASH-память AT24C04. Общение с этой памятью производится по I2C интерфейсу. Записываю в адрес 0x00 значение 47 ("G"). Затем пытаюсь по нажатияю кнопки PORTD.2 считывать значение и выводить его в COM-порт. Проблема в том что при отладке не только ничего не считывается но и ничего не записывается в память. Мучаюсь с этим уже часов 5.
Ниже прилагаю исходник интерфейса и код. По схеме к контроллеру (Tiny2313) подходят следующие сигналы: PORTB.0 = SDA памяти, PORTB.1 = SCL памяти, PORTD.0 = RXD max232, PORTD.1 = TXD max232.



