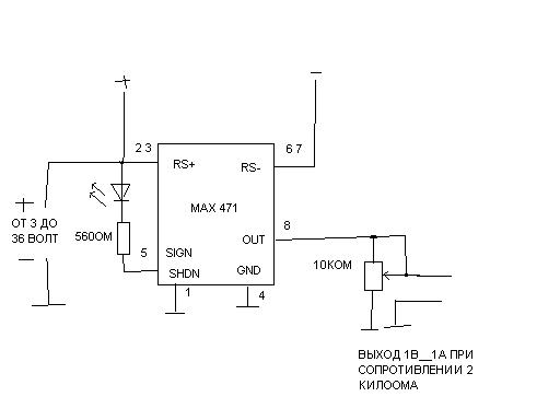
Вот схемка ---> ниже
Обведино красным то-очем вопрос
Обесните плиз почему для измерения тока используют 2 вывода АЦП ?

Вернуться в Новичкам или основы основ роботостроения.
Сейчас этот форум просматривают: нет зарегистрированных пользователей и гости: 0